Comunque cercando di ricostruire le PCB mi sono reso conto che le numerazioni attuali fanno a pugni con la logica e andrebbe rinumerato tutto lo schema. Con l'eCad non è un problema, il problema sorge con FidoCadj. Ci sono due o tre problemi da affrontare: il primo è che non ci vedo ma lo sappiamo già, il secondo è che per realizzare le PCB devo spezzare lo schema in tre parti per l'eCad per poi ricucirlo in FidoCadj. Poi l'eCad non ammette la duplicazione dei nomi dei componenti e anche la numerazione automatica si complica perché sulla basetta dell'alimentatore principale c'è anche la una basetta dell'alimentazione ausiliaria per utilizzare l'alimentatore anche senza duplicatore (qualora servisse semplice). Poi c'è anche qualcosa d'altro che adesso non ricordo più; comunque basterebbe il problema della numerazione automatica che implica la rinumerazione manuale di tutto lo schema in FidoCad. L'eCad offre un paio di opzioni per la numerazione ma alla fine ci troviamo una numerazione o nomenclatura dei componenti completamente diversa dall'attuale.
Ho visto che lamenti l'assenza della resistenza R30 ma ho reperito una basetta di quelle che hai utilizzato (quelle che ho realizzato un po' di fretta e che fanno abbastanza pena), e ho visto che la resistenza R30 c'è. Non ho capito se ci riferiamo allo stesso componente.
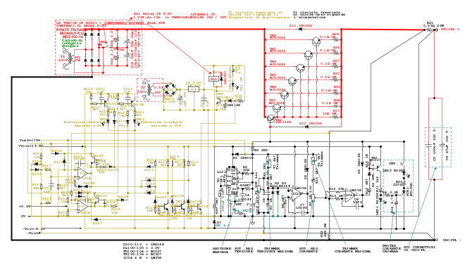
Allego l'immagine della vecchia PCB.
Per quanto riguarda il rumore rilevato è possibile che se l'alimentatore è aperto arrivi dall'esterno o che qualche collegamento si sintonizzi su qualche banda e ti ritrovi in uscita RadioMaria. Forse prima di collegare il duplicatore avresti dovuto verificare il funzionamento del solo alimentatore...
Poi gli strumentini digitali producono molti disturbi e non sottovaluterei il problema. L'ideale sarebbe dargli un'alimentazione separata. Mi sembra che ne avessimo anche già discusso da qualche parte.
Tieni anche presente che il condensatore C3 da 47uF, sullo schema originale era da 100uF. Quel condensatore svolge la duplice funzione di rallentare l'accensione dell'alimentatore e ridurre il livello di disturbo prodotto dallo zener interno al 723. La capacità è stata dimezzata per aumentare la velocità di partenza dell'alimentatore ma potrebbe avere l'effetto collaterale di non sopprimere efficacenente il rumore del predetto zener.
Comunque quella scheda che ho realizzato dell'alimentatore primario non mi piace proprio e ho intenzione di rifarla ma portando all'esterno tutti i componenti di potenza e possibilmente rendere un po' più leggibili e sensate le connessioni.
Penso di essere ancora in grado di farcela con l'eCad ma non so se riuscirò a ricostruire lo schema completo in FidoCadj. Non è un aspetto da sottovalutare perché come ho già detto cambierebbero tutti i nomi dei componenti e da solo credo che farò parecchi errori ed occorreranno diverse revisioni.
Per il momento, visto che sei in vacanza, ti auguro una buona permanenza e ritorneremo in argomento al tuo rientro...


Elettrotecnica e non solo (admin)
Un gatto tra gli elettroni (IsidoroKZ)
Esperienza e simulazioni (g.schgor)
Moleskine di un idraulico (RenzoDF)
Il Blog di ElectroYou (webmaster)
Idee microcontrollate (TardoFreak)
PICcoli grandi PICMicro (Paolino)
Il blog elettrico di carloc (carloc)
DirtEYblooog (dirtydeeds)
Di tutto... un po' (jordan20)
AK47 (lillo)
Esperienze elettroniche (marco438)
Telecomunicazioni musicali (clavicordo)
Automazione ed Elettronica (gustavo)
Direttive per la sicurezza (ErnestoCappelletti)
EYnfo dall'Alaska (mir)
Apriamo il quadro! (attilio)
H7-25 (asdf)
Passione Elettrica (massimob)
Elettroni a spasso (guidob)
Bloguerra (guerra)








