Caricabatterie 50A e oltre
Moderatori:
carloc,
g.schgor,
BrunoValente,
IsidoroKZ
26 messaggi
• Pagina 2 di 3 • 1, 2, 3
0
voti
Qualche anno fa avevo prpgettato un caricabateria da circa 600W uscita fra 24 V e 30V. Non è proprio banale, non basta usare i MOS. Avevo un primo stadio a bpost che faceva da PFC, poi uno stadio a ponte intero, controllato in corrente, uscita push-pull con raddrizzamento a diodi. Per un 12V forse sarebbe meglio farlo sincrono.
Poi c'era un microprocessore per il controllo della carica della batteria. Non è proprio un circuito che si può fare dopo cena!
Poi c'era un microprocessore per il controllo della carica della batteria. Non è proprio un circuito che si può fare dopo cena!
Per usare proficuamente un simulatore, bisogna sapere molta più elettronica di lui
Plug it in - it works better!
Il 555 sta all'elettronica come Arduino all'informatica! (entrambi loro malgrado)
Se volete risposte rispondete a tutte le mie domande
Plug it in - it works better!
Il 555 sta all'elettronica come Arduino all'informatica! (entrambi loro malgrado)
Se volete risposte rispondete a tutte le mie domande
0
voti
Intanto ringrazio tutti.
Vorrei precisare che il caricabatterie, su una imbarcazione attiva e con frigorifero e servizi accesi h24 non serve prettamente per "caricare la batteria" ma per avere una sorgente di energia a motori spenti che aiuti le batterie nel lavoro.
Gli alternatori dei motori sono 2 da 50A l'uno, mica cotica!
Quindi se e' vero che il caricabatterie deve erogare 50A non vuol dire che tutti finiscano nelle batterie. Anzi.
Con un carico quasi fisso di 20A ce ne finiscono si e no 30.
Quasi mai si arrivera' alla seconda fase della carica, quella a tensione costante e corrente tendente a zero, perche' ci saranno sempre dei servizi che assorbiranno buona parte della corrente.
Ma anche se ce ne finissero 50A stiamo parlando di due batterie da 200Ah a cui fanno proprio il solletico.
Il caso in cui si debba usare un caricabatterie e' quando l'imbarcazione e' alla fonda (gruppo elettrogeno) o in banchina collegata al molo a 230V.
Ho visto che esistono degli alimentatori di server modificati per avere tensione e corrente variabile con tanto di meter V/A.
Sono da oltre 1kW e riescono a fornire una corrente (regolabile!) fino a 80A. Il costo e' inferiore a 150 euro e mi fiderei piu' di questi che di un caricabatterie che usa le spine a banana per fornire 50A!
Almeno qui i cavi sono saldati su due linee di 5cm che toccano tutte le piste del positivo e del negativo.
In ogni caso, e' un apparecchio da usare solo in emergenza in caso di batterie quasi scariche e quindi andrebbe usato con moderazione e sotto osservazione.
Grazie.
Vorrei precisare che il caricabatterie, su una imbarcazione attiva e con frigorifero e servizi accesi h24 non serve prettamente per "caricare la batteria" ma per avere una sorgente di energia a motori spenti che aiuti le batterie nel lavoro.
Gli alternatori dei motori sono 2 da 50A l'uno, mica cotica!
Quindi se e' vero che il caricabatterie deve erogare 50A non vuol dire che tutti finiscano nelle batterie. Anzi.
Con un carico quasi fisso di 20A ce ne finiscono si e no 30.
Quasi mai si arrivera' alla seconda fase della carica, quella a tensione costante e corrente tendente a zero, perche' ci saranno sempre dei servizi che assorbiranno buona parte della corrente.
Ma anche se ce ne finissero 50A stiamo parlando di due batterie da 200Ah a cui fanno proprio il solletico.
Il caso in cui si debba usare un caricabatterie e' quando l'imbarcazione e' alla fonda (gruppo elettrogeno) o in banchina collegata al molo a 230V.
Ho visto che esistono degli alimentatori di server modificati per avere tensione e corrente variabile con tanto di meter V/A.
Sono da oltre 1kW e riescono a fornire una corrente (regolabile!) fino a 80A. Il costo e' inferiore a 150 euro e mi fiderei piu' di questi che di un caricabatterie che usa le spine a banana per fornire 50A!
Almeno qui i cavi sono saldati su due linee di 5cm che toccano tutte le piste del positivo e del negativo.
In ogni caso, e' un apparecchio da usare solo in emergenza in caso di batterie quasi scariche e quindi andrebbe usato con moderazione e sotto osservazione.
Grazie.
0
voti
Tu metteresti un alimentatore da server modificato in un ambiente marino ?
O ancora ti fidi di più del tuo alimentatore modificato che non di un alimentatore pronto ?
Non a caso avevo consigliato un caricabatterie con 70A (+3A) d'uscita e non mi risulta sia con le boccoline....
Per quanto mi riguarda la soluzione è già stata data, se poi uno si sente di rischiare x euro di attrezatura andando a modificare (come?) un alimentatore pronto.
EcoTan piuttosto che un alimentatore modificato o uno fatto da 0 senza esperienza, direi che è meglio. Sei limitato sia in corrente che in tensione senza arzigogoli, tanto è solo in emergenza !
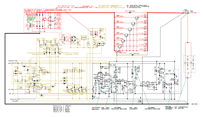
Voglio darti un idea, ti allego uno schema (che non so se neanche è l'ultimo) da questo post
è un lineare ma il principio non cambia, ovvero Hai le competenze per comprendere e realizare un circuito del genere ? Se vuoi modificare un circuito già fatto devi conoscerlo anche 10 volte meglio
per ammirazione: se
IsidoroKZ dice che è difficle (e ha citato solo 5 "moduli" e nessuna realizazione meccanica), vuol dire che serve almeno 1 anno di studio ancora.
Questo sono i miei pareri, che piacciano o meno sempre miei pareri rimangono.

O ancora ti fidi di più del tuo alimentatore modificato che non di un alimentatore pronto ?
Non a caso avevo consigliato un caricabatterie con 70A (+3A) d'uscita e non mi risulta sia con le boccoline....
Per quanto mi riguarda la soluzione è già stata data, se poi uno si sente di rischiare x euro di attrezatura andando a modificare (come?) un alimentatore pronto.
Voglio darti un idea, ti allego uno schema (che non so se neanche è l'ultimo) da questo post
è un lineare ma il principio non cambia, ovvero Hai le competenze per comprendere e realizare un circuito del genere ? Se vuoi modificare un circuito già fatto devi conoscerlo anche 10 volte meglio
per ammirazione: se
Questo sono i miei pareri, che piacciano o meno sempre miei pareri rimangono.

0
voti
Si', perche' non e' che si va mica a solcare l'altlantico per 2 mesi affidando la vita a questa roba. Si rompe? Pazienza.ThEnGi ha scritto:Tu metteresti un alimentatore da server modificato in un ambiente marino ?
Anche con questo da 100 euro.ThEnGi ha scritto:Sei limitato sia in corrente che in tensione senza arzigogoli, tanto è solo in emergenza !
E sono fatti per non fermarsi mai, per definizione.
Siamo nel 2023, non nel 1980. Grazie lo stesso.ThEnGi ha scritto:è un lineare ma...
no grazie, preferisco spendere 100 euro per avere il 90-95% di efficienza e molte meno possibilita' che mi vada a fuoco.ThEnGi ha scritto:vuol dire che serve almeno 1 anno di studio ancora.
Mi pare giusto. Grazie.ThEnGi ha scritto:Questo sono i miei pareri, che piacciano o meno sempre miei pareri rimangono.
Ultima modifica di
carsco il 15 ago 2023, 20:34, modificato 1 volta in totale.
0
voti
Hai idea di quanto sia grande, pesante e costoso un trasformatore di oltre 1kW? E come gia' detto, non siamo nel 1980. Grazie anche a te.EcoTan ha scritto:Se davvero lo usi sotto osservazione, sarei TENTATO di mettere un trafo e 4 diodi. Ma non è che costi poco.
0
voti
D'altra parte se tu avessi idea di come è fatto un alimentatore attuale faresti delle domande più mirate. Costruirne uno non è del tutto impossibile, personalmente mi sono fatto il caricabatterie per bici con uscita 48-60-72V e va bene. Naturalmente avevo qualche esperienza, ci ho messo del tempo e alla fine ho speso abbastanza ma non tantissimo, più o meno come acquistarlo.
Gli avvolgiment li ho fatti a mano, con 50A sarebbe un problema.
Gli avvolgiment li ho fatti a mano, con 50A sarebbe un problema.
0
voti
Mah, guarda, considerando che sara' un caricatore non portera' mai le batterie alla fine della carica, a me serve solo un alimentatore a tensione costante e con controllo di corrente. Tanto basta per avere un buon caricatore. Provvedero' anche a usare un banale termostato per interrompere tutto nel caso che la temperatura superi un certo limite e naturalmente fusibili per fermare in caso di anomalia dell'alimentatore.EcoTan ha scritto:D'altra parte se tu avessi idea di come è fatto un alimentatore attuale faresti delle domande più mirate.
Anche un controllo sulla tensione massima e' facile da realizzare sempre nel caso che l'alimentatore per un guasto non passi da CC a CV.
Credo proprio che l'alimentatore di server modificato sia la soluzione piu' economica e adatta alle mie esigenze.
Ma si', anche io mi riavvolgevo i trasformatori 30 anni fa, ma chi si metterebbe a fare cio' oggi, con queste potenze, con il rame alle stelle, senza il tempo, e con la tecnologia switching? Nemmeno sotto tortura.Costruirne uno non è del tutto impossibile, personalmente mi sono fatto il caricabatterie per bici con uscita 48-60-72V e va bene. Naturalmente avevo qualche esperienza, ci ho messo del tempo e alla fine ho speso abbastanza ma non tantissimo, più o meno come acquistarlo. Gli avvolgiment li ho fatti a mano, con 50A sarebbe un problema.
0
voti
Sull'uso di un banale termostato sono d'accordissimo,
sempre che il contatto ce la faccia.
Questa volta mi riferivo ad avvolgimenti su nucleo in ferrite per funzionamento switching a frequenza ultrasonica, non so se ero chiaro.
sempre che il contatto ce la faccia.
EcoTan ha scritto:Gli avvolgiment li ho fatti a mano, con 50A sarebbe un problema.
Questa volta mi riferivo ad avvolgimenti su nucleo in ferrite per funzionamento switching a frequenza ultrasonica, non so se ero chiaro.
26 messaggi
• Pagina 2 di 3 • 1, 2, 3
Chi c’è in linea
Visitano il forum: Nessuno e 39 ospiti

Elettrotecnica e non solo (admin)
Un gatto tra gli elettroni (IsidoroKZ)
Esperienza e simulazioni (g.schgor)
Moleskine di un idraulico (RenzoDF)
Il Blog di ElectroYou (webmaster)
Idee microcontrollate (TardoFreak)
PICcoli grandi PICMicro (Paolino)
Il blog elettrico di carloc (carloc)
DirtEYblooog (dirtydeeds)
Di tutto... un po' (jordan20)
AK47 (lillo)
Esperienze elettroniche (marco438)
Telecomunicazioni musicali (clavicordo)
Automazione ed Elettronica (gustavo)
Direttive per la sicurezza (ErnestoCappelletti)
EYnfo dall'Alaska (mir)
Apriamo il quadro! (attilio)
H7-25 (asdf)
Passione Elettrica (massimob)
Elettroni a spasso (guidob)
Bloguerra (guerra)








