Problema con calcolo corrente e tensione di un resistore
Moderatori:
g.schgor,
IsidoroKZ
16 messaggi
• Pagina 1 di 2 • 1, 2
1
voti
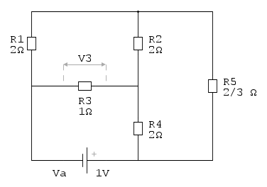
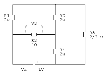
Buongiorno a tutti, premetto che sono un neofita dell'elettrotecnica, dovrei trovare le incognite v3 ed i3 presenti nel circuito qui sopra. Il modo in cui ho pensato di procedere è stato trasformare i resistori R1 R2 R3 da triangolo a stella così:
A questo punto mi posso calcolare la resistenza totale ( non so se si chiama così) e la corrente, mi trovo la tensione su R4, poi con una KVL mi calcolo la tensione su R3 e l'esercizio è in teoria risolto credo.
È il modo corretto di procedere? Ci son vie alternative per evitarmi la trasformazione triangolo-stella eventualmente?
Vi ringrazio in anticipo.
-

GianniSenzaTerra
20 3 - Messaggi: 8
- Iscritto il: 14 ago 2023, 20:05
2
voti
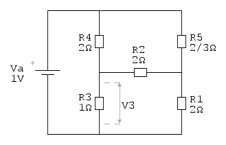
In questi esercizi spesso ridisegnare il circuito ordinato in modo diverso li rende più comprensibili
Dopo di che applicherei la sovrapposizione degli effetti cortocircuitando un generatore alla volta e sommando i contributi su R3.
Dopo di che applicherei la sovrapposizione degli effetti cortocircuitando un generatore alla volta e sommando i contributi su R3.
Una domanda ben posta è già mezza risposta.
2
voti
Senza nulla togliere alla interessante proposta di
djnz, ti propongo due alternative.
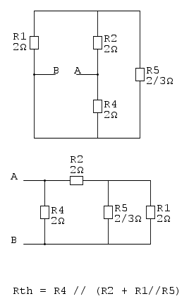
1) Thevenin
Staccando R3 dai morsetti A e B:
- Cortocircuitando il generatore indipendente di tensione trovi la Rth (R4 risulta proprio fra A e B).
- Poi calcoli la tensione a vuoto Vth, anche questo molto facile (calcoli ad es prima la tensione ai capi di R1, un semplice partitore, poi noti che la tensione fra A e B è quella di R1 più quello che rimane diviso 2 poiché R4=R2)
Ottieni
Sembra immediato.
2) trasformazione stella triangolo
Sia dal disegno originale, sia da quello modificato da
djnz, noti che R1, R2, R5 sono a stella, se le modifichi a triangolo hai:
Notando che Rac non influisce sul circuito (se non per l'energia) la puoi benissimo omettere ed hai un semplice partitore per trovare la tensione fra A e B, nota quella calcoli poi la corrente in R3...
1) Thevenin
Staccando R3 dai morsetti A e B:
- Cortocircuitando il generatore indipendente di tensione trovi la Rth (R4 risulta proprio fra A e B).
- Poi calcoli la tensione a vuoto Vth, anche questo molto facile (calcoli ad es prima la tensione ai capi di R1, un semplice partitore, poi noti che la tensione fra A e B è quella di R1 più quello che rimane diviso 2 poiché R4=R2)
Ottieni
Sembra immediato.
2) trasformazione stella triangolo
Sia dal disegno originale, sia da quello modificato da
Notando che Rac non influisce sul circuito (se non per l'energia) la puoi benissimo omettere ed hai un semplice partitore per trovare la tensione fra A e B, nota quella calcoli poi la corrente in R3...
0
voti
Grazie ad entrambi, la cosa che mi preoccupa è che io pur capendo come avete ridisegnato il circuito non so se riuscirei a farlo in autonomia, mi rendo conto che serve esperienza che al momento non ho.
In particolare rispetto alla soluzione con Thevenin, siccome è uno metodi che provo ad applicare più spesso, ho provato a farlo anche qui, solo che dal disegno originale non riuscivo a trovare una parte di circuito a cui applicarlo mentre in quelle proposto da GioArca67 è intuitivo e si vede subito a quale bipolo applicarlo.
È possibile farlo anche dal disegno originale eventualmente? Ci ho provato un po' però in pratica mi verrebbe sempre la Vth nulla perché mi rimarrebbe sconnesso(?) il generatore di tensione.
In particolare rispetto alla soluzione con Thevenin, siccome è uno metodi che provo ad applicare più spesso, ho provato a farlo anche qui, solo che dal disegno originale non riuscivo a trovare una parte di circuito a cui applicarlo mentre in quelle proposto da GioArca67 è intuitivo e si vede subito a quale bipolo applicarlo.
È possibile farlo anche dal disegno originale eventualmente? Ci ho provato un po' però in pratica mi verrebbe sempre la Vth nulla perché mi rimarrebbe sconnesso(?) il generatore di tensione.
-

GianniSenzaTerra
20 3 - Messaggi: 8
- Iscritto il: 14 ago 2023, 20:05
3
voti
GianniSenzaTerra ha scritto:È possibile farlo anche dal disegno originale eventualmente?
Non c'è differenza, è lo stesso circuito, disegnato in modo più o meno comprensibile.
Esattamente come questi due sono lo stesso circuito
Una domanda ben posta è già mezza risposta.
0
voti
Chiarissimo ora, grazie davvero, più tardi provo a finire l'esercizio!
-

GianniSenzaTerra
20 3 - Messaggi: 8
- Iscritto il: 14 ago 2023, 20:05
0
voti
Ovviamente si potrebbe anche usare l'Extra Element Theorem.
Considerando come EE il resistore R2,

xxxxxxxxxxxxxxxxxxxxxxxxxxxxxxxx
Lascio ai giovani studenti i dettagli della spiegazione.
Considerando come EE il resistore R2,

xxxxxxxxxxxxxxxxxxxxxxxxxxxxxxxx
Lascio ai giovani studenti i dettagli della spiegazione.
"Il circuito ha sempre ragione" (Luigi Malesani)
0
voti
Viene un po' diverso però...
Il risultato (coi metodi un po' più tradizionali) dovrebbe essere 8/19, ma di certo 423mV vs. 421mV è una differenza irrisoria...
Per l'EET si può guardare qui:
https://www.electroyou.it/forum/viewtopic.php?f=1&t=82947&p=873383&hilit=Vorperian#p873383
Il risultato (coi metodi un po' più tradizionali) dovrebbe essere 8/19, ma di certo 423mV vs. 421mV è una differenza irrisoria...
Per l'EET si può guardare qui:
https://www.electroyou.it/forum/viewtopic.php?f=1&t=82947&p=873383&hilit=Vorperian#p873383
0
voti
Ho cancellato il passaggio numerico perché avevo fatto un errore; ... sto proprio invecchiando.

a denominatore mi ero dimenticato di dividere per R2 e a numeratore avevo proprio sbagliato il calcolo per la RN , che tra l'altro è davvero semplicissimo; che somaro


a denominatore mi ero dimenticato di dividere per R2 e a numeratore avevo proprio sbagliato il calcolo per la RN , che tra l'altro è davvero semplicissimo; che somaro
"Il circuito ha sempre ragione" (Luigi Malesani)
0
voti
Applicando Thevenin a me viene cosi, VR3=0,474 V , a voi viene VR3=8/19=0,421 V
Rth resistenza equivalente vista da morsetti A e B vale Rth=1,1111 Ohm
Dove sbaglio ?
Rth resistenza equivalente vista da morsetti A e B vale Rth=1,1111 Ohm
Dove sbaglio ?
Scopo principale della nostra vita , è dare prosieguo alla vita , come tutti gli esseri viventi fanno.
16 messaggi
• Pagina 1 di 2 • 1, 2
Torna a Elettrotecnica generale
Chi c’è in linea
Visitano il forum: Nessuno e 18 ospiti

Elettrotecnica e non solo (admin)
Un gatto tra gli elettroni (IsidoroKZ)
Esperienza e simulazioni (g.schgor)
Moleskine di un idraulico (RenzoDF)
Il Blog di ElectroYou (webmaster)
Idee microcontrollate (TardoFreak)
PICcoli grandi PICMicro (Paolino)
Il blog elettrico di carloc (carloc)
DirtEYblooog (dirtydeeds)
Di tutto... un po' (jordan20)
AK47 (lillo)
Esperienze elettroniche (marco438)
Telecomunicazioni musicali (clavicordo)
Automazione ed Elettronica (gustavo)
Direttive per la sicurezza (ErnestoCappelletti)
EYnfo dall'Alaska (mir)
Apriamo il quadro! (attilio)
H7-25 (asdf)
Passione Elettrica (massimob)
Elettroni a spasso (guidob)
Bloguerra (guerra)
















