Salve, un po di tempo fa ho comperato un sensore SCT, finalmente mi sono deciso a provarlo.
Ho provato il sensore (seguendo vari tutorial), ma non ricevo un segnale. Vorrei sapere come posso provarlo.
Le prove che ho fatto sono:
- attaccato le due estremita all'oscilloscopio e attaccato un carico (ventilatore 3 velocità).
- misurata resistenza ai capi del sensore (105,5 Ohm).
C'è qualche altra prova che posso fare per verificare che il sensore funzioni ?
n.b.
la parte mobile del sensore ha il mezzo magnete che non è fisso, ma si muove leggermente. Potrebbe essere che manchi una molla o altro che mette in "pressione" le due metà del toro ?
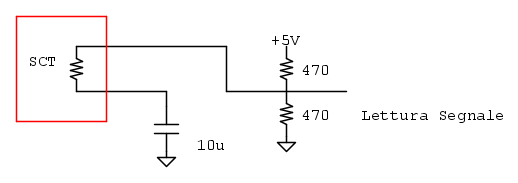
Schema:
Grazie
Sensore Corrente SCT-013-010
11 messaggi
• Pagina 1 di 2 • 1, 2
0
voti
dove lo hai attaccato il carico? spero alla rete elettrica AC.
poi, hjai preso un solo conduttore di alimentazine a paoto entro il nucleo? se matti l'intero cavo vai ad ottenere un differenziale, certo che non segna pressoche niente, i due fili annulleranno il loro campo a vicenda.
poi, hjai preso un solo conduttore di alimentazine a paoto entro il nucleo? se matti l'intero cavo vai ad ottenere un differenziale, certo che non segna pressoche niente, i due fili annulleranno il loro campo a vicenda.
-

lelerelele
4.899 3 7 9 - Master

- Messaggi: 5505
- Iscritto il: 8 giu 2011, 8:57
- Località: Reggio Emilia
0
voti
Guarda questo post con misure fatte con il tuo stesso sensore di corrente:
viewtopic.php?f=3&t=88997&p=952603#p952603
viewtopic.php?f=3&t=88997&p=952603#p952603
0
voti
Scusa Elfo, ma non capisco... In quel post si parla di dispersione e contattori che scattano... (comunque provo a leggere meglio).
Io vorrei verificare se il sensore è funzionante o meno.
Se io inserisco un solo conduttore e attacco il sensore all'oscilloscopio, dovrei vedere l'uscita +/- 1 V max, corretto (in base all'assorbimento ovviamente)?
Potrebbe essere il toro che non chiude con abbastanza pressione ?
Che prove posso fare sul sensore ?
Io vorrei verificare se il sensore è funzionante o meno.
Se io inserisco un solo conduttore e attacco il sensore all'oscilloscopio, dovrei vedere l'uscita +/- 1 V max, corretto (in base all'assorbimento ovviamente)?
Potrebbe essere il toro che non chiude con abbastanza pressione ?
Che prove posso fare sul sensore ?
1
voti
Dalla tabella del post citato risulta che con una corrente di 40 mA la tensione di uscita al sensore di corrente e' 15 mV AC. Tabella e Fig. 1a.
Il sensore utilizzato in questa misura e' 5A/1V
Il tuo sensore di corrente e' 10A/1V quindi mi aspetto una tensione in uscita dimezzata rispetto a quella della misura citata a parita' di corrente.
- Qual e' la corrente che vuoi misurare (quanto assorbe il tuo ventilatore)?
- Che tensione (non) misuri nel tuo caso (qual e' la risoluzione di misura del tuo sistema di misura)?
Il sensore utilizzato in questa misura e' 5A/1V
Il tuo sensore di corrente e' 10A/1V quindi mi aspetto una tensione in uscita dimezzata rispetto a quella della misura citata a parita' di corrente.
- Qual e' la corrente che vuoi misurare (quanto assorbe il tuo ventilatore)?
- Che tensione (non) misuri nel tuo caso (qual e' la risoluzione di misura del tuo sistema di misura)?
1
voti
Inizia a Snellire il circuito, metti una resistenza da 100k in parallelo e attaccaci l'oscilloscopio.
Ho paura che il circuito che usi per elevare il potenziale a 2.5V carichi troppo il sensore e il condensatore filtri tutta la componente AC.
Il circuito lo hai preso da un forum di "Arduino" ?
Se proprio devi condizionarlo farei così:

Ho paura che il circuito che usi per elevare il potenziale a 2.5V carichi troppo il sensore e il condensatore filtri tutta la componente AC.
Il circuito lo hai preso da un forum di "Arduino" ?
Se proprio devi condizionarlo farei così:

0
voti
Ok, ora ho capito... (Scusa).
In teoria il ventilatore dovrebbe essere un 50W quindi circa 200 mA -> 20 mV
A valle del sensore c'è un OpAmp con guadagno circa 15, quindi circa 300 mV.
Proverò (stasera) a usare un carico maggiore (Phon).
Ok, stasera provo entrambe le soluzioni (osc e circuito modificato).
Si preso da un forum Arduino...
Grazie
In teoria il ventilatore dovrebbe essere un 50W quindi circa 200 mA -> 20 mV
A valle del sensore c'è un OpAmp con guadagno circa 15, quindi circa 300 mV.
Proverò (stasera) a usare un carico maggiore (Phon).
ThEnGi ha scritto:Inizia a Snellire il circuito, metti una resistenza da 100k[OHM] in parallelo e attaccaci l'oscilloscopio.
Ho paura che il circuito che usi per elevare il potenziale a 2.5V carichi troppo il sensore e il condensatore filtri tutta la componente AC.
Il circuito lo hai preso da un forum di "Arduino" ?
Se proprio devi condizionarlo farei così:
...
Ok, stasera provo entrambe le soluzioni (osc e circuito modificato).
Si preso da un forum Arduino...
Grazie
1
voti
Non serve nessun circuito (modificato o meno).
Collega all'uscita del trasformatore di corrente SOLO un tester in AC con fondo scala 2 V e fai scorrere una corrente "robusta" (circa 5 A).
Dovresti misurare1 V 0.5 V AC
Collega all'uscita del trasformatore di corrente SOLO un tester in AC con fondo scala 2 V e fai scorrere una corrente "robusta" (circa 5 A).
Dovresti misurare
11 messaggi
• Pagina 1 di 2 • 1, 2
Chi c’è in linea
Visitano il forum: Nessuno e 1 ospite

Elettrotecnica e non solo (admin)
Un gatto tra gli elettroni (IsidoroKZ)
Esperienza e simulazioni (g.schgor)
Moleskine di un idraulico (RenzoDF)
Il Blog di ElectroYou (webmaster)
Idee microcontrollate (TardoFreak)
PICcoli grandi PICMicro (Paolino)
Il blog elettrico di carloc (carloc)
DirtEYblooog (dirtydeeds)
Di tutto... un po' (jordan20)
AK47 (lillo)
Esperienze elettroniche (marco438)
Telecomunicazioni musicali (clavicordo)
Automazione ed Elettronica (gustavo)
Direttive per la sicurezza (ErnestoCappelletti)
EYnfo dall'Alaska (mir)
Apriamo il quadro! (attilio)
H7-25 (asdf)
Passione Elettrica (massimob)
Elettroni a spasso (guidob)
Bloguerra (guerra)






