Buongiorno,
ho un convertitore DC(80)/DC(24) da 800W che in ingresso mi assorbe nominalmente circa 2 A ma, quando premo il pulsante per attivarlo, mi da un picco di corrente di circa 8-10 A. Accade solo alla sua inserzione.
Conoscete qualche metodo semplice per evitare questo effetto poco gradito che per altro genera anche un poco gradito arco elettrico sui contatti del NO del pulsante, appena lo premo?
Grazie.
Picchi di corrente su convertitore DC/DC
Moderatori:
sebago,
MASSIMO-G,
lillo,
Mike
11 messaggi
• Pagina 1 di 2 • 1, 2
1
voti
Povresti mettere una resistenza di inserzione in serie al DCDC che poi va disinserita finita la precarica oppure piu' semplicente il pulsante va ad agire su un relè opportunamente scelto. Dipende un po' dall'applicazione e spazi disponibili
4
voti
pubblicità...
Per dire che esistono prodotti che hanno proprio la funzione che cerchi.
Ora bisogna capire se vuoi una soluzione "amatoriale" e su questo hai già avuto indicazioni oppure è un qualcosa di professionale magari da installare presso un cliente
Per dire che esistono prodotti che hanno proprio la funzione che cerchi.
Ora bisogna capire se vuoi una soluzione "amatoriale" e su questo hai già avuto indicazioni oppure è un qualcosa di professionale magari da installare presso un cliente
-

luxinterior
4.311 3 4 9 - Master EY

- Messaggi: 2690
- Iscritto il: 6 gen 2016, 17:48
0
voti
gill90 ha scritto:Come è fatto questo DC/DC?
Se ho capito bene tu lo precarichi inizialmente e poi lo contatti a valle, potresti postare uno schema dei collegamenti?
Com'è fatto internamente al livello circuitale non lo so.
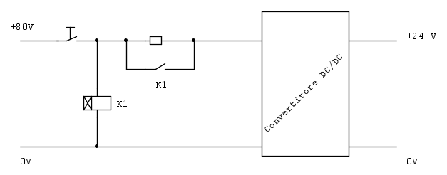
Converte la 80VDC in 24 VDC. So questo.
Sullo schema c'è poco da dire.
Parto dal polo positivo della batteria che va al contatto NO del pulsante che va, in serie, al polo 80 VDC IN del DC/DC, lato 80VDC ovviamente.
luxinterior ha scritto:pubblicità...
Per dire che esistono prodotti che hanno proprio la funzione che cerchi.
Ora bisogna capire se vuoi una soluzione "amatoriale" e su questo hai già avuto indicazioni oppure è un qualcosa di professionale magari da installare presso un cliente
Non sapevo esistessero anche se lo immaginavo.
Però economicamente è meno dispendioso comprare un interruttore più robusto.
L'idea era sfruttare qualche accorgimento a basso costo.
L'idea della resistenza non è male. Immagino vada messa in parallelo al NO del pulsante e praticamente lo cortocircuita fin tanto che non premo il pulsante cioè arriva sempre corrente al DC-DC.
Ma in questa maniera il convertitore non è sempre alimentato?
1
voti
interessante, non sapevo neanch'io che esistessero, li avevo anche cercati tanto
Sai come funzionano? C'è un PTC che viene bypassato?
Sai come funzionano? C'è un PTC che viene bypassato?
-

SediciAmpere
4.187 5 5 8 - Master

- Messaggi: 4847
- Iscritto il: 31 ott 2013, 15:00
1
voti
L'idea era sfruttare qualche accorgimento a basso costo.
L'idea della resistenza non è male. Immagino vada messa in parallelo al NO del pulsante e praticamente lo cortocircuita fin tanto che non premo il pulsante cioè arriva sempre corrente al DC-DC.
Ma in questa maniera il convertitore non è sempre alimentato?
Non ho ben capito cosa sia il NO del pulsante
Penso debba essere messa in serie all'alimentazione con uno switch in parallelo che la inserisce alla sua apertura e la disinserisce dopo la carica.
presumo sia inserito così da limitare la tensione disponibile ai banchi di condensatori che devono caricarsi, sostanzialmente come se si caricassero in due step - all'inserzione e alla successiva cortocircuitazione della resistenza (o se vuoi pensarla diversamente, aumentando l'impedenza della sorgente, oppure allungando il transitorio temporale in cui vanno a caricarsi).
un'altra soluzione potrebbe essere l'inserimento di un'induttanza per limitare la corrente, ma penso sia più rischioso per eventuali problemi di risonanza etc. e non so che effetto abbia una sua circuitazione.
chiaramente se sto dicendo cose sbagliate correggetemi pure! ciao
2
voti
mdian ha scritto:Non ho ben capito cosa sia il NO del pulsante
NO = Normally Open = Normalmente aperto
La soluzione automatizata è una resistenza in serie al contatto bypassata da un relè temporizato
In alternativa un NTC di potenza adeguata

1
voti
luxinterior ha scritto:pubblicità...
Sicuramente tutto in un modulo è più profesionale e adatto ad un cliente finale

1
voti
Esistono anche dei sistemi basati su hot swap: permettono di controllare un MOSFET in serie al circuito di alimentazione che regola la tensione di uscita e ne limita la crescita.
Poi puoi decidere se bypassare questo MOS con un relè oppure lasciarlo sempre attaccato (se scegli bene il MOSFET puoi avere resistenza di canale nell'ordine del milliohm).
Poi puoi decidere se bypassare questo MOS con un relè oppure lasciarlo sempre attaccato (se scegli bene il MOSFET puoi avere resistenza di canale nell'ordine del milliohm).
11 messaggi
• Pagina 1 di 2 • 1, 2
Torna a Impianti, sicurezza e quadristica
Chi c’è in linea
Visitano il forum: Nessuno e 102 ospiti

Elettrotecnica e non solo (admin)
Un gatto tra gli elettroni (IsidoroKZ)
Esperienza e simulazioni (g.schgor)
Moleskine di un idraulico (RenzoDF)
Il Blog di ElectroYou (webmaster)
Idee microcontrollate (TardoFreak)
PICcoli grandi PICMicro (Paolino)
Il blog elettrico di carloc (carloc)
DirtEYblooog (dirtydeeds)
Di tutto... un po' (jordan20)
AK47 (lillo)
Esperienze elettroniche (marco438)
Telecomunicazioni musicali (clavicordo)
Automazione ed Elettronica (gustavo)
Direttive per la sicurezza (ErnestoCappelletti)
EYnfo dall'Alaska (mir)
Apriamo il quadro! (attilio)
H7-25 (asdf)
Passione Elettrica (massimob)
Elettroni a spasso (guidob)
Bloguerra (guerra)







