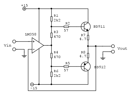
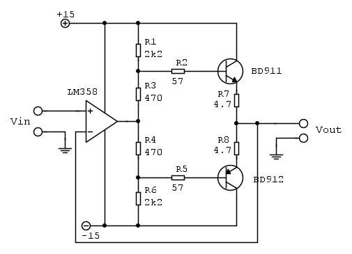
L'ultimo schema mi pare sensato.
Per esercizio e verifica, calcola la potenza dissipata dai transistor quando Vi = 0 ( e di conseguenza Vout = 0 V).
Generatore di segnale AD9850
Moderatori:
carloc,
g.schgor,
BrunoValente,
IsidoroKZ
34 messaggi
• Pagina 3 di 4 • 1, 2, 3, 4
0
voti
Prova nella simulazione ad abbassare la tensione di alimentazione da +-17 V a +-15 o 12 V.
Oppure mettere R 4,7 ohm in serie agli emettitori.
Poi simula in presenza di un segnale Vi sinusoidale.
Scoprirai che impieghi più tempo a simulare che a saldare un componente su un breadboard e provare.
Si dovrebbero raggiungere gli stessi risultati del simulatore con i seguenti calcoli:
Valim = 17 V; R1 = 2200; R3= 470 ; R4 = 57 ohm; Hfe = 50; Vbe = 0,6 V
Veq = Valim*(R3/(R3+R1); Req = (R1*R3)/(R1+R3)+R4;
Ib = ((Veq - Vbe)/Req); Ic = Hfe * Ib;
Pdissipata = Valim * Ic
Oppure mettere R 4,7 ohm in serie agli emettitori.
Poi simula in presenza di un segnale Vi sinusoidale.
Scoprirai che impieghi più tempo a simulare che a saldare un componente su un breadboard e provare.
Si dovrebbero raggiungere gli stessi risultati del simulatore con i seguenti calcoli:
Valim = 17 V; R1 = 2200; R3= 470 ; R4 = 57 ohm; Hfe = 50; Vbe = 0,6 V
Veq = Valim*(R3/(R3+R1); Req = (R1*R3)/(R1+R3)+R4;
Ib = ((Veq - Vbe)/Req); Ic = Hfe * Ib;
Pdissipata = Valim * Ic
0
voti
Ok farò tutti i vari test consigliati.
La resistenza da 4,7ohm che mi consigli di mettere in serie agli emettitori sarebbe praticamente una resistenza di ballast giusto?
Lo chiedo perché proprio ieri parlando con un collega di questo circuito me l'aveva consigliata
Così:
La resistenza da 4,7ohm che mi consigli di mettere in serie agli emettitori sarebbe praticamente una resistenza di ballast giusto?
Lo chiedo perché proprio ieri parlando con un collega di questo circuito me l'aveva consigliata
Così:
0
voti
praticamente una resistenza di ballast giusto?
Si, mi pare che sia così, il termine zavorra ha diversi significati. E' usato nello schema del vecchissimo uA741 come limitatore di corrente e protezione dai cortocircuiti.
0
voti
edgar ha scritto:Addio ai 500 kHz in questo caso
Addio anche ai 50kHz, non penso ci si possa spingere oltre i 20/25kHz senza distorsioni
R7/R8 in funzionamento dissipano una potenza non trascurabile.
Si stà progettando un ottima stufetta
Il 358 eroga abbastanza corrente per pilotare i due BJT ?

5
voti
Mi pare un thread partito male con richieste ingiustificate (1A di uscita) e circuiti non corretti, e che sta virando per il peggio con schemi opinabili (nessuna protezione da sovraccarichi, circuiti propensi alla fuga termica e con sensibilita` esponenziali alle variazioni della tensione di alimentazione, uso di operazionali notoriamente scarsi come caratteristiche di linearita`...).
I generatori di segnali sono generatori di segnali, non alimentatori: tipicamente hanno una resistenza di uscita controllata, spesso 50 ohm, e le correnti di uscita sono limitate a un paio di centinaia di milliampere.
Sarebbe secondo me opportuno partire con delle specifiche ragionevoli, poi vedere se eventualmente si puo` costruire qualcosa.
I generatori di segnali sono generatori di segnali, non alimentatori: tipicamente hanno una resistenza di uscita controllata, spesso 50 ohm, e le correnti di uscita sono limitate a un paio di centinaia di milliampere.
Sarebbe secondo me opportuno partire con delle specifiche ragionevoli, poi vedere se eventualmente si puo` costruire qualcosa.
Per usare proficuamente un simulatore, bisogna sapere molta più elettronica di lui
Plug it in - it works better!
Il 555 sta all'elettronica come Arduino all'informatica! (entrambi loro malgrado)
Se volete risposte rispondete a tutte le mie domande
Plug it in - it works better!
Il 555 sta all'elettronica come Arduino all'informatica! (entrambi loro malgrado)
Se volete risposte rispondete a tutte le mie domande
34 messaggi
• Pagina 3 di 4 • 1, 2, 3, 4
Chi c’è in linea
Visitano il forum: Google Adsense [Bot] e 129 ospiti

Elettrotecnica e non solo (admin)
Un gatto tra gli elettroni (IsidoroKZ)
Esperienza e simulazioni (g.schgor)
Moleskine di un idraulico (RenzoDF)
Il Blog di ElectroYou (webmaster)
Idee microcontrollate (TardoFreak)
PICcoli grandi PICMicro (Paolino)
Il blog elettrico di carloc (carloc)
DirtEYblooog (dirtydeeds)
Di tutto... un po' (jordan20)
AK47 (lillo)
Esperienze elettroniche (marco438)
Telecomunicazioni musicali (clavicordo)
Automazione ed Elettronica (gustavo)
Direttive per la sicurezza (ErnestoCappelletti)
EYnfo dall'Alaska (mir)
Apriamo il quadro! (attilio)
H7-25 (asdf)
Passione Elettrica (massimob)
Elettroni a spasso (guidob)
Bloguerra (guerra)









