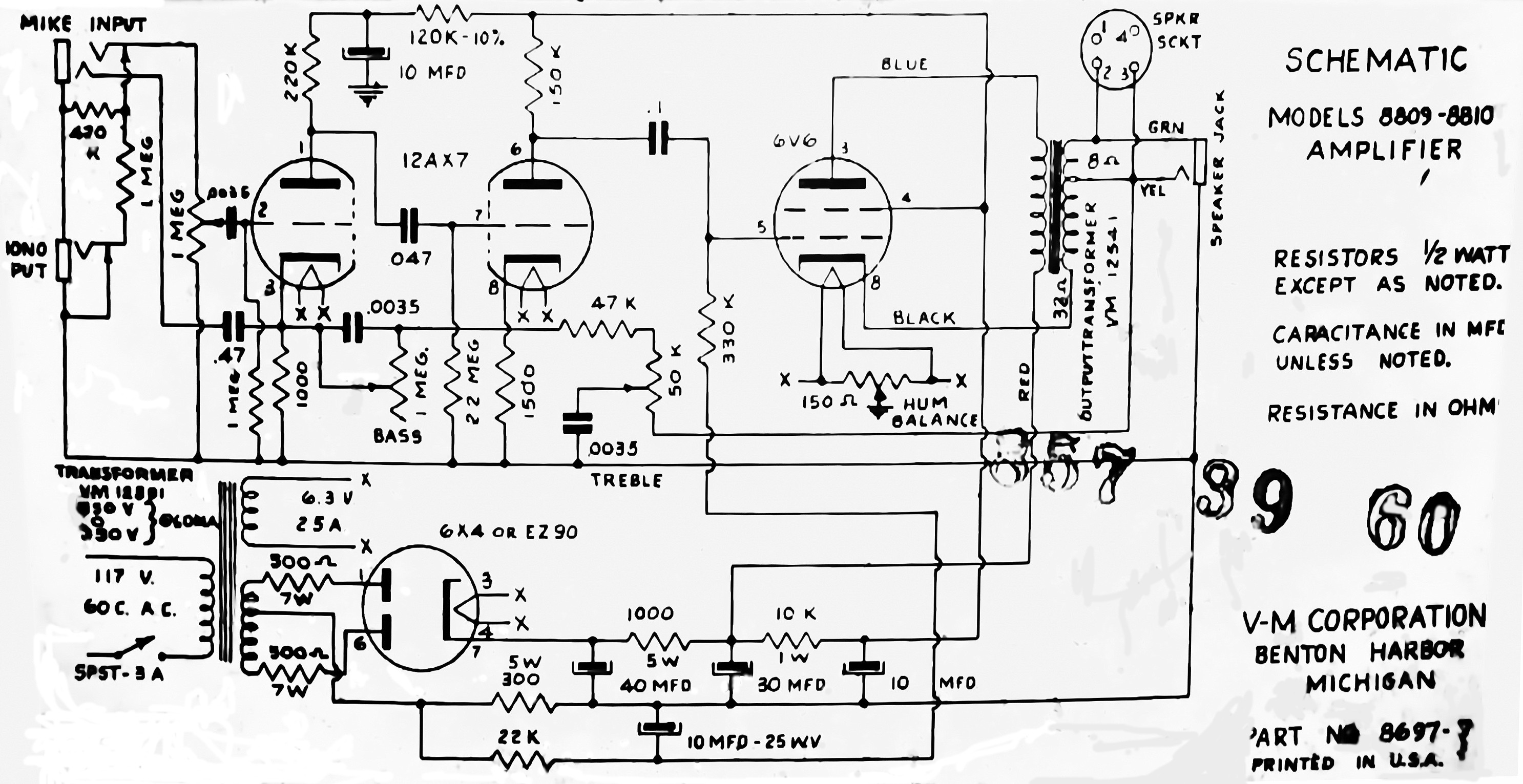
Nello scherma con la 6X4, i resistori da 500 ohm servono a proteggere il secondario del trasformatore nel caso che il catodo vada in dispersione (cortocircuito) con il filamento?
Non sono un purista, sostituirei la 6X4 con due diodi 1N4007 lasciando i ressistori 500 ohm, almeno si risparmia la potenza di riscaldamento del filamento.
Consuma meno, scalda di meno, maggiore affidabilità.
Per i condensatori, avranno messo gli 8 uF valore strettamente sufficiente, perché minore capacità significa minor costo e minor ingombro.
Maggiore capacità vuol dire miglior filtraggio e quindi minor ronzio a 100 Hz.
Condensatore elettrolitico multiplo cambio valore capacità ?
Moderatori:
carloc,
g.schgor,
BrunoValente,
IsidoroKZ
33 messaggi
• Pagina 3 di 4 • 1, 2, 3, 4
1
voti
Io credo che le due resistenze da 500 servano a ridurre la corrente di carica dei condensatori
Nemmeno io sono un purista, non sono nemmeno appassionato
Ma occhio che i diodi hanno molto minori resistenza interna e caduta delle raddrizzatrici, secondo me serve aumentare le resistenze di filtro sull'anodica
Nemmeno io sono un purista, non sono nemmeno appassionato
Ma occhio che i diodi hanno molto minori resistenza interna e caduta delle raddrizzatrici, secondo me serve aumentare le resistenze di filtro sull'anodica
-

standardoil
547 2 4 - Stabilizzato

- Messaggi: 424
- Iscritto il: 15 lug 2022, 19:14
1
voti
Ho trovato questo:
https://www.radiomuseum.org/tubes/tube_6x4.html
Da un mio vecchio catalogo FIVRE del settembre 1963 :
6X4 doppio diodo raddrizzatore due semionde.
max corrente continua in uscita 70 mA
Massima tensione anodica inversa 1250 V
Massima tensione anodica alternata 325 Veff
Picco massimo della corrente anodica (per diodo) 210 mA
Caduta interna di tensione a 70 mA 22 V
Si potrebbe ricavare da 22 V/0,07 A = 314 ohm resistenza equivalente media del diodo in conduzione.
Ma non sono sicuro se i valori sono in condizioni di corrente continua o sono i valori medi quando conduce nella semionda.
Per i calcoli precisi della resistenza in serie da mettere in caso di 1N4007, occorre conoscere anche la resistenza dell'avvolgimento del secondario alta tensione del trasformatore (misurata fra anodo e anodo del diodo 6X4 o fra massa e un anodo )
A voler essere pignoli misurare anche la resistenza del primario del trasformatore.
https://www.radiomuseum.org/tubes/tube_6x4.html
Da un mio vecchio catalogo FIVRE del settembre 1963 :
6X4 doppio diodo raddrizzatore due semionde.
max corrente continua in uscita 70 mA
Massima tensione anodica inversa 1250 V
Massima tensione anodica alternata 325 Veff
Picco massimo della corrente anodica (per diodo) 210 mA
Caduta interna di tensione a 70 mA 22 V
Si potrebbe ricavare da 22 V/0,07 A = 314 ohm resistenza equivalente media del diodo in conduzione.
Ma non sono sicuro se i valori sono in condizioni di corrente continua o sono i valori medi quando conduce nella semionda.
Per i calcoli precisi della resistenza in serie da mettere in caso di 1N4007, occorre conoscere anche la resistenza dell'avvolgimento del secondario alta tensione del trasformatore (misurata fra anodo e anodo del diodo 6X4 o fra massa e un anodo )
A voler essere pignoli misurare anche la resistenza del primario del trasformatore.
1
voti
Il trasformatore non cambia non serve tenerne conto
I diodi si
Da due a vuoto con 22V di caduta a due al silicio con Si e no 1V di caduta
I diodi si
Da due a vuoto con 22V di caduta a due al silicio con Si e no 1V di caduta
-

standardoil
547 2 4 - Stabilizzato

- Messaggi: 424
- Iscritto il: 15 lug 2022, 19:14
1
voti
Sapete che non avevo fatto caso che avevano cambiato la raddrizzatrice.
Non è facile far cambiare idea di scelta su uno schema che è già stato realizzato,
Ci sono i vantaggi circuitali che gli audiofili riscontrano e..... è perfetto!
Consideriamo anche che c'è almeno un 5% circa in più sulla rete, da 220 V a 230V così recupera 0,3 V .
Ma perché cambiare valvola! Lascierei la la 5Y3 con la tensione di filamento più ardita e metterei le resistenze di anodo.
Non è facile far cambiare idea di scelta su uno schema che è già stato realizzato,
Ci sono i vantaggi circuitali che gli audiofili riscontrano e..... è perfetto!
Consideriamo anche che c'è almeno un 5% circa in più sulla rete, da 220 V a 230V così recupera 0,3 V .
Ma perché cambiare valvola! Lascierei la la 5Y3 con la tensione di filamento più ardita e metterei le resistenze di anodo.
Alex
https://www.facebook.com/Elettronicaeelettrotecnica
<< vedi di pigliare arditamente in mano, il dizionario che ti suona in bocca,
se non altro è schietto e paesano.
(Giuseppe Giusti) <<
https://www.facebook.com/Elettronicaeelettrotecnica
<< vedi di pigliare arditamente in mano, il dizionario che ti suona in bocca,
se non altro è schietto e paesano.
(Giuseppe Giusti) <<
1
voti
Scusate, avevo capito male io
Il telaio in originale ha la raddrizzatrice a 6V e trasformatore adatto
Quindi si tratta non di un cambio ma di un adattamento
E quindi sì, il trasformatore è diverso rispetto al primo schema indicato
Mi scuso
Il telaio in originale ha la raddrizzatrice a 6V e trasformatore adatto
Quindi si tratta non di un cambio ma di un adattamento
E quindi sì, il trasformatore è diverso rispetto al primo schema indicato
Mi scuso
-

standardoil
547 2 4 - Stabilizzato

- Messaggi: 424
- Iscritto il: 15 lug 2022, 19:14
0
voti
@
SediciAmpere
Non sono io (che non suono) a dirlo, sono gli strimpellatori e la cosa è confermata da moltissime fonti
comunque ragionandoci su sono convinto di capire cosa intendono e concordo con loro
è nel Fender 5F2A che la tensione misurata di solito è di circa 350V
@
setteali
Grazie dell'offerta ma ti è sfuggito che l'amplificatore che si sta modificando in un 5F2A non è mio e, per dirla tutta, neanche di chi ci sta mettendo le mani, è di un suo amico, la cosa che comunque blocca tutto è che tutti e due sono negli USA (quello che ci sta lavorando è un mio amico su di un Forum Americano), avrei comunque avuto da qualche parte un paio di quei condensatori già svuotati ed altri pronti per esserlo
@
standardoil
Nel Fender la valvola raddrizzatrice è una 5Y3 ma nell'amplificatore che si sta convertendo è una 6X4, quindi nessun assorbimento in più, ovviamente trattandosi di una conversione si mantiene quanto si può dell'amplificatore "donatore", tra l'altro mancando nel TA un avvolgimento a 5V non sarebbe possibile passare a tale tipo di raddrizzatrice
vedi risposte qui sotto
@
MarcoD
In realtà lo scopo per il quale i due resistori da 500R sono presenti può avere varie ragioni
La principale è che le valvole raddrizzatrici abbisognano di un valore minimo di resistenza dell'avvolgimento che le alimenta (vedere i datasheet), per cui si aggiungono uno o due resistori in serie all'avvolgimento tra lo stesso e la valvola raddrizzatrice
Qui trovi una buona documentazione che spiega quello che dico
http://www.valvewizard.co.uk/bridge.html
altro motivo può essere per ridurre la tensione magari un po' alta
ed altro ancora per mitigare l'inrush current
L'amplificatore "donatore" è stato costruito sia senza che con quelle resistenze, vedi schemi
Il motivo certo per il quale sia stato deciso di aggiungerle non è dato sapere, potrebbe essere che abbiano cambiato il modo di avvolgere il TA o potrebbe essere che si siano accorti di una certa tendenza della valvola raddrizzatrice a perire, magari a causa del primo condensatore di filtro da 40uF a fronte di una richiesta da datasheet di soli 10uF
Quanto al passare dalla Raddrizzatrice a Vuoto a dei diodi allo Stato Solido io sono un sostenitore della cosa specie se si tratta di amplificatori SE e di costruzioni dal nulla, per una conversione, invece, specie se non si deve recuperare tensione, concettualmente preferisco mantenere le cose come stanno, anche perché usando i diodi la tensione schizza verso l'alto e quindi se il trasformatore ha già di suo una tensione un po' alta le cose messe assieme non porterebbero a qualcosa di buono
Per quanto riguarda il condensatore da 8uF presente sul nodo che alimenta la valvola del preamplificatore, vale la risposta data a sediciampere, la tendenza sarebbe quella di un suono più rigido ad aumentarne il valore capacitivo, poi tutto è relativo .....
----
Spero di aver chiarito la situazione ed il perché si sia scelto di mantenere certe cose
Franco
mmmmhsei sicuro?
Non sono io (che non suono) a dirlo, sono gli strimpellatori e la cosa è confermata da moltissime fonti
comunque ragionandoci su sono convinto di capire cosa intendono e concordo con loro
e invece il Fender?
è nel Fender 5F2A che la tensione misurata di solito è di circa 350V
@
Grazie dell'offerta ma ti è sfuggito che l'amplificatore che si sta modificando in un 5F2A non è mio e, per dirla tutta, neanche di chi ci sta mettendo le mani, è di un suo amico, la cosa che comunque blocca tutto è che tutti e due sono negli USA (quello che ci sta lavorando è un mio amico su di un Forum Americano), avrei comunque avuto da qualche parte un paio di quei condensatori già svuotati ed altri pronti per esserlo
@
Nel Fender la valvola raddrizzatrice è una 5Y3 ma nell'amplificatore che si sta convertendo è una 6X4, quindi nessun assorbimento in più, ovviamente trattandosi di una conversione si mantiene quanto si può dell'amplificatore "donatore", tra l'altro mancando nel TA un avvolgimento a 5V non sarebbe possibile passare a tale tipo di raddrizzatrice
Io credo che le due resistenze da 500 servano a ridurre la corrente di carica dei condensatori
Ma occhio che i diodi hanno molto minori resistenza interna e caduta delle raddrizzatrici, secondo me serve aumentare le resistenze di filtro sull'anodica
vedi risposte qui sotto
@
Nello scherma con la 6X4, i resistori da 500 ohm servono a proteggere il secondario del trasformatore nel caso che il catodo vada in dispersione (cortocircuito) con il filamento?
In realtà lo scopo per il quale i due resistori da 500R sono presenti può avere varie ragioni
La principale è che le valvole raddrizzatrici abbisognano di un valore minimo di resistenza dell'avvolgimento che le alimenta (vedere i datasheet), per cui si aggiungono uno o due resistori in serie all'avvolgimento tra lo stesso e la valvola raddrizzatrice
Qui trovi una buona documentazione che spiega quello che dico
http://www.valvewizard.co.uk/bridge.html
altro motivo può essere per ridurre la tensione magari un po' alta
ed altro ancora per mitigare l'inrush current
L'amplificatore "donatore" è stato costruito sia senza che con quelle resistenze, vedi schemi
Il motivo certo per il quale sia stato deciso di aggiungerle non è dato sapere, potrebbe essere che abbiano cambiato il modo di avvolgere il TA o potrebbe essere che si siano accorti di una certa tendenza della valvola raddrizzatrice a perire, magari a causa del primo condensatore di filtro da 40uF a fronte di una richiesta da datasheet di soli 10uF
Quanto al passare dalla Raddrizzatrice a Vuoto a dei diodi allo Stato Solido io sono un sostenitore della cosa specie se si tratta di amplificatori SE e di costruzioni dal nulla, per una conversione, invece, specie se non si deve recuperare tensione, concettualmente preferisco mantenere le cose come stanno, anche perché usando i diodi la tensione schizza verso l'alto e quindi se il trasformatore ha già di suo una tensione un po' alta le cose messe assieme non porterebbero a qualcosa di buono
Per quanto riguarda il condensatore da 8uF presente sul nodo che alimenta la valvola del preamplificatore, vale la risposta data a sediciampere, la tendenza sarebbe quella di un suono più rigido ad aumentarne il valore capacitivo, poi tutto è relativo .....
----
Spero di aver chiarito la situazione ed il perché si sia scelto di mantenere certe cose
Franco
-

Kagliostro
6.401 4 5 7 - Master

- Messaggi: 4832
- Iscritto il: 19 set 2012, 11:32
1
voti
Sei stato chiarissimo ed anche padrone di tutta questa situazione
Non rimane altro che fare gli auguri di una buona modifica all'amplificatore.
Comunque se ti servissero quei condensatori, sono disponibili. Questo è rivolto anche agli altri .
SediciAmpere compreso, lo aspetto! 
Non rimane altro che fare gli auguri di una buona modifica all'amplificatore.
Comunque se ti servissero quei condensatori, sono disponibili. Questo è rivolto anche agli altri .
Alex
https://www.facebook.com/Elettronicaeelettrotecnica
<< vedi di pigliare arditamente in mano, il dizionario che ti suona in bocca,
se non altro è schietto e paesano.
(Giuseppe Giusti) <<
https://www.facebook.com/Elettronicaeelettrotecnica
<< vedi di pigliare arditamente in mano, il dizionario che ti suona in bocca,
se non altro è schietto e paesano.
(Giuseppe Giusti) <<
1
voti
Grazie !!!!! uno di questi giorni devo passare a trovarti, mettimi da parte qualche altoparlante da televisore 

-

SediciAmpere
4.187 5 5 8 - Master

- Messaggi: 4848
- Iscritto il: 31 ott 2013, 15:00
1
voti
vedi risposte qui sotto @ MarcoD
Nello scherma con la 6X4, i resistori da 500 ohm servono a proteggere il secondario del trasformatore nel caso che il catodo vada in dispersione (cortocircuito) con il filamento?
In realtà lo scopo per il quale i due resistori da 500R sono presenti può avere varie ragioni
La principale è che le valvole raddrizzatrici abbisognano di un valore minimo di resistenza dell'avvolgimento che le alimenta (vedere i datasheet), per cui si aggiungono uno o due resistori in serie all'avvolgimento tra lo stesso e la valvola raddrizzatrice
Qui trovi una buona documentazione che spiega quello che dico http://www.valvewizard.co.uk/bridge.html
altro motivo può essere per ridurre la tensione magari un po' alta
ed altro ancora per mitigare l'inrush current
Sono tutte risposte sensate.
Se l'obiettivo è ridurre la corrente impulsiva nel condensatore, un solo resistore dello stesso valore di potenza doppia sul catodo del doppio diodo fa lo stesso effetto dei due montati sugli anodi.
Di solito un resistore di potenza doppia costa meno di due resistori.
Se l'obiettivo è limitare la corrente nel caso di cortocircuito fra catodo è filamento, servono i due resistori.
Se l'amplificatore è di serie figlio di un progetto industriale,
il trasformatore dovrebbe venire progettato appositamente per avere le tensioni richieste, e non doverle abbassare inserendo resistenze (sono componenti/costi in più).
Poi chissà cosa pensava e che limitazioni di materiale aveva il povero progettista.

33 messaggi
• Pagina 3 di 4 • 1, 2, 3, 4
Chi c’è in linea
Visitano il forum: Nessuno e 156 ospiti

Elettrotecnica e non solo (admin)
Un gatto tra gli elettroni (IsidoroKZ)
Esperienza e simulazioni (g.schgor)
Moleskine di un idraulico (RenzoDF)
Il Blog di ElectroYou (webmaster)
Idee microcontrollate (TardoFreak)
PICcoli grandi PICMicro (Paolino)
Il blog elettrico di carloc (carloc)
DirtEYblooog (dirtydeeds)
Di tutto... un po' (jordan20)
AK47 (lillo)
Esperienze elettroniche (marco438)
Telecomunicazioni musicali (clavicordo)
Automazione ed Elettronica (gustavo)
Direttive per la sicurezza (ErnestoCappelletti)
EYnfo dall'Alaska (mir)
Apriamo il quadro! (attilio)
H7-25 (asdf)
Passione Elettrica (massimob)
Elettroni a spasso (guidob)
Bloguerra (guerra)

