Problema triac
Moderatori:
carloc,
g.schgor,
BrunoValente,
IsidoroKZ
18 messaggi
• Pagina 1 di 2 • 1, 2
1
voti
[1] Problema triac
Salve, uso un piccolo triac mac97a6 per comandare una piccola lampada a led 10w con un foto accoppiatore moc3021 pilotato con un uscita esp32. Il problema accade quando alimento il circuito del triac con la 230 V per un attimo la lampada si accende,questo non sempre. Ho provato ha modificare la R di Gate (330 ohm ) ma niente..... Avete suggerimenti ?
- Allegati
-
- schema
- triac.png (7.42 KiB) Osservato 10997 volte
-

quincisoft
10 2 - Messaggi: 7
- Iscritto il: 6 nov 2019, 6:31
0
voti
Prova a mettere una resistenza tra Gate ed MT1 da 10 k ed un condensatore da 20nF.
Ma non dovevi fare lo schema im fidocadj ???
Ma non dovevi fare lo schema im fidocadj ???
Alex
https://www.facebook.com/Elettronicaeelettrotecnica
<< vedi di pigliare arditamente in mano, il dizionario che ti suona in bocca,
se non altro è schietto e paesano.
(Giuseppe Giusti) <<
https://www.facebook.com/Elettronicaeelettrotecnica
<< vedi di pigliare arditamente in mano, il dizionario che ti suona in bocca,
se non altro è schietto e paesano.
(Giuseppe Giusti) <<
1
voti
Ok provo e ti faccio sapere. Scusa per lo schema, ma ho preso un immagine che già avevo.
-

quincisoft
10 2 - Messaggi: 7
- Iscritto il: 6 nov 2019, 6:31
0
voti
setteali ha scritto:Prova a mettere una resistenza tra Gate ed MT1 da 10 k ed un condensatore da 20nF.
Ma non dovevi fare lo schema im fidocadj ???
Provato ma non funziona.
-

quincisoft
10 2 - Messaggi: 7
- Iscritto il: 6 nov 2019, 6:31
0
voti
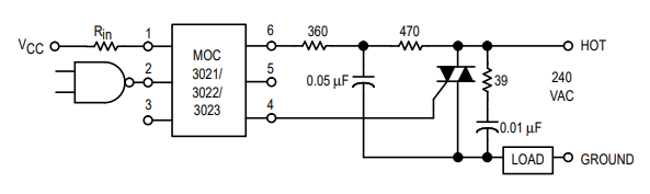
Credo perche' concettualmente lo schema e' sbagliato, piu che altro (il segnale per il gate andrebbe preso dal terminale opposto)
Alcuni datasheet consigliano questo schema
Occhio che tutti i condensatori dovrebbero essere da 630V (se non si usano i 275VAC X2), e le resistenze almeno da 1W (ma anche 2W non guastano).
Alcuni datasheet consigliano questo schema
Occhio che tutti i condensatori dovrebbero essere da 630V (se non si usano i 275VAC X2), e le resistenze almeno da 1W (ma anche 2W non guastano).
"Sopravvivere" e' attualmente l'unico lusso che la maggior parte dei Cittadini italiani,
sia pure a costo di enormi sacrifici, riesce ancora a permettersi.
sia pure a costo di enormi sacrifici, riesce ancora a permettersi.
-

Etemenanki
9.527 3 6 10 - Master

- Messaggi: 5950
- Iscritto il: 2 apr 2021, 23:42
- Località: Dalle parti di un grande lago ... :)
0
voti
Etemenanki ha scritto:Credo perche' concettualmente lo schema e' sbagliato, piu che altro (il segnale per il gate andrebbe preso dal terminale opposto)
Alcuni datasheet consigliano questo schema
Occhio che tutti i condensatori dovrebbero essere da 630V (se non si usano i 275VAC X2), e le resistenze almeno da 1W (ma anche 2W non guastano).
provo questo schema, grazie di tutto.

-

quincisoft
10 2 - Messaggi: 7
- Iscritto il: 6 nov 2019, 6:31
0
voti
Considera che il circuito funziona correttamente, lo controllo tranquillamente tramite il moc e nessun problema. E' solamente quando alimento con la 230V che a volte ho un breve flash della lampada. Poi tutto regolare.
-

quincisoft
10 2 - Messaggi: 7
- Iscritto il: 6 nov 2019, 6:31
0
voti
quincisoft ha scritto:E' solamente quando alimento con la 230V che a volte ho un breve flash della lampada. Poi tutto regolare.
Alimenti prima il circuito di controllo e poi la 230V?
Se no potrebbe essere che il circuito è in uno stato intermedio sufficente a far triggerare il tristore.
Potrebbe non essere tanto un problema lato alta tensione ben si un problema lato ESP32.
Io comunque correggerei il lato 230V come consigliato, lo snubber è il minimo anche in caso di carico non induttivo.
Uno schema completo in fidocadj non guasterebbe

0
voti
Ho fatto il primo schema con fidocad. Non so se serve anche l'altro.
-

corneliofallaci
1.470 1 4 7 - Stabilizzato

- Messaggi: 314
- Iscritto il: 10 mag 2018, 18:43
0
voti
[10] Re: Problema triac
-

corneliofallaci
1.470 1 4 7 - Stabilizzato

- Messaggi: 314
- Iscritto il: 10 mag 2018, 18:43
18 messaggi
• Pagina 1 di 2 • 1, 2
Chi c’è in linea
Visitano il forum: Nessuno e 105 ospiti

Elettrotecnica e non solo (admin)
Un gatto tra gli elettroni (IsidoroKZ)
Esperienza e simulazioni (g.schgor)
Moleskine di un idraulico (RenzoDF)
Il Blog di ElectroYou (webmaster)
Idee microcontrollate (TardoFreak)
PICcoli grandi PICMicro (Paolino)
Il blog elettrico di carloc (carloc)
DirtEYblooog (dirtydeeds)
Di tutto... un po' (jordan20)
AK47 (lillo)
Esperienze elettroniche (marco438)
Telecomunicazioni musicali (clavicordo)
Automazione ed Elettronica (gustavo)
Direttive per la sicurezza (ErnestoCappelletti)
EYnfo dall'Alaska (mir)
Apriamo il quadro! (attilio)
H7-25 (asdf)
Passione Elettrica (massimob)
Elettroni a spasso (guidob)
Bloguerra (guerra)



