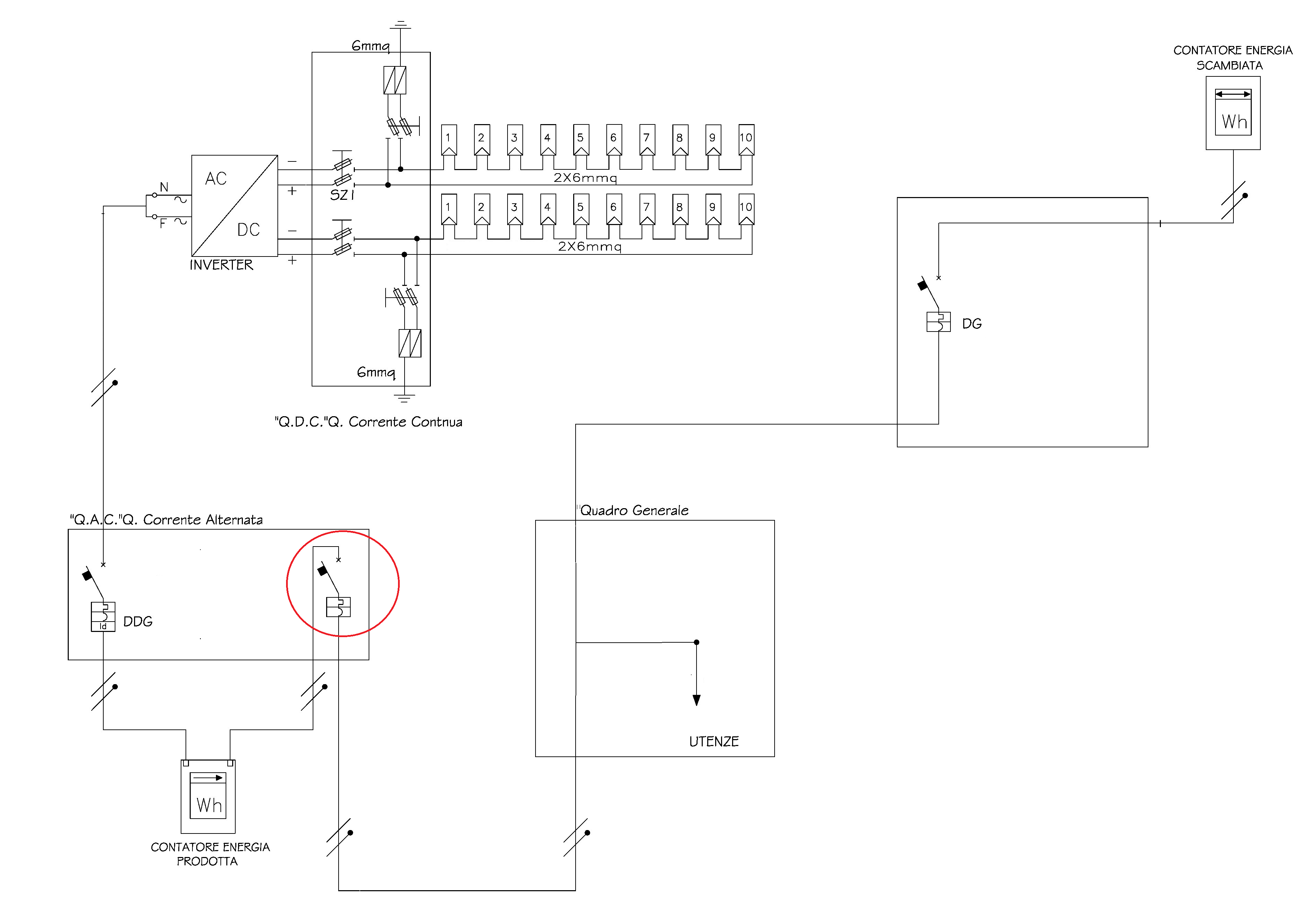
A proposito del contatore M2 che non verrà più montato da parte del gestore della rete, l'interruttore che ho cerchiato in rosso nello schema allegato non è più necessario?
Tale interruttore, insieme al DDG, viene installato per rispettare quanto indicato nella cei 0.21 ossia "Ai fini del sezionamento, possono essere utilizzati dispositivi manovrabili sotto carico, anche se posizionati non immediatamente nelle vicinanze del contatore M2 stesso. In particolare, deve essere previsto un dispositivo a monte ed uno a valle del contatore M2. Allo scopo possono essere utilizzati il DDG, il DGL, DDI, ecc., purché previsti per tale funzionalità"
Delibera e contatore M2
Moderatori:
sebago,
mario_maggi
24 messaggi
• Pagina 2 di 3 • 1, 2, 3
0
voti
In impianti con un solo inverter, ovviamente quell'interruttore non serve più a niente.
Basta il DDG nel quadro AC
Basta il DDG nel quadro AC
Ognuno sta solo sul cuor della terra
trafitto da un raggio di sole:
ed è subito sera
Salvatore Quasimodo
trafitto da un raggio di sole:
ed è subito sera
Salvatore Quasimodo
0
voti
attilio ha scritto:In impianti con un solo inverter, ovviamente quell'interruttore non serve più a niente.
Basta il DDG nel quadro AC
Ok perfetto.
Nel caso avessi due inverter, invece, si ha un DDG in uscita a ciascuno dei due inverter e si aggiunge un magnetotermico, con corrente nominale pari alla somma delle correnti AC degli inverter),a cui si collegano le due fasi e i due neutri per poi arrivare al generale di casa?
0
voti
attilio ha scritto:In impianti con un solo inverter, ovviamente quell'interruttore non serve più a niente.
Basta il DDG nel quadro AC
Ma prima (delle nuove regole), sempre in impianti con un solo inverter, serviva veramente quell'interruttore (visto che c'e'/c'era comunque il DG) ?
1
voti
serviva veramente quell'interruttore?
..tanto quanto serviva il sigillo su M2
Ognuno sta solo sul cuor della terra
trafitto da un raggio di sole:
ed è subito sera
Salvatore Quasimodo
trafitto da un raggio di sole:
ed è subito sera
Salvatore Quasimodo
0
voti
Blaster ha scritto:attilio ha scritto:In impianti con un solo inverter, ovviamente quell'interruttore non serve più a niente.
Basta il DDG nel quadro AC
Ok perfetto.
Nel caso avessi due inverter, invece, si ha un DDG in uscita a ciascuno dei due inverter e si aggiunge un magnetotermico, con corrente nominale pari alla somma delle correnti AC degli inverter),a cui si collegano le due fasi e i due neutri per poi arrivare al generale di casa?
Attilio penso che intenda dire che nel caso in cui hai due sezioni d'impianto e ognuna ha un proprio inverter, il DDG e l'interruttore cerchiato in rosso nel tuo schema vanno montati proprio perché il contatore di produzione sarà presente in quanto non si rispetta uno dei requisiti della Delibera 361/2023/R/EEL ossia "non si ha un'unica up".
24 messaggi
• Pagina 2 di 3 • 1, 2, 3
Torna a Energia e qualità dell'energia
Chi c’è in linea
Visitano il forum: Majestic-12 [Bot] e 27 ospiti

Elettrotecnica e non solo (admin)
Un gatto tra gli elettroni (IsidoroKZ)
Esperienza e simulazioni (g.schgor)
Moleskine di un idraulico (RenzoDF)
Il Blog di ElectroYou (webmaster)
Idee microcontrollate (TardoFreak)
PICcoli grandi PICMicro (Paolino)
Il blog elettrico di carloc (carloc)
DirtEYblooog (dirtydeeds)
Di tutto... un po' (jordan20)
AK47 (lillo)
Esperienze elettroniche (marco438)
Telecomunicazioni musicali (clavicordo)
Automazione ed Elettronica (gustavo)
Direttive per la sicurezza (ErnestoCappelletti)
EYnfo dall'Alaska (mir)
Apriamo il quadro! (attilio)
H7-25 (asdf)
Passione Elettrica (massimob)
Elettroni a spasso (guidob)
Bloguerra (guerra)






