alien75 ha scritto:Ecco il completamento: come vedi devo alzare l'ingresso non invertente da 2,5v per non tagliare il segnale
Come hai "alzato l'ingresso non invertente da 2,5v" nel tuo disegno non si vede.
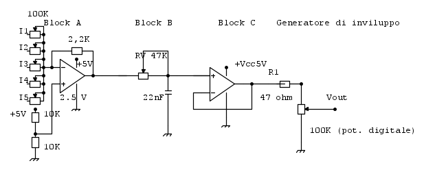
Presumo che sia come qui sotto - Block A
Il Block B e' il tuo pot. digitale + 22 nF per realizzare il passabasso.
Il Block C e' necessario solo se il segnale in uscita al Block B va ad un ingresso a bassa resistenza.
Se la resistenza di ingresso dello stadio cui e' collegata l'uscita del Block B >> 47 k il Block C non e' necessario.
Se l'uscita del Block C va "all'esterno" e' opportuno inserire la resistenza R1 47 ohm.

Elettrotecnica e non solo (admin)
Un gatto tra gli elettroni (IsidoroKZ)
Esperienza e simulazioni (g.schgor)
Moleskine di un idraulico (RenzoDF)
Il Blog di ElectroYou (webmaster)
Idee microcontrollate (TardoFreak)
PICcoli grandi PICMicro (Paolino)
Il blog elettrico di carloc (carloc)
DirtEYblooog (dirtydeeds)
Di tutto... un po' (jordan20)
AK47 (lillo)
Esperienze elettroniche (marco438)
Telecomunicazioni musicali (clavicordo)
Automazione ed Elettronica (gustavo)
Direttive per la sicurezza (ErnestoCappelletti)
EYnfo dall'Alaska (mir)
Apriamo il quadro! (attilio)
H7-25 (asdf)
Passione Elettrica (massimob)
Elettroni a spasso (guidob)
Bloguerra (guerra)












