Problema con filtro p basso ad alimentazione singola
Moderatori:
carloc,
g.schgor,
BrunoValente,
IsidoroKZ
1
voti
Anche se la versione con resistenza variabile in serie funziona, preferisco l'attenuazione con potenziometro in ingresso.
Esamina e riporta i pro/contro delle due alternative
1
voti
Dopo il passa-basso variabile , giustamente, hai messo un buffer, poi però hai aggiunto un potenziometro da 100k per regolare il volume, che purtroppo rende la resistenza d'uscita molto alta e dipendente dalla posizione del pot. , puoi sostituirlo con uno da 4,7kΩ ? Oppure (meglio) sistituirlo con uno da 1MΩ e inserirlo prima del buffer? Ricorda che hai una componente continua sovrapposta al segnale: ogni stadio (compreso il potenziometro) deve essere disaccoppiato e poi polarizzato
-

SediciAmpere
4.187 5 5 8 - Master

- Messaggi: 4847
- Iscritto il: 31 ott 2013, 15:00
0
voti
MarcoD ha scritto:
Anche se la versione con resistenza variabile in serie funziona, preferisco l'attenuazione con potenziometro in ingresso.
Esamina e riporta i pro/contro delle due alternative
Io ho la necessità pure di distorcere il segnale quindi lascio la resistenza variabile in serie.
Il potenziometro messo a partitore di tensione non distorce purtroppo.
0
voti
Ma neanche il potenziometro in serie distorce, che distorsione volevi aggiungere? La saturazione dell'operazionale?
Ti va di dirci cosa c'è prima e dopo il sommatore?
Ti va di dirci cosa c'è prima e dopo il sommatore?
-

SediciAmpere
4.187 5 5 8 - Master

- Messaggi: 4847
- Iscritto il: 31 ott 2013, 15:00
0
voti
SediciAmpere ha scritto:Ma neanche il potenziometro in serie distorce, che distorsione volevi aggiungere? La saturazione dell'operazionale?
Ti va di dirci cosa c'è prima e dopo il sommatore?
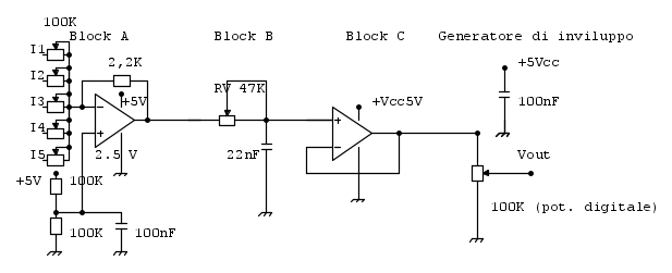
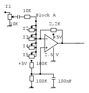
Ecco! Prima del sommatore si sono 5 oscillatori a ponte di Wein che generano 5 sinusoidi.
I potenziometri cerchiati sono 3 pot. digitali da 20 Kohms, che servono a variare la frequenza di tale ponte.
Dopo del sommatore c' è il potenziometro del filtro.
3
voti
Direi che lo schema riveli un po' di errori.
Il 324 è un cattivo operazionale per quali riguarda distorsione e dinamica, da non usarsi in audio. Come minimo (non sufficiente però a riscattarlo) bisogna aggiungere una resistenza di pull-up sull'uscita, verso il positivo, da un paio di kiloohm. Riduce la distorsione e aumenta la dinamica positiva. La soluzione invece è prendere un rail to rail.
Il potenziometro in uscita sull'operazionale non va bene: si ottiene una resistenza di uscita variabile con la posizione del cursore, e comunque elevata. Meglio metterlo prima dell' operazionale di uscita. Eventualmente in uscita all'operazionale si può mettere in serie un resistore fisso da qualche centinaio di ohm per protezione.
Spostando il potenziometro di livello subito dopo il filtro RC, è opportuno ridurre la resistenza variabile a 10kohm e aumentare il condensatore a 100nF. In serie a RV è meglio mettere una R fissa per definire la massima frequenza di taglio del passa basso (potrei scommettere che non ci sono specifiche di frequenze per il passa basso!)
Infine il primo stadio direi che sia completamente da ripensare: così proprio non funziona.
Cominciamo con le cose veniali. Il nodo invertendo di un op amp è "sacro" non bisogna caricarlo capacitivamente altrimenti la stabilità ne risente. Collegare 5 pot e 5 cursori non mi piace. I potenziometri di ingresso messi in quel modo danno un legame fra controllo e risultato di tipo iperbolico (la R del pot è a denominatore nell'espressione del guadagno!). Il noise gain varia con la posizione del potenziometro, così come la banda dello stadio e soprattutto il suo guadagno in continua, cosa che sposta la tensione di offset in uscita.
Forse l'ho già detto in passato, ma per fare un "progetto" bisogna sapere un po' di elettronica. Se non la si conosce abbastanza a fondo è un guaio, perché non si sanno neanche dare le specifiche di che cosa si vorrebbe fare.
Il 324 è un cattivo operazionale per quali riguarda distorsione e dinamica, da non usarsi in audio. Come minimo (non sufficiente però a riscattarlo) bisogna aggiungere una resistenza di pull-up sull'uscita, verso il positivo, da un paio di kiloohm. Riduce la distorsione e aumenta la dinamica positiva. La soluzione invece è prendere un rail to rail.
Il potenziometro in uscita sull'operazionale non va bene: si ottiene una resistenza di uscita variabile con la posizione del cursore, e comunque elevata. Meglio metterlo prima dell' operazionale di uscita. Eventualmente in uscita all'operazionale si può mettere in serie un resistore fisso da qualche centinaio di ohm per protezione.
Spostando il potenziometro di livello subito dopo il filtro RC, è opportuno ridurre la resistenza variabile a 10kohm e aumentare il condensatore a 100nF. In serie a RV è meglio mettere una R fissa per definire la massima frequenza di taglio del passa basso (potrei scommettere che non ci sono specifiche di frequenze per il passa basso!)
Infine il primo stadio direi che sia completamente da ripensare: così proprio non funziona.
Cominciamo con le cose veniali. Il nodo invertendo di un op amp è "sacro" non bisogna caricarlo capacitivamente altrimenti la stabilità ne risente. Collegare 5 pot e 5 cursori non mi piace. I potenziometri di ingresso messi in quel modo danno un legame fra controllo e risultato di tipo iperbolico (la R del pot è a denominatore nell'espressione del guadagno!). Il noise gain varia con la posizione del potenziometro, così come la banda dello stadio e soprattutto il suo guadagno in continua, cosa che sposta la tensione di offset in uscita.
Forse l'ho già detto in passato, ma per fare un "progetto" bisogna sapere un po' di elettronica. Se non la si conosce abbastanza a fondo è un guaio, perché non si sanno neanche dare le specifiche di che cosa si vorrebbe fare.
Per usare proficuamente un simulatore, bisogna sapere molta più elettronica di lui
Plug it in - it works better!
Il 555 sta all'elettronica come Arduino all'informatica! (entrambi loro malgrado)
Se volete risposte rispondete a tutte le mie domande
Plug it in - it works better!
Il 555 sta all'elettronica come Arduino all'informatica! (entrambi loro malgrado)
Se volete risposte rispondete a tutte le mie domande
0
voti
Mi è molto piaciuta la frase:
Davvero suggestiva.
Ciao
IsidoroKZ ha scritto:
Il nodo invertente di un op amp è "sacro" non bisogna caricarlo capacitivamente altrimenti ...
Davvero suggestiva.
Ciao
600 Elettra
0
voti
IsidoroKZ ha scritto: Il nodo invertendo di un op amp è "sacro" non bisogna caricarlo capacitivamente altrimenti la stabilità ne risente
Interessante questa cosa, sinceramente non ero mai stato attento a non caricarlo capacitivaente, avresti voglia di approfondire l'argomento per favore? Una resistenza tra il nodo e l'ingresso invertente renderebbe stabile lo stadio?
-

SediciAmpere
4.187 5 5 8 - Master

- Messaggi: 4847
- Iscritto il: 31 ott 2013, 15:00
0
voti
alien75 ha scritto:SediciAmpere ha scritto:Ma neanche il potenziometro in serie distorce, che distorsione volevi aggiungere? La saturazione dell'operazionale?
Ti va di dirci cosa c'è prima e dopo il sommatore?
Ecco! Prima del sommatore si sono 5 oscillatori a ponte di Wein che generano 5 sinusoidi.
I potenziometri cerchiati sono 3 pot. digitali da 20 Kohms, che servono a variare la frequenza di tale ponte.
Dopo del sommatore c' è il potenziometro del filtro.
Siete sicuri funzioni il buffer non invertente messo dopo il filtro ?
Vorrei fare una prova da reale per vedere se funziona.
Ho appena fatto una prova e non arriva segnale in uscita del buffer, infatti rilevo +5V senza segnale, perché? Non capisco perché non funziona. Qualche idea?
0
voti
alien75 ha scritto:rilevo +5V senza segnale
Con gli ingressi 'i' lasciati aperti/scollegati?
Il che porta alla domanda: gli oscillatori sono accoppiati in DC o AC?
Una domanda ben posta è già mezza risposta.
Chi c’è in linea
Visitano il forum: Nessuno e 79 ospiti

Elettrotecnica e non solo (admin)
Un gatto tra gli elettroni (IsidoroKZ)
Esperienza e simulazioni (g.schgor)
Moleskine di un idraulico (RenzoDF)
Il Blog di ElectroYou (webmaster)
Idee microcontrollate (TardoFreak)
PICcoli grandi PICMicro (Paolino)
Il blog elettrico di carloc (carloc)
DirtEYblooog (dirtydeeds)
Di tutto... un po' (jordan20)
AK47 (lillo)
Esperienze elettroniche (marco438)
Telecomunicazioni musicali (clavicordo)
Automazione ed Elettronica (gustavo)
Direttive per la sicurezza (ErnestoCappelletti)
EYnfo dall'Alaska (mir)
Apriamo il quadro! (attilio)
H7-25 (asdf)
Passione Elettrica (massimob)
Elettroni a spasso (guidob)
Bloguerra (guerra)








