Cos'è ElectroYou | Login Iscriviti

ElectroYou - la comunità dei professionisti del mondo elettrico

Problema con filtro p basso ad alimentazione singola

Elettronica lineare e digitale: didattica ed applicazioni

Moderatori: Foto Utentecarloc, Foto Utenteg.schgor, Foto UtenteBrunoValente, Foto UtenteIsidoroKZ

0
voti

[41] Re: Problema con filtro p basso ad alimentazione singola

Messaggioda Foto UtenteIsidoroKZ » 10 dic 2023, 12:46

banjoman ha scritto:Per porre fine a tutto questo pastrocchio suggerisco questa breve ma interessante lettura...


Ho sempre avuto un pregiudizio nei confronti di Texas nel campo analogico, hanno scritto e fatto svariate fesserie, poi si sono comprati BurrBrown e Unitrode (e tanti altri) e le cose sono andate meglio.

In particolare Ron Mancini, l'autore dell'application note che citi, era stato editor in chief di piu` edizioni di Op Amps for Everyone che erano un'antologia di cose sbagliate! Per cui sono sempre molto sospettoso di quanto dice TI sull'analogico.
Per usare proficuamente un simulatore, bisogna sapere molta più elettronica di lui
Plug it in - it works better!
Il 555 sta all'elettronica come Arduino all'informatica! (entrambi loro malgrado)
Se volete risposte rispondete a tutte le mie domande
Avatar utente
Foto UtenteIsidoroKZ
121,2k 1 3 8
G.Master EY
G.Master EY
 
Messaggi: 21059
Iscritto il: 17 ott 2009, 0:00

0
voti

[42] Re: Problema con filtro p basso ad alimentazione singola

Messaggioda Foto Utentealien75 » 11 dic 2023, 3:41

alien75 ha scritto:
elfo ha scritto:
alien75 ha scritto:Siete sicuri funzioni il buffer non invertente messo dopo il filtro ?
[cut]
Ho appena fatto una prova e non arriva segnale in uscita del buffer, infatti rilevo +5V senza segnale

Io sono sicurissimo di riuscire a farlo NON funzionare - ma non ti dico come :(
Potresti, per favore, fare le misure dello schema qui sotto?





Vanno bene lo stesso due sonde dell'oscilloscopio?


Ecco i valori ed il grafico:



Scusate se non ho postato il file delle tracce dell'oscilloscopio ma ho avuto problemi con la chiavatta per salvarle.
Comunque Vout= 5V e Vin va da 20V a 25V, strani sti ultimi due valori.
Che dici?
Ho postato un grafico fatto con fidocad e non le tracce dell'oscilloscopio per il motivo detto sopra.
Avatar utente
Foto Utentealien75
1 1 4 7
Sostenitore
Sostenitore
 
Messaggi: 597
Iscritto il: 31 lug 2011, 14:08

0
voti

[43] Re: Problema con filtro p basso ad alimentazione singola

Messaggioda Foto Utentealien75 » 11 dic 2023, 8:39

V1 è collegata all' uscita del sommatore attraverso un potenziometro da 47K, come detto alcuni post fa.
Avatar utente
Foto Utentealien75
1 1 4 7
Sostenitore
Sostenitore
 
Messaggi: 597
Iscritto il: 31 lug 2011, 14:08

0
voti

[44] Re: Problema con filtro p basso ad alimentazione singola

Messaggioda Foto UtenteMarcoD » 11 dic 2023, 9:18

Si direbbe che hai due alimentatori, invece che collegarli con il "negativo" in comune, li hai collegati in serie....
oppure hai un alimentatore duale, positivo, negativo con riferimento comune ?
...ma senza schema..chi può dirlo con sicurezza....
Avatar utente
Foto UtenteMarcoD
12,2k 5 9 13
Master EY
Master EY
 
Messaggi: 6696
Iscritto il: 9 lug 2015, 16:58
Località: Torino

0
voti

[45] Re: Problema con filtro p basso ad alimentazione singola

Messaggioda Foto Utentealien75 » 11 dic 2023, 9:45


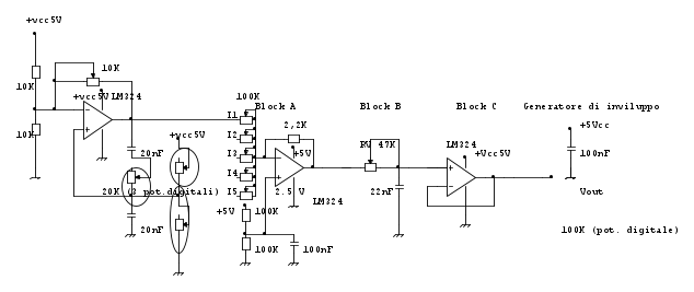
Ecco lo schema completo.
Che ne dite? Utilizzo un'unica alimentazione da 5V.
Avatar utente
Foto Utentealien75
1 1 4 7
Sostenitore
Sostenitore
 
Messaggi: 597
Iscritto il: 31 lug 2011, 14:08

0
voti

[46] Re: Problema con filtro p basso ad alimentazione singola

Messaggioda Foto UtenteMarcoD » 11 dic 2023, 9:59

Come fai avere la triangolare fra 15 e 20 V se la alimentazione massima è 5 V ?
Non hai inserito lo schema del generatore di triangolare o il modello di generatore commerciale o le caratteristiche.
Forse il generatore ha impostato un offset di 15 V.
Avatar utente
Foto UtenteMarcoD
12,2k 5 9 13
Master EY
Master EY
 
Messaggi: 6696
Iscritto il: 9 lug 2015, 16:58
Località: Torino

0
voti

[47] Re: Problema con filtro p basso ad alimentazione singola

Messaggioda Foto Utentealien75 » 11 dic 2023, 11:51

MarcoD ha scritto:Come fai avere la triangolare fra 15 e 20 V se la alimentazione massima è 5 V ?
Non hai inserito lo schema del generatore di triangolare o il modello di generatore commerciale o le caratteristiche.
Forse il generatore ha impostato un offset di 15 V.


Per quanto riguarda gli oscillatori, utilizzo 3 ponti di Wein nei primi 3 ingressi ed negli altri
2 utilizzo 2 generatori di onde quadre e onde triangolari ed in questo caso ho utilizzato nel quarto
ingresso un XR2206 alimentazione a 12 V (esso richiede un'alimentazizone a 12V per funzionare). L'uscita di tale generatore XR2206 passa per un partitore di tensione che la riduce a 5V per non friggere il relativo potenziometro digitale a cui è collegato.
Ho messo nello schema un ponte di Wein a titolo di semplicità circuitale, perché lo schema con XR2206 è più complesso di un semplice operazionale.
Avatar utente
Foto Utentealien75
1 1 4 7
Sostenitore
Sostenitore
 
Messaggi: 597
Iscritto il: 31 lug 2011, 14:08

0
voti

[48] Re: Problema con filtro p basso ad alimentazione singola

Messaggioda Foto UtenteMarcoD » 11 dic 2023, 12:54

Non hai risposto alla domanda. Controlla le connessioni comuni delle alimentazioni.
Avatar utente
Foto UtenteMarcoD
12,2k 5 9 13
Master EY
Master EY
 
Messaggi: 6696
Iscritto il: 9 lug 2015, 16:58
Località: Torino

0
voti

[49] Re: Problema con filtro p basso ad alimentazione singola

Messaggioda Foto UtenteSediciAmpere » 11 dic 2023, 16:34

alien75 ha scritto:. L'uscita di tale generatore XR2206 passa per un partitore di tensione che la riduce a 5V per non friggere il relativo potenziometro digitale a cui è collegato.

bravo :ok:
Avatar utente
Foto UtenteSediciAmpere
4.187 5 5 8
Master
Master
 
Messaggi: 4848
Iscritto il: 31 ott 2013, 15:00

0
voti

[50] Re: Problema con filtro p basso ad alimentazione singola

Messaggioda Foto Utentealien75 » 11 dic 2023, 19:28

MarcoD ha scritto:Non hai risposto alla domanda. Controlla le connessioni comuni delle alimentazioni.

Le connessioni comuni delle alimentazione sono ok.
I contatti dellle masse sono ok.
Ho poi fatto una prova su bread-board come segue con generatore di funzioni impostato con
segnale triangolaree due canali dell'oscilloscopio come segue:

Vin = 2,2Vp
Vout = 250mV

Allego le foto delle tracce: traccia gialla (ingresso V/div=2V), traccia blue (uscita V/div=500mV)
Allegati
Resize_20231211_184558_8680.jpg
Resize_20231211_184558_8680.jpg (29.89 KiB) Osservato 5103 volte
Avatar utente
Foto Utentealien75
1 1 4 7
Sostenitore
Sostenitore
 
Messaggi: 597
Iscritto il: 31 lug 2011, 14:08

PrecedenteProssimo

Torna a Elettronica generale

Chi c’è in linea

Visitano il forum: Nessuno e 88 ospiti