Salve a tutti,
volendo progettare l'impianto di un appartamento con un UPS offline da 2kVA che alimenta due linee protette ognuna da un magnetotermico C6: illuminazione e prese privilegiate, secondo voi è corretto utilizzare fili di colore arancione solamente per la fase e solamente per le dorsali? Nel normale funzionamento sono a tutti gli effetti una fase e un neutro provenienti dalla rete elettrica, secondo me è importante che siano distinti, in particolare per le linee delle luci (deviate, invertite, relè ecc.). Inoltre il colore arancione è prescritto dalla norma cei-en 60204-1, che non si applica agli impianti civili, giusto?
Inoltre, secondo voi qual è il modo più "pulito" per collegare l'UPS ? Secondo me con presa e spina, che consente anche di poterlo bypassare facilmente in caso di manutenzione, che ne pensate?
Grazie
Impianto elettrico appartamento con UPS, colori fili
Moderatori:
sebago,
MASSIMO-G,
lillo,
Mike
10 messaggi
• Pagina 1 di 1
0
voti
Potresti postare il modello di UPS così da vedere se sia più opportuno mettere un solo differenziale a monte dello stesso ( nel caso sia protetto) .
Per il colore non saprei, sono ignorante in normativa.
Per il colore non saprei, sono ignorante in normativa.
0
voti
andrew95 ha scritto:Potresti postare il modello di UPS così da vedere se sia più opportuno mettere un solo differenziale a monte dello stesso ( nel caso sia protetto) .
Per il colore non saprei, sono ignorante in normativa.
Eh magnetotermico pardon
1
voti
Il colore della fase, al momento, è libero, gli unici colori obbligatori sono per il neutro e la terra. Il colore arancione si applica solo alle macchine per individuare i circuiti a monte del dispositivo di sezionamento generale.
--
Michele Lysander Guetta
--
"Non pensare mai al dolore, al pericolo o ai nemici un momento più lungo del necessario per combatterli." — Ayn Rand
Michele Lysander Guetta
--
"Non pensare mai al dolore, al pericolo o ai nemici un momento più lungo del necessario per combatterli." — Ayn Rand
-

Mike
55,6k 7 10 12 - G.Master EY

- Messaggi: 17005
- Iscritto il: 1 ott 2004, 18:25
- Località: Conegliano (TV)
0
voti
Grazie a tutti per le risposte,
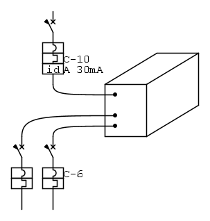
Legrand Niky 2000,pensavo di proteggerlo in questo modo:
Quando è presente la tensione di rete è in modalità bypass e le due linee da 6A sono protette dal differenziale a monte, quando non è presente la tensione di rete l'UPS dovrebbe avere la separazione galvanica da terra
andrew95 ha scritto:Potresti postare il modello di UPS così da vedere se sia più opportuno mettere un solo differenziale a monte dello stesso
Legrand Niky 2000,pensavo di proteggerlo in questo modo:
Quando è presente la tensione di rete è in modalità bypass e le due linee da 6A sono protette dal differenziale a monte, quando non è presente la tensione di rete l'UPS dovrebbe avere la separazione galvanica da terra
-

SediciAmpere
4.187 5 5 8 - Master

- Messaggi: 4847
- Iscritto il: 31 ott 2013, 15:00
0
voti
Per la differenza di costo opterei per 3 diferenziali.
Se inizia a scattare il differenziale a monte cosa fai ?
è l'UPS ?
è La Linea 1 ?
è la Linea 2 ?
Alcuni UPS mal digeriscono i MTD AC a monte, ma ho esperienza solo su grosse potenze

Se inizia a scattare il differenziale a monte cosa fai ?
è l'UPS ?
è La Linea 1 ?
è la Linea 2 ?
Alcuni UPS mal digeriscono i MTD AC a monte, ma ho esperienza solo su grosse potenze

0
voti
SediciAmpere ha scritto:quando non è presente la tensione di rete l'UPS dovrebbe avere la separazione galvanica da terra
Dovrebbe avere o ha?
Almeno l'itagliano sallo...
0
voti
guzz ha scritto:Dovrebbe avere o ha?
in realtà non lo so, sul manuale non ho trovato informazioni a riguardo. c'è un sistema che chiamano "differenziale elettronico" che rileva un guasto a terra sull'uscita e spegne l'UPS.
provando a disconnetterlo dalla rete, misuro 0,63 V tra neutro e terra e 220,0 V tra fase e terra
-

SediciAmpere
4.187 5 5 8 - Master

- Messaggi: 4847
- Iscritto il: 31 ott 2013, 15:00
0
voti
Ok
Ma nell'ottica di avere un sistema in cui puoi cambiare agevolmente l'UPS, non ti conviene mettere due differenziali? Alla fine il costo non dovrebbe essere molto più alto di un magnetotermico puro ed hai una protezione in più...
Ma nell'ottica di avere un sistema in cui puoi cambiare agevolmente l'UPS, non ti conviene mettere due differenziali? Alla fine il costo non dovrebbe essere molto più alto di un magnetotermico puro ed hai una protezione in più...
Almeno l'itagliano sallo...
0
voti
SediciAmpere ha scritto:Grazie a tutti per le risposte,andrew95 ha scritto:Potresti postare il modello di UPS così da vedere se sia più opportuno mettere un solo differenziale a monte dello stesso
Legrand Niky 2000,pensavo di proteggerlo in questo modo:
Quando è presente la tensione di rete è in modalità bypass e le due linee da 6A sono protette dal differenziale a monte, quando non è presente la tensione di rete l'UPS dovrebbe avere la separazione galvanica da terra
Corretto, è il sistema più semplice per mantenere la continuità di servizio per poche utenze. Attenzione però che devi avere una segnalazione dell'intervento dell'UPS altrimenti si esaurisce l'autonomia senza che tu lo sappia.
--
Michele Lysander Guetta
--
"Non pensare mai al dolore, al pericolo o ai nemici un momento più lungo del necessario per combatterli." — Ayn Rand
Michele Lysander Guetta
--
"Non pensare mai al dolore, al pericolo o ai nemici un momento più lungo del necessario per combatterli." — Ayn Rand
-

Mike
55,6k 7 10 12 - G.Master EY

- Messaggi: 17005
- Iscritto il: 1 ott 2004, 18:25
- Località: Conegliano (TV)
10 messaggi
• Pagina 1 di 1
Torna a Impianti, sicurezza e quadristica
Chi c’è in linea
Visitano il forum: Google [Bot] e 82 ospiti

Elettrotecnica e non solo (admin)
Un gatto tra gli elettroni (IsidoroKZ)
Esperienza e simulazioni (g.schgor)
Moleskine di un idraulico (RenzoDF)
Il Blog di ElectroYou (webmaster)
Idee microcontrollate (TardoFreak)
PICcoli grandi PICMicro (Paolino)
Il blog elettrico di carloc (carloc)
DirtEYblooog (dirtydeeds)
Di tutto... un po' (jordan20)
AK47 (lillo)
Esperienze elettroniche (marco438)
Telecomunicazioni musicali (clavicordo)
Automazione ed Elettronica (gustavo)
Direttive per la sicurezza (ErnestoCappelletti)
EYnfo dall'Alaska (mir)
Apriamo il quadro! (attilio)
H7-25 (asdf)
Passione Elettrica (massimob)
Elettroni a spasso (guidob)
Bloguerra (guerra)




