Buongiorno a tutti,
per un progetto universitario devo effettuare un'analisi comparativa del comportamento elettro-termico degli switch di un inverter trifase con carico reattivo (= RL trifase) e attivo (= motore asincrono trifase). Per far ciò sto effettuando delle simulazioni su LTspice cercando di utilizzare le medesime condizioni di funzionamento, cioè corrente di picco, frequenza elettrica, frequenza di switching, tensione di bus e tipo di controllo (corrente).
I risultati su carico reattivo sono OK, quelli su motore a induzione, invece, non mi convincono.
Di seguito la simulazione LTspice:
Il modello del motore è stato precedentemente verificato con:
1. parametri di un motore asincorno da 4kV
2. alimentazione a tensione impressa costante:
Utilizzando, invece, l'alimentazione da inverter ottengo risultati non buoni:
1. parametri inverter: fsw = 30kHz, fe = 300Hz, Ipeak = 300A, Vdc = 800V, dead time = 2us
2. parametri motore: P = 160kW, Rs = 0.0137ohm, Rr = 0.00772ohm, Los = Lor = 0.0001518H, Lm = 0.0076871H, Jeq = 0.05Kgm^2, paia poli = 2, coppia resistente = 0 Nm
I parametri del motore da 160kW sono presi da un paper ma non sono assolutamente convinto se siano plausibili o meno. Come si può vedere, la coppia è bassa e molto oscillante (sembra neanche si smorzi in 10ms), e la velocità non raggiunge neanche 2 rpm.
Dove potrebbe essere il problema? A mio parare potrebbe essere tra questi punti:
1. Tempo simulato troppo basso (8ms, la simulazione gira molto lentamente...)
2. Non è possibile effettuare l'avviamento del motore a corrente costante
3. I parametri del motore non sono plausibili e/o non sono coerenti con quelli dell'inverter
Avete qualche suggerimento per sistemare la simulazione?
Grazie e buona giornata
Controllo di corrente motore asincrono trifase
Moderatori:
SandroCalligaro,
mario_maggi,
fpalone
8 messaggi
• Pagina 1 di 1
0
voti
la prima cosa che mi viene da dirti, gli schemi mettili su pagina con Fidocadj, come specificato qua, così non si capisce assolutmente nulla, e se qualcuno dovesse proporre una modifica, non ci riesce.
saluti.
saluti.
-

lelerelele
4.899 3 7 9 - Master

- Messaggi: 5505
- Iscritto il: 8 giu 2011, 8:57
- Località: Reggio Emilia
0
voti
Ciao a tutti,
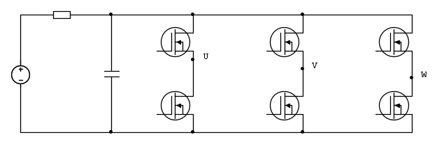
di seguito il modello utilizzato per rappresentare il mio circuito di potenza:
inverter trifase
carico - motore asincrono trifase, riferimento (alpha, beta) solidale allo statore
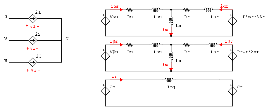
Il modello del motore è ricavato dal seguente:
dove ho risolto l’accoppiamento statore-rotore in termini di corrente magnetizzante e induttanza di
magnetizzazione.
Quello che sto tentando di fare è:
1. controllare le correnti trifase (i1, i2, i3) rispetto a dei riferimenti sinusoidali sfasati di 120° elettrici. L'output del controllo sono gli stati istantanei dei sei switch dell'inverter trifase e, quindi, la terna di tensioni (fase - fase).
2. trasformare le tre tensioni (fase - centro stella) rispetto al sistema di riferimento bifase (alpha, beta) solidale allo statore.
3. risolvere il circuito bifase equivalente (tracurando la componente omopolare) e trovare le due correnti di statore in assi (alpha, beta)
4. ricavare le tre correnti trifase (i1, i2, i3) applicando l'antitraformata bifase - trifase.
Un passaggio che non mi convince è quello di utilizzare come input del modello bifase equivalente, le trasformate delle tensioni (fase - centro stella) anziché delle concatenate (che sono poi quelle che effettivamente l'inverter imprime al suo output): collegando alle fasi dell'inverter dei generatori dipendenti di corrente non ho la vera caduta di tensione fase - neutro, ma le equazioni del modello sono valide per la terna di tensioni stellate, non concatenate...
Avete qualche suggerimento?
Spero di essere stato più chiaro
di seguito il modello utilizzato per rappresentare il mio circuito di potenza:
inverter trifase
carico - motore asincrono trifase, riferimento (alpha, beta) solidale allo statore
Il modello del motore è ricavato dal seguente:
dove ho risolto l’accoppiamento statore-rotore in termini di corrente magnetizzante e induttanza di
magnetizzazione.
Quello che sto tentando di fare è:
1. controllare le correnti trifase (i1, i2, i3) rispetto a dei riferimenti sinusoidali sfasati di 120° elettrici. L'output del controllo sono gli stati istantanei dei sei switch dell'inverter trifase e, quindi, la terna di tensioni (fase - fase).
2. trasformare le tre tensioni (fase - centro stella) rispetto al sistema di riferimento bifase (alpha, beta) solidale allo statore.
3. risolvere il circuito bifase equivalente (tracurando la componente omopolare) e trovare le due correnti di statore in assi (alpha, beta)
4. ricavare le tre correnti trifase (i1, i2, i3) applicando l'antitraformata bifase - trifase.
Un passaggio che non mi convince è quello di utilizzare come input del modello bifase equivalente, le trasformate delle tensioni (fase - centro stella) anziché delle concatenate (che sono poi quelle che effettivamente l'inverter imprime al suo output): collegando alle fasi dell'inverter dei generatori dipendenti di corrente non ho la vera caduta di tensione fase - neutro, ma le equazioni del modello sono valide per la terna di tensioni stellate, non concatenate...
Avete qualche suggerimento?
Spero di essere stato più chiaro
0
voti
Ciao
edomar, senza andare nei dettagli, ci sono un po' di cose che non mi convincono:
- motore da 4 kV alimentato da inverter con bus a 800 V;
- 8 ms di simulazione, cioè niente, per un transitorio meccanico non ben controllato.
Sul secondo punto, ho l'impressione che tu stia simulando nell'ambiente sbagliato (SPICE), e/o non è chiaro l'obiettivo della simulazione...
- motore da 4 kV alimentato da inverter con bus a 800 V;
- 8 ms di simulazione, cioè niente, per un transitorio meccanico non ben controllato.
Sul secondo punto, ho l'impressione che tu stia simulando nell'ambiente sbagliato (SPICE), e/o non è chiaro l'obiettivo della simulazione...
-

SandroCalligaro
2.970 2 4 5 - G.Master EY

- Messaggi: 1181
- Iscritto il: 6 ago 2015, 19:25
0
voti
Qui, secondo me, ti manca un pezzo di "teoria", che riguarda il potenziale del centro stella.edomar ha scritto:Un passaggio che non mi convince è quello di utilizzare come input del modello bifase equivalente, le trasformate delle tensioni (fase - centro stella) anziché delle concatenate (che sono poi quelle che effettivamente l'inverter imprime al suo output): collegando alle fasi dell'inverter dei generatori dipendenti di corrente non ho la vera caduta di tensione fase - neutro, ma le equazioni del modello sono valide per la terna di tensioni stellate, non concatenate...
Prova a considerare ciascuna gamba dell'inverter come un generatore collegato tra il negativo del bus e l'uscita di fase. Considera un carico a stella simmetrico, passivo (puoi sempre applicare la sovrapposizione degli effetti, per cui un eventuale generatore di tensione nel carico puoi spegnerlo, in questi calcoli).
Qual è l'effetto delle tre tensioni sulla tensione tra centro stella del carico e negativo del bus? In particolare, qual è l'effetto della media delle tre tensioni generate dall'inverter?
E che effetto ha ciascuna gamba di inverter sulla "sua" tensione di fase (stellata)? E su quella delle altre fasi?
-

SandroCalligaro
2.970 2 4 5 - G.Master EY

- Messaggi: 1181
- Iscritto il: 6 ago 2015, 19:25
0
voti
Ciao Sandro,
grazie delle risposte.
Per quanto riguarda questa osservazione, il motore da 4kW (erano W non V) l'ho utilizzato esclusivamente per provare il modello del motore con alimentazione sinusoidale pura (avevo dei parametri "certi"). Adesso ho trovato dei parametri che mi sembrano coerenti per un motore asincono automotive da 200 kW.
Sugli 8ms di simulazione non avevo dubbi che fossero pochi.
L'obiettivo della simulazione è quello di verificare, da un punto di vista dei componenti a semiconduttore, se sia equivalente lo stress elettrotermico (= corrente commutata, tensione commutata, perdite e temperatura di giunzione) nei casi di funzionamento con carico RL e motore. La scelta di SPICE è obbligata da questioni di budget
La tensione neutro - DC- dovrebbe essere la media aritmetica delle tre tensioni fase - DC-, e quindi anch'essa indipendente dal carico... Questo significa che è indifferente far riferimento nel modello del motore alle tensioni concatenate e stellate. è corretto?
grazie delle risposte.
SandroCalligaro ha scritto:Ciaoedomar, senza andare nei dettagli, ci sono un po' di cose che non mi convincono:
- motore da 4 kV alimentato da inverter con bus a 800 V;
- 8 ms di simulazione, cioè niente, per un transitorio meccanico non ben controllato.
Sul secondo punto, ho l'impressione che tu stia simulando nell'ambiente sbagliato (SPICE), e/o non è chiaro l'obiettivo della simulazione...
Per quanto riguarda questa osservazione, il motore da 4kW (erano W non V) l'ho utilizzato esclusivamente per provare il modello del motore con alimentazione sinusoidale pura (avevo dei parametri "certi"). Adesso ho trovato dei parametri che mi sembrano coerenti per un motore asincono automotive da 200 kW.
Sugli 8ms di simulazione non avevo dubbi che fossero pochi.
L'obiettivo della simulazione è quello di verificare, da un punto di vista dei componenti a semiconduttore, se sia equivalente lo stress elettrotermico (= corrente commutata, tensione commutata, perdite e temperatura di giunzione) nei casi di funzionamento con carico RL e motore. La scelta di SPICE è obbligata da questioni di budget
SandroCalligaro ha scritto:Qui, secondo me, ti manca un pezzo di "teoria", che riguarda il potenziale del centro stella.edomar ha scritto:Un passaggio che non mi convince è quello di utilizzare come input del modello bifase equivalente, le trasformate delle tensioni (fase - centro stella) anziché delle concatenate (che sono poi quelle che effettivamente l'inverter imprime al suo output): collegando alle fasi dell'inverter dei generatori dipendenti di corrente non ho la vera caduta di tensione fase - neutro, ma le equazioni del modello sono valide per la terna di tensioni stellate, non concatenate...
Prova a considerare ciascuna gamba dell'inverter come un generatore collegato tra il negativo del bus e l'uscita di fase. Considera un carico a stella simmetrico, passivo (puoi sempre applicare la sovrapposizione degli effetti, per cui un eventuale generatore di tensione nel carico puoi spegnerlo, in questi calcoli).
Qual è l'effetto delle tre tensioni sulla tensione tra centro stella del carico e negativo del bus? In particolare, qual è l'effetto della media delle tre tensioni generate dall'inverter?
E che effetto ha ciascuna gamba di inverter sulla "sua" tensione di fase (stellata)? E su quella delle altre fasi?
La tensione neutro - DC- dovrebbe essere la media aritmetica delle tre tensioni fase - DC-, e quindi anch'essa indipendente dal carico... Questo significa che è indifferente far riferimento nel modello del motore alle tensioni concatenate e stellate. è corretto?
0
voti
Riguardo alla trasformazione di coordinate, per come è intesa, devono essere considerate le tensione di fase (uscita inverter rispetto al centro stella del carico). Potresti costruire una diversa trasformazione per usare le tensioni concatenate, ma sarebbe poco logico, anche perché sarebbe diversa da quella usata per le correnti (che invece sono di fase).
Sul fatto che l'inverter generi solo le concatenate, si potrebbe anche dire (come ti suggerivo) che l'inverter genera tre tensioni rispetto al suo "centro stella", che nella versione più semplice è il negativo del bus DC.
Siccome il centro stella del carico (se il carico è bilanciato) ha lo stesso potenziale della media tra le 3 tensioni generate dall'inverter, quella parte comune non influisce sul carico.
Quindi, l'inverter deve generare, su ciascun terminale di uscita una tensione (rispetto al negativo del bus) pari alla tensione di fase-neutro desiderata + un modo comune.
Ad esempio, la modulazione "space vector" (Adjacent Vector - SVM) corrisponde ad aggiungere un modo comune pari a metà tensione di bus DC - la media tra massima e minima tensione di fase desiderata:
con 
In 8 ms, credo che nel motore non riesca nemmeno a generarsi un minimo di flusso di rotore, che è necessario a generare coppia. Solitamente, la costante di tempo di rotore è piuttosto lunga, per cui (a meno di non applicare il controllo vettoriale ecc ecc) la coppia probabilmente rimane bassa.
Dalle tue figure capisco poco, ma se vuoi avviare imponendo corrente costante, mi aspetto che tu debba:
- imporre un vettore di corrente di ampiezza alta (ad esempio con ampiezza pari al valore nominale);
- l'angolo di quel vettore deve essere inizialmente fermo, per poi iniziare a ruotare a velocità crescente, fino ad arrivare (in qualche secondo) alla velocità finale.
Se ho capito bene, a te servirebbero due simulazioni (su scale dei tempi diverse), se non tre:
- uno per simulare il comportamento del motore alimentato da inverter, in particolare (immagino) a regime (ma ti serve veramente una simulazione, per il comportamento a regime? Non ti basta un circuito equivalente dell'asincrono, che in fondo ti serve per simulare ampiezze e sfasamento tra tensione e corrente);
- una per simulare il comportamento dei componenti e capire quanto dissipano nelle condizioni di regime considerate (ma ti basta farle girare per qualche periodo della fondamentale);
- eventualmente una simulazione del sistema termico (giunzione - dissipatore o ambiente), sulla base del modello che magari ricavi dall'impedenza termica o da altri dati.
Sul fatto che l'inverter generi solo le concatenate, si potrebbe anche dire (come ti suggerivo) che l'inverter genera tre tensioni rispetto al suo "centro stella", che nella versione più semplice è il negativo del bus DC.
Siccome il centro stella del carico (se il carico è bilanciato) ha lo stesso potenziale della media tra le 3 tensioni generate dall'inverter, quella parte comune non influisce sul carico.
Quindi, l'inverter deve generare, su ciascun terminale di uscita una tensione (rispetto al negativo del bus) pari alla tensione di fase-neutro desiderata + un modo comune.
Ad esempio, la modulazione "space vector" (Adjacent Vector - SVM) corrisponde ad aggiungere un modo comune pari a metà tensione di bus DC - la media tra massima e minima tensione di fase desiderata:
con 
In 8 ms, credo che nel motore non riesca nemmeno a generarsi un minimo di flusso di rotore, che è necessario a generare coppia. Solitamente, la costante di tempo di rotore è piuttosto lunga, per cui (a meno di non applicare il controllo vettoriale ecc ecc) la coppia probabilmente rimane bassa.
Dalle tue figure capisco poco, ma se vuoi avviare imponendo corrente costante, mi aspetto che tu debba:
- imporre un vettore di corrente di ampiezza alta (ad esempio con ampiezza pari al valore nominale);
- l'angolo di quel vettore deve essere inizialmente fermo, per poi iniziare a ruotare a velocità crescente, fino ad arrivare (in qualche secondo) alla velocità finale.
Secondo me, stai cercando di fare due cose contemporaneamente, e forse con lo strumento sbagliato.edomar ha scritto:L'obiettivo della simulazione è quello di verificare, da un punto di vista dei componenti a semiconduttore, se sia equivalente lo stress elettrotermico (= corrente commutata, tensione commutata, perdite e temperatura di giunzione) nei casi di funzionamento con carico RL e motore. La scelta di SPICE è obbligata da questioni di budget
Se ho capito bene, a te servirebbero due simulazioni (su scale dei tempi diverse), se non tre:
- uno per simulare il comportamento del motore alimentato da inverter, in particolare (immagino) a regime (ma ti serve veramente una simulazione, per il comportamento a regime? Non ti basta un circuito equivalente dell'asincrono, che in fondo ti serve per simulare ampiezze e sfasamento tra tensione e corrente);
- una per simulare il comportamento dei componenti e capire quanto dissipano nelle condizioni di regime considerate (ma ti basta farle girare per qualche periodo della fondamentale);
- eventualmente una simulazione del sistema termico (giunzione - dissipatore o ambiente), sulla base del modello che magari ricavi dall'impedenza termica o da altri dati.
-

SandroCalligaro
2.970 2 4 5 - G.Master EY

- Messaggi: 1181
- Iscritto il: 6 ago 2015, 19:25
8 messaggi
• Pagina 1 di 1
Chi c’è in linea
Visitano il forum: Nessuno e 45 ospiti

Elettrotecnica e non solo (admin)
Un gatto tra gli elettroni (IsidoroKZ)
Esperienza e simulazioni (g.schgor)
Moleskine di un idraulico (RenzoDF)
Il Blog di ElectroYou (webmaster)
Idee microcontrollate (TardoFreak)
PICcoli grandi PICMicro (Paolino)
Il blog elettrico di carloc (carloc)
DirtEYblooog (dirtydeeds)
Di tutto... un po' (jordan20)
AK47 (lillo)
Esperienze elettroniche (marco438)
Telecomunicazioni musicali (clavicordo)
Automazione ed Elettronica (gustavo)
Direttive per la sicurezza (ErnestoCappelletti)
EYnfo dall'Alaska (mir)
Apriamo il quadro! (attilio)
H7-25 (asdf)
Passione Elettrica (massimob)
Elettroni a spasso (guidob)
Bloguerra (guerra)


