Cos'è ElectroYou | Login Iscriviti

ElectroYou - la comunità dei professionisti del mondo elettrico

Primo oscilloscopio

Elettronica lineare e digitale: didattica ed applicazioni

Moderatori: Foto Utentecarloc, Foto Utenteg.schgor, Foto UtenteBrunoValente, Foto UtenteIsidoroKZ

0
voti

[21] Re: Primo oscilloscopio

Messaggioda Foto UtenteThEnGi » 27 dic 2023, 12:30

Ma una sonda X100 fissa ? (EDIT: Abbinata al trasformtore di isolamento ovviamente :ok: )

Tipo PR2000B, Link

Tieni conto che il picco della tensione di rete è 253V x 1.41 = 357V. (Condizione peggiore 230V + 10%)
Con X100 di attenuazione sarebbe +-3.57 V sull'oscilloscopio.

Fissa per una questione di sicurezza (IMHO) con la X1/X10 se sbagli inietti la tensione di rete nell'oscillo e a X10 hai 35,7 V che non sono pochi !

NDR: Una sonda differenziale sarebbe meglio, ma tanto già che ai il trasformatore.....

O_/
Avatar utente
Foto UtenteThEnGi
2.230 3 6 9
Expert EY
Expert EY
 
Messaggi: 2228
Iscritto il: 6 ott 2022, 18:43

1
voti

[22] Re: Primo oscilloscopio

Messaggioda Foto UtenteBrunoValente » 27 dic 2023, 13:11

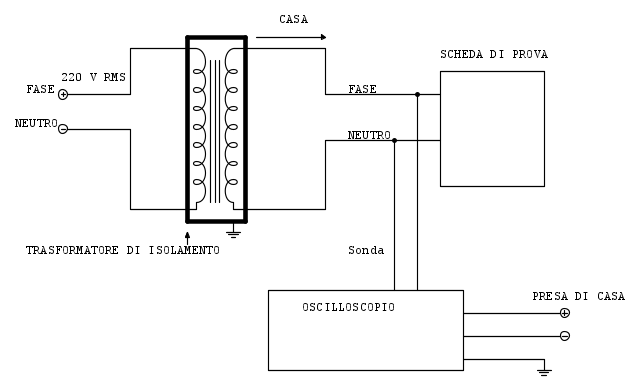
andre29 ha scritto:Riguardo al trasformatore di isolamento, sarebbe utile che la cosa fosse chiara un po a tutti (me compreso).
Per questo ho provato a fare un piccolo schema.
Spero che sia corretto, nel caso non lo fosse correggetemi. :ok:




Magari sbaglio ma l'aver scritto FASE e NEUTRO anche sul secondario del trasformatore mi pare lasci intendere che non hai le idee chiare su come funziona il circuito di isolamento.

Il secondario del trasformatore è isolato da terra per cui non ha senso differenziare i poli del secondario con nomi diversi, perciò puoi invertirli come vuoi senza creare problemi.
Avatar utente
Foto UtenteBrunoValente
39,6k 7 11 13
G.Master EY
G.Master EY
 
Messaggi: 7796
Iscritto il: 8 mag 2007, 14:48

0
voti

[23] Re: Primo oscilloscopio

Messaggioda Foto Utenteandre29 » 27 dic 2023, 14:28

Si hai ragione. Era solo per dare un senso di continuità con i segnali.
Avatar utente
Foto Utenteandre29
68 1 2 7
Frequentatore
Frequentatore
 
Messaggi: 267
Iscritto il: 26 apr 2015, 9:57

0
voti

[24] Re: Primo oscilloscopio

Messaggioda Foto Utentesgaragnone » 27 dic 2023, 20:55

salve a tutti. anche io vorrei acquistare un oscilloscopio, sarei orientato su un mini portatile della Finirsi 100MH costo intorno ai 100 euro.
premetto che non so neanche come si usa un oscilloscopio però vorrei imparare iniziando proprio con un portatile che penso che sia più semplice da usare per me.
l'uso che ne vorrei fare e su alimentatori, schede inverter e varie, naturalmente vorrei utilizzare un trasformatore di isolamento, accostando anche un tester per le misure per evitare rischi sia allo strumento che ai componenti scheda e a me stesso. come dovrei collegare il trasformatore all'osciloscopio per non fare danni? che tipo di trasformatore di isolamento mi consigliate di acquistare?
Avatar utente
Foto Utentesgaragnone
57 3 6
Frequentatore
Frequentatore
 
Messaggi: 278
Iscritto il: 15 ott 2019, 11:37

0
voti

[25] Re: Primo oscilloscopio

Messaggioda Foto Utenteandre29 » 28 dic 2023, 10:12

sgaragnone ha scritto:salve a tutti. anche io vorrei acquistare un oscilloscopio, sarei orientato su un mini portatile della Finirsi 100MH costo intorno ai 100 euro.
premetto che non so neanche come si usa un oscilloscopio però vorrei imparare iniziando proprio con un portatile che penso che sia più semplice da usare per me.
l'uso che ne vorrei fare e su alimentatori, schede inverter e varie, naturalmente vorrei utilizzare un trasformatore di isolamento, accostando anche un tester per le misure per evitare rischi sia allo strumento che ai componenti scheda e a me stesso. come dovrei collegare il trasformatore all'osciloscopio per non fare danni? che tipo di trasformatore di isolamento mi consigliate di acquistare?


E' spiegato nella schema dei post precedenti. Con la sonda ti devi mettere dopo il trasformatore di isolamento. E l'apparecchiatura di test la devi collegare dopo il trasformatore.
Avatar utente
Foto Utenteandre29
68 1 2 7
Frequentatore
Frequentatore
 
Messaggi: 267
Iscritto il: 26 apr 2015, 9:57

0
voti

[26] Re: Primo oscilloscopio

Messaggioda Foto Utenteandre29 » 28 dic 2023, 13:10

Qualcuno sa dove è possibile smontare un trasformatore di isolamento? Magari utilizzato su qualche elettrodomestico vecchio?
Avatar utente
Foto Utenteandre29
68 1 2 7
Frequentatore
Frequentatore
 
Messaggi: 267
Iscritto il: 26 apr 2015, 9:57

0
voti

[27] Re: Primo oscilloscopio

Messaggioda Foto UtenteThEnGi » 28 dic 2023, 13:34

Dipende dalla potenza, 25/1000 VA li trovi su ebay senza troppi problemi.

Più è potente più è grosso..... bisogna anche dotarlo di tutte le protezioni necessarie.

Tieni conto che è un componente eterno, se non lo tratti male ti dura una vita
infine è un componente di sicurezza, meglio non lesinare !

O_/
Avatar utente
Foto UtenteThEnGi
2.230 3 6 9
Expert EY
Expert EY
 
Messaggi: 2228
Iscritto il: 6 ott 2022, 18:43

3
voti

[28] Re: Primo oscilloscopio

Messaggioda Foto UtenteBrunoValente » 28 dic 2023, 13:52

sgaragnone ha scritto:salve a tutti. anche io vorrei acquistare un oscilloscopio, sarei orientato su un mini portatile della Finirsi 100MH costo intorno ai 100 euro.
premetto che non so neanche come si usa un oscilloscopio però vorrei imparare iniziando proprio con un portatile che penso che sia più semplice da usare per me.
l'uso che ne vorrei fare e su alimentatori, schede inverter e varie, naturalmente vorrei utilizzare un trasformatore di isolamento, accostando anche un tester per le misure per evitare rischi sia allo strumento che ai componenti scheda e a me stesso. come dovrei collegare il trasformatore all'osciloscopio per non fare danni? che tipo di trasformatore di isolamento mi consigliate di acquistare?

Non per fare il guastamestieri ma la mia opinione è che l'oscilloscopio vada acquistato solo dopo che si è diventati sufficientemente competenti in elettronica, cioè solo quando si è in grado di utilizzare correttamente un oscilloscopio per via naturale.

Intendo dire che solo se non si è sufficientemente competenti in elettronica si ha la convinzione che si possa arrivare ad utilizzare vantaggiosamente un oscilloscopio semplicemente seguendo un qualche presunto corso specifico sugli oscilloscopi o qualcosa di simile ma posso assicurare che non è così.

Se invece si è raggiunto un livello di competenza sufficiente allora non occorre nessun corso, bensì ci si ritrova a saper utilizzare l'oscilloscopio per via naturale, come normale conseguenza.

Lo stesso vale per il trasformatore di isolamento che ritengo vada utilizzato solo dopo che si è in grado di sapere come va collegato... ma non perché qualcuno te lo ha spiegato, bensì per ovvia conseguenza della conoscenza dei circuiti e del loro funzionamento e dei pericoli che implicano le varie configurazioni.

Ritengo sia oltremodo pericoloso utilizzare un trasformatore di isolamento con riferimento ad uno schema di riferimento suggerito da chissà chi senza essere in grado di ricavarselo in proprio come conseguenza della consapevolezza del funzionamento di un circuito e dei pericoli correlati.
Avatar utente
Foto UtenteBrunoValente
39,6k 7 11 13
G.Master EY
G.Master EY
 
Messaggi: 7796
Iscritto il: 8 mag 2007, 14:48

0
voti

[29] Re: Primo oscilloscopio

Messaggioda Foto Utenteandre29 » 28 dic 2023, 14:23

Hai perfettamente ragione, la sicurezza è sempre la cosa più importante.
Però è anche vero che se si vuole imparare a fare qualcosa bisogna provare. Prima ci si documenta un attimo o si chiede a chi è più esperto, ma se non provi come fai a imparare?
Avatar utente
Foto Utenteandre29
68 1 2 7
Frequentatore
Frequentatore
 
Messaggi: 267
Iscritto il: 26 apr 2015, 9:57

3
voti

[30] Re: Primo oscilloscopio

Messaggioda Foto UtenteBrunoValente » 28 dic 2023, 17:43

Sono dell'idea che non si impari provando, va senz'altro bene per imparare ad andare in bicicletta ma non per l'elettronica, in elettronica le prove è meglio farle solo come verifica dopo che si è imparato.

Purtroppo per molti provare vuol dire provare a caso fino ad azzeccarci!

E' un modo di intendere la cosa che via via si è andato consolidando, credo per estensione dal tipico modo di fare degli arduinisti e in genere dei dilettanti in informatica che spesso partono da una situazione eccessivamente approssimata, per non dire incasinata, fidando nel debugging o comunque nell'ingenua speranza di riuscire ad aggiustare completamente il tiro attraverso la correzione degli errori che si presentano strada facendo, quando invece succede quasi sempre che la maggior parte degli errori non emerge durante il debugging rimanendo nascosta sotto il tappeto ed emergendo un po' alla volta solo successivamente facendo impazzire l'utilizzatore finale.

Purtroppo questo è il modo di fare non solo di alcuni dilettanti ed è agli antipodi rispetto a quello che invece andrebbe fatto, soprattutto in elettronica.
Avatar utente
Foto UtenteBrunoValente
39,6k 7 11 13
G.Master EY
G.Master EY
 
Messaggi: 7796
Iscritto il: 8 mag 2007, 14:48

PrecedenteProssimo

Torna a Elettronica generale

Chi c’è in linea

Visitano il forum: Nessuno e 81 ospiti