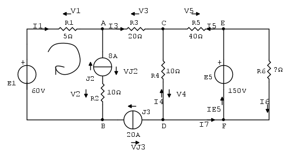
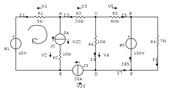
mi trovo davanti questo circuito e dovrei ricavare R6
Moderatori:
g.schgor,
IsidoroKZ
0
voti
ma è qualche compito da svolgere o non lo è?
0
voti
io ho provato con kircof se si prova con thevenin non so se riesce a ricavare un generatore equivalente con una sola resistenza in modo da sapere che corrente passa su R6
2
voti
NON PUOIIII
Come posso fartelo capire???
Come posso fartelo capire???
-

PietroBaima
90,7k 7 12 13 - G.Master EY

- Messaggi: 12206
- Iscritto il: 12 ago 2012, 1:20
- Località: Londra
4
voti
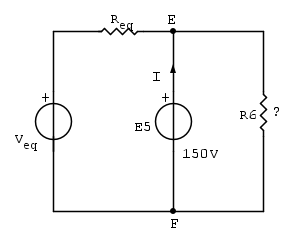
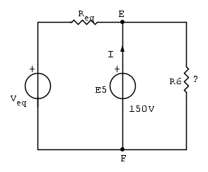
Supponiamo tu abbia trovato l'equivalente Thevenin del circuito a sinistra di E5 e lo voglia usare per calcolare la corrente che scorre in E5.
Questo è il circuito:
A questo punto la corrente I è data da due contributi, il primo, quello a sinistra è:

mentre il secondo è

Quindi I vale:

A questo punto la potenza erogata o assorbita da E5 vale:

Ora, mi spieghi come fai a trovare questo valore se non hai R6???
Per trovare R6 dovrebbe esserci a disposizione qualche altro dato che non c'è.
Questo è il circuito:
A questo punto la corrente I è data da due contributi, il primo, quello a sinistra è:

mentre il secondo è

Quindi I vale:

A questo punto la potenza erogata o assorbita da E5 vale:

Ora, mi spieghi come fai a trovare questo valore se non hai R6???
Per trovare R6 dovrebbe esserci a disposizione qualche altro dato che non c'è.
-

PietroBaima
90,7k 7 12 13 - G.Master EY

- Messaggi: 12206
- Iscritto il: 12 ago 2012, 1:20
- Località: Londra
3
voti
PietroBaima ha scritto:NON PUOIIII
Come posso fartelo capire???
Non c'è verso Pietro
Arrenditi
@
Tema d'esame?
toskgiver ha scritto:si è più per capire come ragioniamo
In che senso?
"Il circuito ha sempre ragione" (Luigi Malesani)
0
voti
Non è un tema di un'esame è un'esercizio facoltativo.
Mi avete convinto per R6 non si trova.
Facciamolo sino a quello che possiamo
confrontiamo quello che esce con kyrco con quello che esce con thevenin
Mi avete convinto per R6 non si trova.
Facciamolo sino a quello che possiamo
confrontiamo quello che esce con kyrco con quello che esce con thevenin
0
voti
questo è quello che mi trovo con kirchhoff
potenza W3 utilizzata nel resistore R3 = 8Kw
potenza W1 utilizzata nel resistore R1 =720w
potenza WJ3 erogata dal generatore ideale
di corrente J3 = 11,8Kw
potenza WE5 erogata dal generatore ideale
di tensione E5 non si trova per assenza di R6
se qualcuno prova con thevenin confrontiamo i risultati.
potenza W3 utilizzata nel resistore R3 = 8Kw
potenza W1 utilizzata nel resistore R1 =720w
potenza WJ3 erogata dal generatore ideale
di corrente J3 = 11,8Kw
potenza WE5 erogata dal generatore ideale
di tensione E5 non si trova per assenza di R6
se qualcuno prova con thevenin confrontiamo i risultati.
0
voti
Quindi ci troviamo di fronte a una situazione dove le incognite sono la I totale del circuito equivalente e la R6.
Molti di noi avranno pur studiato in analisi 1 come ottenere la soluzione di una equazione lineare a 2 incognite.
Potrei sbagliarmi ma non vedo altra strada da percorrere.
Molti di noi avranno pur studiato in analisi 1 come ottenere la soluzione di una equazione lineare a 2 incognite.
Potrei sbagliarmi ma non vedo altra strada da percorrere.
1
voti
Resterebbe sempre il metodo Kirk
basta applicate la stessa soluzione del test Kobayashi Maru
K
basta applicate la stessa soluzione del test Kobayashi Maru
K
-

Kagliostro
6.396 4 5 7 - Master

- Messaggi: 4830
- Iscritto il: 19 set 2012, 11:32
1
voti
pasc ha scritto:Quindi ci troviamo di fronte a una situazione dove le incognite sono la I totale del circuito equivalente e la R6.
Molti di noi avranno pur studiato in analisi 1 come ottenere la soluzione di una equazione lineare a 2 incognite.
Potrei sbagliarmi ma non vedo altra strada da percorrere.
L'equazione che tu dici lineare è questa:

Le due incognite sono I ed R6.
Risolvila.
-

PietroBaima
90,7k 7 12 13 - G.Master EY

- Messaggi: 12206
- Iscritto il: 12 ago 2012, 1:20
- Località: Londra
Torna a Elettrotecnica generale
Chi c’è in linea
Visitano il forum: Google Adsense [Bot] e 85 ospiti

Elettrotecnica e non solo (admin)
Un gatto tra gli elettroni (IsidoroKZ)
Esperienza e simulazioni (g.schgor)
Moleskine di un idraulico (RenzoDF)
Il Blog di ElectroYou (webmaster)
Idee microcontrollate (TardoFreak)
PICcoli grandi PICMicro (Paolino)
Il blog elettrico di carloc (carloc)
DirtEYblooog (dirtydeeds)
Di tutto... un po' (jordan20)
AK47 (lillo)
Esperienze elettroniche (marco438)
Telecomunicazioni musicali (clavicordo)
Automazione ed Elettronica (gustavo)
Direttive per la sicurezza (ErnestoCappelletti)
EYnfo dall'Alaska (mir)
Apriamo il quadro! (attilio)
H7-25 (asdf)
Passione Elettrica (massimob)
Elettroni a spasso (guidob)
Bloguerra (guerra)

pigreco]=π

