Grazie a te delle spiegazioni ora il problema è più chiaro.
La soluzione ottica mi sembra impraticabile. La soluzione audio/vibrazioni già più fattibile. Bisognerebbe preparare un bicchiere di plastica dal fondo molto fine con sotto attaccato con nastro un disco piezo di buona qualità. Le gocce andrebbero prima dell' acqua proprio per farle sbattere bene sul fondo. E il bicchiere andrebbe inserito in un supporto che lo sostiene lateralmente e non dal basso così da fare una specie di Fassa di risonanza.
Dopo di che, se il segnale ricevuto dal piezo è sufficiente, basta amplificarlo e portarlo ad un buzzer che faccia bip. Bisogna avere mano ferma perché credo che sia abbastanza sensibile che anche respirando potrebbe bippare
Sensore rilevazione goccia di liquido
35 messaggi
• Pagina 3 di 4 • 1, 2, 3, 4
0
voti
I dischi piezo ci sono credo fino al 50mm di diametro (il disco di supporto in ottone da 0.2mm di spessore intendo, il dischetto piezoelettrico vero e proprio arriva circa a 25mm al massimo, poi si passa a componenti industriali o custom ed i prezzi salgono di uno o due zeri) ... ma per un'applicazione simile dovrebbe bastare anche un 35mm o un 27mm, tanto poi il bordo esterno va sul supporto fisso ed al centro del dischetto va incollato uno spessore per portarlo a contatto col fondo del bicchiere.
Per avere il massimo del risultato da un dischetto piezo, bisogna costruirgli un supporto a cui incollare il bordo del disco, ed applicare la forza (o l'urto, o il segnale) al centro, quindi usando sia bicchierini di carta che di plastica, serve uno spessore da incollare al centro, basta un dischetto fra 5 e 10 mm di diametro e dello spessore sufficente a fare in modo che quando ci si appoggia sopra il bicchierino, tocchi tenendo alzato il bordo del bicchierino di un millimetro o simile (in questo modo le vibrazioni verranno rilevate dal centro del piezoelettrico)
si potrebbero usare, per comodita' e praticita', i bicchierini di plastica usa e getta per il caffe', che sono piu piccoli di quelli per le bibite (ovviamente, se la dimensione e' poi sufficente per la quantita' di acqua da aggiungere, in alternativa quelli standard)
Una cosa del genere (disegnata molto alla buona) dovrebbe essere stampabile con una 3D, magari in due o piu sezioni da incollare alla fine, e consentire l'uso di bicchierini usa e getta per maggiore comodita'.
La parte marrone e' il supporto da stampare, probabilmente un cilindro sarebbe la forma migliore, le dimensioni vanno poi decise in base al tipo di bicchierini che vuoi utilizzare, usando un disco da 35mm si potrebbe fare lo spazio inferiore da 30mm, in modo che il bordo faccia da supporto per il disco stesso (da incollarci con bostik o altre colle simili, con buona tenuta e che rimangano elastiche), il fondo potrebbe benissimo essere aperto (da chiudere poi con un disco stampato a parte, che potra' essere fissato con 3 o 4 vitine a testa svasata), in modo da poterci mettere l'elettronica e lavorarci durante l'assemblaggio, ed anche la sua altezza la si calcolera' in base alle dimensioni dell'elettronica e dell'eventuale batteria (il disegno e' solo uno schema di massima, per far vedere cosa intendo) ... lo spessore potrebbe essere qualsiasi cosa, plastica, legno, gomma dura, basta che sia materiale abbastanza rigido e che si possa incollare all'ottone sempre usando del bostik, e l'elettronica poi rilevera' i "colpi" dati dalle gocce e pilotera' un cicalino o beeper.
Con la stessa sagoma si puo anche stampare un secondo cilindro, con il fondo di un diametro interno che possa agevolmente essere infilato sopra al primo, un gradino interno per tenerlo alzato, ed una cima con un foro piu piccolo al centro, questo potra' servire da guida per la bottiglietta del medicinale, in modo che l'utilizzatore possa tenerlo al centro del bicchierino senza troppa fatica anche non vedendo.
Per avere il massimo del risultato da un dischetto piezo, bisogna costruirgli un supporto a cui incollare il bordo del disco, ed applicare la forza (o l'urto, o il segnale) al centro, quindi usando sia bicchierini di carta che di plastica, serve uno spessore da incollare al centro, basta un dischetto fra 5 e 10 mm di diametro e dello spessore sufficente a fare in modo che quando ci si appoggia sopra il bicchierino, tocchi tenendo alzato il bordo del bicchierino di un millimetro o simile (in questo modo le vibrazioni verranno rilevate dal centro del piezoelettrico)
si potrebbero usare, per comodita' e praticita', i bicchierini di plastica usa e getta per il caffe', che sono piu piccoli di quelli per le bibite (ovviamente, se la dimensione e' poi sufficente per la quantita' di acqua da aggiungere, in alternativa quelli standard)
Una cosa del genere (disegnata molto alla buona) dovrebbe essere stampabile con una 3D, magari in due o piu sezioni da incollare alla fine, e consentire l'uso di bicchierini usa e getta per maggiore comodita'.
La parte marrone e' il supporto da stampare, probabilmente un cilindro sarebbe la forma migliore, le dimensioni vanno poi decise in base al tipo di bicchierini che vuoi utilizzare, usando un disco da 35mm si potrebbe fare lo spazio inferiore da 30mm, in modo che il bordo faccia da supporto per il disco stesso (da incollarci con bostik o altre colle simili, con buona tenuta e che rimangano elastiche), il fondo potrebbe benissimo essere aperto (da chiudere poi con un disco stampato a parte, che potra' essere fissato con 3 o 4 vitine a testa svasata), in modo da poterci mettere l'elettronica e lavorarci durante l'assemblaggio, ed anche la sua altezza la si calcolera' in base alle dimensioni dell'elettronica e dell'eventuale batteria (il disegno e' solo uno schema di massima, per far vedere cosa intendo) ... lo spessore potrebbe essere qualsiasi cosa, plastica, legno, gomma dura, basta che sia materiale abbastanza rigido e che si possa incollare all'ottone sempre usando del bostik, e l'elettronica poi rilevera' i "colpi" dati dalle gocce e pilotera' un cicalino o beeper.
Con la stessa sagoma si puo anche stampare un secondo cilindro, con il fondo di un diametro interno che possa agevolmente essere infilato sopra al primo, un gradino interno per tenerlo alzato, ed una cima con un foro piu piccolo al centro, questo potra' servire da guida per la bottiglietta del medicinale, in modo che l'utilizzatore possa tenerlo al centro del bicchierino senza troppa fatica anche non vedendo.
"Sopravvivere" e' attualmente l'unico lusso che la maggior parte dei Cittadini italiani,
sia pure a costo di enormi sacrifici, riesce ancora a permettersi.
sia pure a costo di enormi sacrifici, riesce ancora a permettersi.
-

Etemenanki
9.517 3 6 10 - Master

- Messaggi: 5940
- Iscritto il: 2 apr 2021, 23:42
- Località: Dalle parti di un grande lago ... :)
1
voti
A questo punto si potrebbe mettere un contatore che fa suonare un cicalino, quando arriva al numero delle gocce impostato.
Alex
https://www.facebook.com/Elettronicaeelettrotecnica
<< vedi di pigliare arditamente in mano, il dizionario che ti suona in bocca,
se non altro è schietto e paesano.
(Giuseppe Giusti) <<
https://www.facebook.com/Elettronicaeelettrotecnica
<< vedi di pigliare arditamente in mano, il dizionario che ti suona in bocca,
se non altro è schietto e paesano.
(Giuseppe Giusti) <<
1
voti
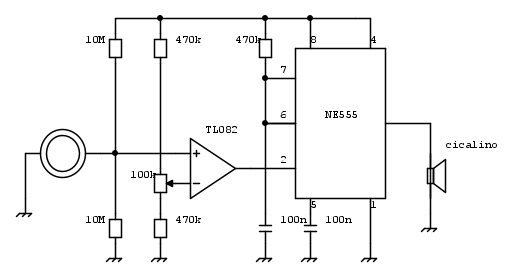
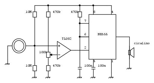
probabilmente si può semplificare: forse si può togliere l'operazionale, chiedo ai più esperti dell'NE555.
il cicalino deve essere del tipo con oscillatore interno, da alimentare con tensione continua.
il trimmer andrà regolato partendo dal massimo, il cicalino continuerà a suonare, molto lentamente ruotarlo fino a che smette, in questo modo ad ogni goccia dovrebbe fare un bip di 50 msec
-

SediciAmpere
4.187 5 5 8 - Master

- Messaggi: 4847
- Iscritto il: 31 ott 2013, 15:00
0
voti
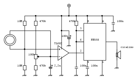
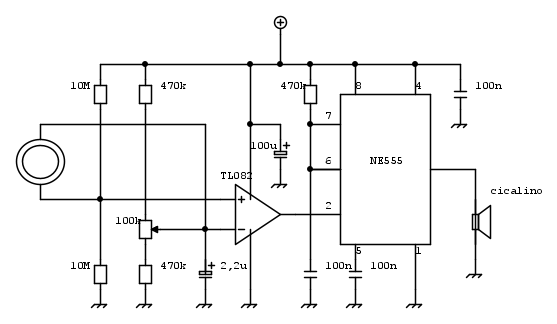
vrsione migliorata
-

SediciAmpere
4.187 5 5 8 - Master

- Messaggi: 4847
- Iscritto il: 31 ott 2013, 15:00
0
voti
Non hai previsto un filtro per evitare che i rumori un po forti possano far suonare il cicalino ? ... qualcosa che tagli fuori tutte le frequenze (o almeno la maggior parte possibile) che non siano quelle prodotte da una goccia ?
Certo, per essere piu sicuri prima servirebbe costruire un supporto e poi rilevare la forma d'onda prodotta dalle gocce sul fondo del bicchierino con l'oscilloscopio
EDIT: NON e' una critica, solo curiosita'
Certo, per essere piu sicuri prima servirebbe costruire un supporto e poi rilevare la forma d'onda prodotta dalle gocce sul fondo del bicchierino con l'oscilloscopio
EDIT: NON e' una critica, solo curiosita'
"Sopravvivere" e' attualmente l'unico lusso che la maggior parte dei Cittadini italiani,
sia pure a costo di enormi sacrifici, riesce ancora a permettersi.
sia pure a costo di enormi sacrifici, riesce ancora a permettersi.
-

Etemenanki
9.517 3 6 10 - Master

- Messaggi: 5940
- Iscritto il: 2 apr 2021, 23:42
- Località: Dalle parti di un grande lago ... :)
0
voti
No, non ce l'ho messo, sicuramente se qualcuno tocca il bicchiere o il tavolo, o sbatte una porta il cicalino suonerà. Purtroppo la frequenza della goccia che cade nel bicchiere dipende principalmente dalla frequenza di risonanza del bicchiere, la goccia è solo un urto, è veramente difficile distinguerla dalle altre pertubazioni; però con il trimmer è possibile regolare la sensibilità
-

SediciAmpere
4.187 5 5 8 - Master

- Messaggi: 4847
- Iscritto il: 31 ott 2013, 15:00
0
voti
GioArca67 ha scritto:Per far uscire le gocce occorre fare molta forza sulla boccetta?
No, il contenitore è in vetro, basta tenerlo a capo in giù, pazientare e le gocce iniziano a cadere per gravità. Grazie
1
voti
SediciAmpere ha scritto:vrsione migliorata
Cavolo che meraviglia! Domani mattina mi metto a montarlo su breadboard. Una domanda però (ormai stresso fino da ultimo): la capsula che caratteristiche deve avere? Io ho delle capsule piezo che uso come cicalini collegati ad arduino che avranno un diametro di circa 2 cm oppure quelle che metto in allegato (fatta ricerca veloce su amazon) Pensate potrebbe andare una di queste? Grazie ancora, siete davvero persone "super"!
35 messaggi
• Pagina 3 di 4 • 1, 2, 3, 4
Chi c’è in linea
Visitano il forum: Nessuno e 1 ospite

Elettrotecnica e non solo (admin)
Un gatto tra gli elettroni (IsidoroKZ)
Esperienza e simulazioni (g.schgor)
Moleskine di un idraulico (RenzoDF)
Il Blog di ElectroYou (webmaster)
Idee microcontrollate (TardoFreak)
PICcoli grandi PICMicro (Paolino)
Il blog elettrico di carloc (carloc)
DirtEYblooog (dirtydeeds)
Di tutto... un po' (jordan20)
AK47 (lillo)
Esperienze elettroniche (marco438)
Telecomunicazioni musicali (clavicordo)
Automazione ed Elettronica (gustavo)
Direttive per la sicurezza (ErnestoCappelletti)
EYnfo dall'Alaska (mir)
Apriamo il quadro! (attilio)
H7-25 (asdf)
Passione Elettrica (massimob)
Elettroni a spasso (guidob)
Bloguerra (guerra)







