Cos'è ElectroYou | Login Iscriviti

ElectroYou - la comunità dei professionisti del mondo elettrico

Effetti di carico di un singolo stadio

Elettronica lineare e digitale: didattica ed applicazioni

Moderatori: Foto Utentecarloc, Foto Utenteg.schgor, Foto UtenteBrunoValente, Foto UtenteIsidoroKZ

0
voti

[1] Effetti di carico di un singolo stadio

Messaggioda Foto UtenteAllen » 23 feb 2024, 10:56

Buongiorno a tutti O_/

Sto svolgendo un esercizio teorico che mi sono assegnato per comprendere meglio il calcolo dei guadagni a centrobanda di un amplificatore in configurazione ad emettitore comune, con una resistenza sul terminale di emettitore. Il circuito in AC é il primo allegato.

La teoria mi dice che questo amplificatore é un Amplificatore di Transconduttanza per cui posso fare uno schema a doppio bipolo che ho inviato nel secondo allegato.

Per valutare gli effetti di carico, ho deciso di calcolare il Guadagno di Transconduttanza dal modello a doppio bipolo e si ha che, se ipotizzo una Rout infinita (poiché nel calcolo dei guadagni ipotizzo che la resistenza di uscita del transistore sia infinita):

{{A}_{TC(tot)}}={{A}_{TC}}*{\frac {{R}_{IN}} {{R}_{S}+{{R}_{IN}}}}

In cui al secondo membro sono presenti gli effetti di carico.

I dubbi che mi sono venuti svolgendo l'esercizio sono:

1) Il libro che utilizzo spesso chiede di calcolare il "guadagno ai terminali". In base ai risultati ottenuti svolgendo l'esercizio, é corretto dire che il guadagno ai terminali non mi fa vedere gli effetti di carico (del circuito a monte in questo caso) ma anche una parte del guadagno dovuta alla rete di polarizzazione? (Perché nel fare i conti noto l'assenza della rete di polarizzazione e di Rs quando trovo il guadagno ai terminali)

2) Essendo libero di calcolare qualsiasi guadagno, gli effetti di carico assumono la stessa forma descritta sopra? Provando a calcolare i guadagni, ho dovuto manipolare un po' le equazioni per ottenere la stessa forma.

Vi ringrazio in anticipo! :)
Allegati
image1.jpg
image0.jpg
Avatar utente
Foto UtenteAllen
13 4
 
Messaggi: 40
Iscritto il: 14 giu 2018, 21:39

0
voti

[2] Re: Effetti di carico di un singolo stadio

Messaggioda Foto UtenteMarcoD » 23 feb 2024, 11:39

Probabilmente è tutto corretto, ma sono spaventato dal livello di astrazione teorica dello schema didattico.
Non so se in un data sheet di un transistor viene fornito il guadagno di transconduttanza.
Prova prima a polarizzare il transistor.
Ti allego un esempio di schema di un circuito con i corrispondenti risultati di simulazione.
Allegati
FIG 2 amplif npn schema e risult simulaz.jpg
Avatar utente
Foto UtenteMarcoD
12,2k 5 9 13
Master EY
Master EY
 
Messaggi: 6696
Iscritto il: 9 lug 2015, 16:58
Località: Torino

0
voti

[3] Re: Effetti di carico di un singolo stadio

Messaggioda Foto UtenteAllen » 23 feb 2024, 11:48

Ciao Marco O_/

Il modello é stato introdotto solo per farci comprendere gli effetti di carico del circuito a monte (modellato da Rs e Vs) e del circuito a valle (modellato da RL) e per capire come definire in maniera univoca un amplificatore (di transconduttanza in questo caso). Ovviamente lo studio non finisce lí :D

Cosa intendi per "tutto corretto" ? I miei dubbi erano sulla forma analitica dei guadagni :oops:
Avatar utente
Foto UtenteAllen
13 4
 
Messaggi: 40
Iscritto il: 14 giu 2018, 21:39

0
voti

[4] Re: Effetti di carico di un singolo stadio

Messaggioda Foto UtenteMarcoD » 23 feb 2024, 15:09

I miei dubbi erano sulla forma analitica dei guadagni

Faccio fatica a comprendere e a rispondere.
Il guadagno di transconduttanza è la variazione di corrente di collettore in funzione della Vbase emettitore?

Ero abituato a usare i parametri ibridi semplificati, ossia la corrente di collettore in funzione della sola corrente di base (trascurando l'effetto Early), supponendo la Vbe quasi costante.

Come viene calcolata ATC ?
All'interno del calcolo della ATC è compresa la Re ?
Se supponi Re = 0, le formule sono banali.
La Rout è infinita ?
Avatar utente
Foto UtenteMarcoD
12,2k 5 9 13
Master EY
Master EY
 
Messaggi: 6696
Iscritto il: 9 lug 2015, 16:58
Località: Torino

0
voti

[5] Re: Effetti di carico di un singolo stadio

Messaggioda Foto UtenteAllen » 23 feb 2024, 17:07

Il guadagno di transconduttanza è stato definito come il rapporto tra io e vs
Siccome ho supposto la resistenza di uscita infinita (quindi come hai detto tu trascurando l’effetto early), la io coincide con la variazione della corrente di collettore ( con un segno meno ).

Il mio problema non è calcolarmi i vari guadagni, ma vorrei capire se gli effetti di carico sono gli stessi, cioè analiticamente hanno la stessa forma, indipendentemente dal tipo di guadagno calcolato che per quello di transconduttanza è quell’equazione scritta nel primo messaggio.

Spero di essermi espresso meglio :)
Avatar utente
Foto UtenteAllen
13 4
 
Messaggi: 40
Iscritto il: 14 giu 2018, 21:39

0
voti

[6] Re: Effetti di carico di un singolo stadio

Messaggioda Foto UtenteMarcoD » 23 feb 2024, 17:16

ma vorrei capire se gli effetti di carico sono gli stessi, cioè analiticamente hanno la stessa forma, indipendentemente dal tipo di guadagno calcolato

E' difficile che abbiano la stessa forma.
Intendi "di carico" sul generatore del segnale di ingresso?
Consideri la resistenza del generatore facente parte dell'amplificatore o del generatore (dipende da dove metti i morsetti).
Dovresti calcolare la resistenza equivalente di ingresso del transistor, essa dipende dal resistore Re sulla base, moltiplicata per il beta (hfe) del transistor, cui si somma la rbe, ma con il doppio dipolo della transconduttanza forse non la vedi.

Studi questi circuiti per interesse personale o su richiesta didattica?
O_/
Avatar utente
Foto UtenteMarcoD
12,2k 5 9 13
Master EY
Master EY
 
Messaggi: 6696
Iscritto il: 9 lug 2015, 16:58
Località: Torino

0
voti

[7] Re: Effetti di carico di un singolo stadio

Messaggioda Foto UtenteIsidoroKZ » 23 feb 2024, 17:24

Quale libro stai usando?

Dove metti i "confini" dell'amplificatore?
Disegna lo schema con FidoCadJ, è più comodo per chi ti risponde.
Per usare proficuamente un simulatore, bisogna sapere molta più elettronica di lui
Plug it in - it works better!
Il 555 sta all'elettronica come Arduino all'informatica! (entrambi loro malgrado)
Se volete risposte rispondete a tutte le mie domande
Avatar utente
Foto UtenteIsidoroKZ
121,2k 1 3 8
G.Master EY
G.Master EY
 
Messaggi: 21059
Iscritto il: 17 ott 2009, 0:00

0
voti

[8] Re: Effetti di carico di un singolo stadio

Messaggioda Foto UtenteAllen » 23 feb 2024, 18:37

Sto studiando dal libro: "MICROELETTRONICA di C. Jaeger", ma questo modello ci é stato presentato a lezione.

Supponiamo io voglia calcolare il guadagno di Transconduttanza da questo modello del mio Amplificatore.
Ipotizzando che la resistenza di uscita dell'amplificatore sia infinita e che quindi anche Rout é infinita, posso scrivere che:

A_{TCtot}=\frac{i_0}{v_s}= A_{TC}*\frac{R_{IN}}{R_S+R_{IN}}

Se voglio calcolare il guadagno di tensione, posso sfruttare il risultato precedente in questo modo:

A_{Vtot}= \frac{v_0}{v_s} = \frac{v_0}{i_0}\frac{i_0}{v_s}= R_L*A_{TCtot}= R_L*A_{TCtot}= R_L*A_{TC}*\frac{R_{IN}}{R_{IN}+R_S}

Quest'ultima equazione mi sta dicendo che posso scrivere il guadagno di tensione totale come il guadagno di tensione formato da: R_L*A_{TC} (che dimensionalmente é volt/volt come mi aspetto) moltiplicato gli effetti di carico del circuito a monte \frac{R_{IN}}{R_{IN}+R_S}, che sono gli stessi di quelli che ho trovato calcolando il guadagno di transconduttanza.

Questo vuol dire che qualsiasi sia il guadagno che voglio calcolare, gli effetti di carico sono sempre gli stessi?
Grazie ancora per la pazienza :roll:

Avatar utente
Foto UtenteAllen
13 4
 
Messaggi: 40
Iscritto il: 14 giu 2018, 21:39

0
voti

[9] Re: Effetti di carico di un singolo stadio

Messaggioda Foto UtenteMarcoD » 23 feb 2024, 20:16

Questo vuol dire che qualsiasi sia il guadagno che voglio calcolare, gli effetti di carico sono sempre gli stessi?

Anche questa frase è da interpretare:

Intendi (quasi) qualsiasi guadagno che vuoi ottenere?
Problema del progettista.

Oppure dati i valori dei componenti calcoli il guadagno presente?
Problema del verificatore del progetto.

Se la resistenza in serie all'emettitore è zero, sì gli effetti sul generatore sono gli stessi.

Io sono ormai "senior", sono curioso di sapere se hai mai costruito/montato un circuito elettronico (compito una volta dell'operaio montatore) a casa o a scuola e ne hai mai verificato il funzionamento al banco con generatore e oscilloscopio ( compito del perito o dell'ingegnere junior). Al Politecnico le attività si svolgevano nel laboratorio didattico.
Avatar utente
Foto UtenteMarcoD
12,2k 5 9 13
Master EY
Master EY
 
Messaggi: 6696
Iscritto il: 9 lug 2015, 16:58
Località: Torino

2
voti

[10] Re: Effetti di carico di un singolo stadio

Messaggioda Foto UtenteIsidoroKZ » 23 feb 2024, 21:18

Non sono sicuro di aver capito la tua perplessita`.

Il partitore di ingresso e` sempre li`, sia che calcoli la tensione di uscita o la corrente di uscita.

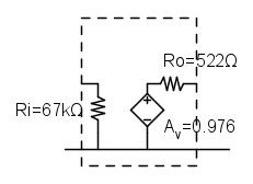
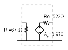
Quando riduci l'amplificatore a un blocco base, piu` una sorgente e un carico attorno, i calcoli vengono bene se l'amplificatore e` unidirezionale, altrimenti si possono fare lo stesso, ma si rischiano dei casini. Proviamo a prendere un collettore comune



Uno potrebbe dire che e` un amplificatore di tensione (elevata impedenza di ingresso e bassa impedenza di uscita) e fin qui va bene. Potrebbe venire la tentazione di trovare l'amplificatore di tensione del blocco base, quello nel rettangolo tratteggiato. Se si cerca il circuito equivalente, SOLO della parte nel rettangolo, si trova



Questo circuito equivalente non e` proprio equivalente, perche' ne manca un pezzo. Potrebbe venire la tentazione di calcolare il guadagno usando i partitori di ingresso e di uscita, e si otterrebbe un guadagno complessivo dato dal prodotto di Av per i due partitori di ingresso e di uscita, e viene 0.684. Peccato che questo risultato e` sbagliato :(

La ragione e` che questo circuito non e` unidirezionale: quando si collega il carico cambia l'impedenza di ingresso e quindi anche la partizione di ingresso. Per fare una cosa da "elettrotecnici" bisogna usare un modello piu` complicato, con un generatore pilotato anche sull'ingresso e poi in conti vengono comunque lunghi perche' c'e` una retroazione che cambia le cose. Facendo i conti giusti (se non ho sbagliato!) dovrebbe venire Av=0.823.

I conti giusti si fanno ad esempio trovando guadagno e impedenza di ingresso CON IL CARICO, e poi si fa la partizione fra Rs e l'impedenza di uscita con il carico, oppure si fa il modello CON LA SORGENTE calcolando guadagno e impedenza di uscita, poi si fa la partizione fra Ro e Rl.

In entrambi i casi si fanno conti "lunghi", meglio calcolare in un colpo solo il guadagno, includendo contemporaneamente la sorgente e il carico.

Per fare questa operazione si possono fare gli equivalenti sulla base e sull'emettitore, ottenendo questo circuito




Da cui si calcola che il guadagno e` proprio 0.823.

Se guardi in fondo al tuo libro, nell'appendice (mi pare), e` spiegato il metodo di falsa posizione con cui si puo` anche risolvere questo circuito, senza dover calcolare tutti gli equivalenti come ho fatto qui. Forse piu` tardi riesco a preparare l'esempio
Per usare proficuamente un simulatore, bisogna sapere molta più elettronica di lui
Plug it in - it works better!
Il 555 sta all'elettronica come Arduino all'informatica! (entrambi loro malgrado)
Se volete risposte rispondete a tutte le mie domande
Avatar utente
Foto UtenteIsidoroKZ
121,2k 1 3 8
G.Master EY
G.Master EY
 
Messaggi: 21059
Iscritto il: 17 ott 2009, 0:00

Prossimo

Torna a Elettronica generale

Chi c’è in linea

Visitano il forum: Nessuno e 66 ospiti