Cos'è ElectroYou | Login Iscriviti

ElectroYou - la comunità dei professionisti del mondo elettrico

Condizionamento segnale analogico

Elettronica lineare e digitale: didattica ed applicazioni

Moderatori: Foto Utentecarloc, Foto Utenteg.schgor, Foto UtenteBrunoValente, Foto UtenteIsidoroKZ

0
voti

[11] Re: Condizionamento segnale analogico

Messaggioda Foto Utenteandre29 » 11 mar 2024, 15:41

lelerelele ha scritto:Quindi la tua intenzione è di contare il numero di giri?


Si esatto.

lelerelele ha scritto:oppure puoi andare per via software, a leggere l'impulso, (il primo rilevabile), e poi andare a temporizzare di una grandezza che sia certamente maggiore della larghezza dell'impulso, quindi leggerai il successivo.

Questo si potrebbe fare a priori per rafforzare la lettura.

lelerelele ha scritto:sto pensando però, come si comportano questi impulsi aumentando il numero di giri?
saluti.

Questo non lo so. Dovrei rifare la misura ma la farò sicuramente.

dadduni ha scritto:puoi tranquillamente farlo in digitale, ma ti serve un filtro FIR

Sinceramente non ho molta esperienza.
Avatar utente
Foto Utenteandre29
68 1 2 7
Frequentatore
Frequentatore
 
Messaggi: 267
Iscritto il: 26 apr 2015, 9:57

0
voti

[12] Re: Condizionamento segnale analogico

Messaggioda Foto UtenteMarcoD » 11 mar 2024, 17:58


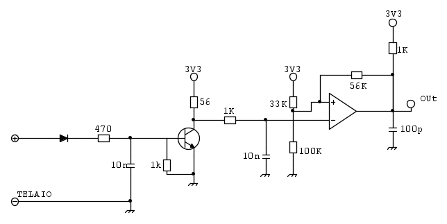
Mi sono divertito ad abbozzare un circuito che potrebbe fungere da contagiri, oppere più semplicemente per relievare le forma d'onda e poi discuterne. Commenti? Modifiche?
Avatar utente
Foto UtenteMarcoD
12,2k 5 9 13
Master EY
Master EY
 
Messaggi: 6696
Iscritto il: 9 lug 2015, 16:58
Località: Torino

0
voti

[13] Re: Condizionamento segnale analogico

Messaggioda Foto Utenteandre29 » 14 mar 2024, 15:00

Ciao,
questo è il mio circuito che ho testato e sembra funzionare. .


Del tuo circuito non ho ben chiaro la funzione di C3 e la forma del filtro sulla base del BJT. (R e C in parallelo)
Avatar utente
Foto Utenteandre29
68 1 2 7
Frequentatore
Frequentatore
 
Messaggi: 267
Iscritto il: 26 apr 2015, 9:57

0
voti

[14] Re: Condizionamento segnale analogico

Messaggioda Foto Utentedadduni » 14 mar 2024, 15:07

non vedo il motivo di avere un BJT prima dell'OPAMP, a quel punto puoi accorpare i due filtri (prima e dopo BJT) e andare col segnale direttamente nell'opamp
Avatar utente
Foto Utentedadduni
2.073 2 7 12
Expert EY
Expert EY
 
Messaggi: 1370
Iscritto il: 23 mag 2014, 16:26

0
voti

[15] Re: Condizionamento segnale analogico

Messaggioda Foto UtenteMarcoD » 14 mar 2024, 15:56

C3 media la corrente degli impulsi e rende la tensione/corrente applicata al milliamperometro del multimetro costante.
Con un milliamperometro analogico a bobina mobile, C3 può venire omesso, ci pensa l'inerzia meccanica dello strumento a mediare.
Senza vedere la forma d'onda degli impulsi in ingresso, non si può dire quale circuito sia meglio, o inutilmente complicato.

Riporta i rilievi fatti all'oscilloscopio, segnale ingresso e segnale sulla base transistor.
Quale è l'ampiezza impulsiva massima del segnale?
Quelli del post 1 paiono strani, probabilmente è presente un errore di copia/incolla.
Avatar utente
Foto UtenteMarcoD
12,2k 5 9 13
Master EY
Master EY
 
Messaggi: 6696
Iscritto il: 9 lug 2015, 16:58
Località: Torino

Precedente

Torna a Elettronica generale

Chi c’è in linea

Visitano il forum: Nessuno e 77 ospiti