Buongiorno, sto avendo un piccolo problema con l'avvio di un doppio bipolo su matlab/simulink.
Vorrei capire dove sta l'errore, se ho sbagliato dei collegamenti o altro.
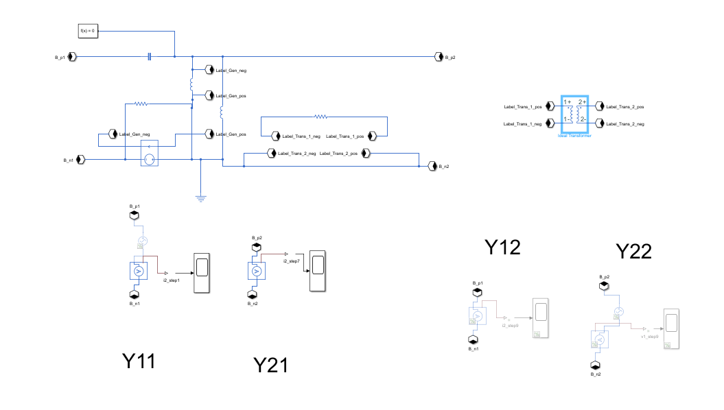
Allego foto del testo, del circuito su simulink e anche il file dell'esercizio.
Ringrazio chi risponderà.
PS: il sito non accetta i file simulink, esiste un modo per poterlo inviare?
Non ho inserito altre foto contenenti variabili e dati, se fossero necessari, li invio.
PPS: ho notato che forse è il caso di mandare il mio schema con fidocad.
Purtroppo ho sbagliato e non ci ho fatto caso.
Non sarò disponibile per un po' di tempo, però rimedierò appena posso.
Scusatemi.
Simulazione di un doppio bipolo
Moderatori:
g.schgor,
IsidoroKZ
5 messaggi
• Pagina 1 di 1
0
voti
1
voti
Non sarebbe forse il caso di determinare prima di tutto la matrice senza Matlab.
Per esempio, usando il classico metodo di ricavare le ammettenze singolarmente,

Usando, per esempio, la mia preferita "regula falsi", ovvero ipotizzando una "falsa" IL1 (vedo "conveniente" per es. 2A), si determina l'ammettenza via rapporto fra falsa I1 e falsa V1, ottenendola semplicemente e soprattutto velocemente.



Per esempio, usando il classico metodo di ricavare le ammettenze singolarmente,

Usando, per esempio, la mia preferita "regula falsi", ovvero ipotizzando una "falsa" IL1 (vedo "conveniente" per es. 2A), si determina l'ammettenza via rapporto fra falsa I1 e falsa V1, ottenendola semplicemente e soprattutto velocemente.



"Il circuito ha sempre ragione" (Luigi Malesani)
0
voti
Ciao Renzo, ti ringrazio per avermi risposto.
Onestamente non avevo pensato a questa risoluzione, non avrei immaginato che trovasse applicazioni anche qui (consapevole che si tratta sempre di elettrotecnica)
.
Comunque in questo esercizio è richiesto l'uso del simulatore, o meglio, è consigliato per un fattore tempistico in sede d'esame.
Ci è concesso poter portare dei file simulink/matlab (da casa) in cui prepariamo schemi e codici, in modo tale da risparmiare più tempo possibile ed utilizzarlo per i calcoli.
Quindi è praticamente immediato, almeno fino a quando vigeranno queste "regole", basta disegnare il circuito, inserire i valori e ho risolto.
Mi servirebbe solo qualche dritta riguardo il "disegno", in questo caso non capisco il mio errore.
Applico sempre la stessa metodologia (ho svolto altri esercizi molto simili).
Ti ringrazio, procedo.
RenzoDF ha scritto:Usando, per esempio, la mia preferita "regula falsi", ovvero ipotizzando una "falsa" IL1 (vedo "conveniente" per es. 2A), si determina l'ammettenza via rapporto fra falsa I1 e falsa V1, ottenendola semplicemente e soprattutto velocemente.
Onestamente non avevo pensato a questa risoluzione, non avrei immaginato che trovasse applicazioni anche qui (consapevole che si tratta sempre di elettrotecnica)
Comunque in questo esercizio è richiesto l'uso del simulatore, o meglio, è consigliato per un fattore tempistico in sede d'esame.
Ci è concesso poter portare dei file simulink/matlab (da casa) in cui prepariamo schemi e codici, in modo tale da risparmiare più tempo possibile ed utilizzarlo per i calcoli.
Quindi è praticamente immediato, almeno fino a quando vigeranno queste "regole", basta disegnare il circuito, inserire i valori e ho risolto.
Mi servirebbe solo qualche dritta riguardo il "disegno", in questo caso non capisco il mio errore.
Applico sempre la stessa metodologia (ho svolto altri esercizi molto simili).
RenzoDF ha scritto:... dimenticavo, per allegare i file basta inserirli in un archivio zip.
Ti ringrazio, procedo.
- Allegati
-
es2_30_10_23.zip- (40.33 KiB) Scaricato 124 volte
0
voti
Non so se è stato un errore o altro, ma l'ultima risposta è stata cancellata.
Purtroppo non sono arrivato a visionare in tempo.
Purtroppo non sono arrivato a visionare in tempo.
5 messaggi
• Pagina 1 di 1
Torna a Elettrotecnica generale
Chi c’è in linea
Visitano il forum: Nessuno e 25 ospiti

Elettrotecnica e non solo (admin)
Un gatto tra gli elettroni (IsidoroKZ)
Esperienza e simulazioni (g.schgor)
Moleskine di un idraulico (RenzoDF)
Il Blog di ElectroYou (webmaster)
Idee microcontrollate (TardoFreak)
PICcoli grandi PICMicro (Paolino)
Il blog elettrico di carloc (carloc)
DirtEYblooog (dirtydeeds)
Di tutto... un po' (jordan20)
AK47 (lillo)
Esperienze elettroniche (marco438)
Telecomunicazioni musicali (clavicordo)
Automazione ed Elettronica (gustavo)
Direttive per la sicurezza (ErnestoCappelletti)
EYnfo dall'Alaska (mir)
Apriamo il quadro! (attilio)
H7-25 (asdf)
Passione Elettrica (massimob)
Elettroni a spasso (guidob)
Bloguerra (guerra)

