Cos'è ElectroYou | Login Iscriviti

ElectroYou - la comunità dei professionisti del mondo elettrico

Generatore di impulso ritardato rispetto all'alimentazione

Circuiti, campi elettromagnetici e teoria delle linee di trasmissione e distribuzione dell’energia elettrica

Moderatori: Foto Utenteg.schgor, Foto UtenteIsidoroKZ

0
voti

[11] Re: Generatore di impulso ritardato rispetto all'alimentazio

Messaggioda Foto UtenteOlivetto » 15 mag 2024, 8:28

Etemenanki ha scritto:Quindi di fatto, per quanto ho capito (ma correggimi se sbaglio) non ti servono precisione e ripetibilita' (nel senso sempre esattamente lo stesso ritardo e la stessa lunghezza al millisecondo), ma solo un circuito che, dopo che hai alimentato, passato un tempo da te deciso (magari con un potenziometro), ti dia un'impulso piu o meno simile alla pressione di un tasto (quindi anche se variasse un po di volta in volta, basta che sia lungo a sufficenza per far accendere l'apparecchio che tu vuoi simulando la pressione del pulsante con un contatto pulito di un piccolo rele') ... giusto fino a qui ?

Un banale paio di monostabili in cascata, ad esempio, uno che da' lo start al secondo dopo tot tempo dall'alimentazione, ed un secondo che da' l'impulso ?


Esatto, deve simulare la pressione del dito sul pulsante di avvio. Perdonami ma non riesco a capire come fare come dici tu con i monostabili...appena ho un attimo mi documento...il mio problema principale è che l'impulso deve essere uno solo, per ogni riavvio del circuito. Grazie
Avatar utente
Foto UtenteOlivetto
45 3
New entry
New entry
 
Messaggi: 70
Iscritto il: 9 ott 2021, 14:47

0
voti

[12] Re: Generatore di impulso ritardato rispetto all'alimentazio

Messaggioda Foto UtenteOlivetto » 15 mag 2024, 8:36

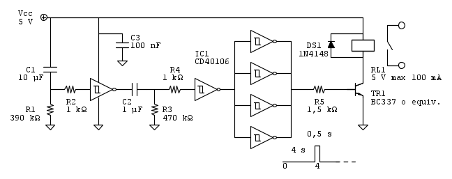
GuidoB ha scritto:Siccome non hai bisogno di tanta precisione, ti propongo questo circuito basato su un integrato CMOS contenente 6 inverter a trigger di Schmitt.


.......
........
Attenzione a montare DS1 (diodo di ricircolo per la bobina del relè) nel verso corretto.


Grazie non sembra difficile realizzarlo, devo trovare il CD4016... La spiegazione è chiarissima, grazie ancora.
Avatar utente
Foto UtenteOlivetto
45 3
New entry
New entry
 
Messaggi: 70
Iscritto il: 9 ott 2021, 14:47

0
voti

[13] Re: Generatore di impulso ritardato rispetto all'alimentazio

Messaggioda Foto UtenteOlivetto » 15 mag 2024, 8:48

La soluzione di Guido, per ora è in attesa di reperimento CD40106, quindi non di immediata realizzazione...
ho linkato il thread di cui parlavo nei post precedenti, chiedo se si possa migliorare il circuito che a sua volta viene menzionato in quel thread. Per comodità lo ripeto qui : viewtopic.php?t=79618
Questo circuito risulta interessante, a mio avviso, ma ho tentato di realizzarlo per le mie esigenze e non sono riuscito a dimensionare le componenti per i tempi che mi occorrono. Quando cercavo di cambiare i valori di resistenze e condensatori non riuscivo ad ottenere un risultato decente... Non posso dare ulteriori info su questa esperienza perché lo realizzai più di un anno fa...e ora non ricordo i particolari.
Se fosse possibile aggiustare i tempi di questo circuito potrei iniziare a lavorarci anche subito, dovrei avere tutto l'occorrente.
Ringrazio tutti per la gentile e pronta partecipazione a questo thread. :D

PS- chiedo scusa se non rispondo subito, ovvio che appena ho un attimo libero e il PC a portata, voi siete il mio primo pensiero! :-)
Avatar utente
Foto UtenteOlivetto
45 3
New entry
New entry
 
Messaggi: 70
Iscritto il: 9 ott 2021, 14:47

1
voti

[14] Re: Generatore di impulso ritardato rispetto all'alimentazio

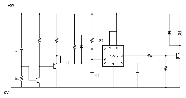
Messaggioda Foto UtenteThEnGi » 15 mag 2024, 11:40

e se "modifichiamo" così ? Non avere NE555 in casa è grave :mrgreen:

Solo NE555, diodi, condensatori e NPN :ok:

Il ritardo lo generei con R1/C1 ("spartano") e il tempo di attivazione del relè lo generi con R2/C2 ("preciso").
Non so se il transistor in configurazione stile Darlington per avere un elevato guadagno oggettivamente funzioni :?:



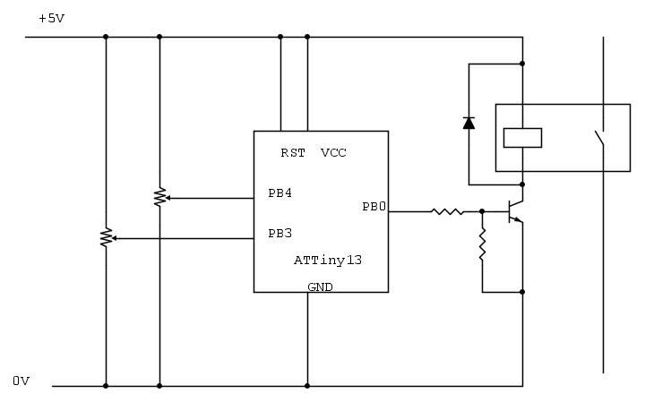
NDR: Nessuno ha ancora tirato fuori un ATtiny, guardate che lo faccio io :mrgreen:
O_/
Avatar utente
Foto UtenteThEnGi
2.230 3 6 9
Expert EY
Expert EY
 
Messaggi: 2228
Iscritto il: 6 ott 2022, 18:43

0
voti

[15] Re: Generatore di impulso ritardato rispetto all'alimentazio

Messaggioda Foto Utentelelerelele » 15 mag 2024, 12:02

Foto UtenteOlivetto quando citi un messaggio precedente, non devi mettere tutta la pagina, ma solo la parte a cui intendi rispondere, è più facile da leggere.
Avatar utente
Foto Utentelelerelele
4.899 3 7 9
Master
Master
 
Messaggi: 5505
Iscritto il: 8 giu 2011, 8:57
Località: Reggio Emilia

1
voti

[16] Re: Generatore di impulso ritardato rispetto all'alimentazio

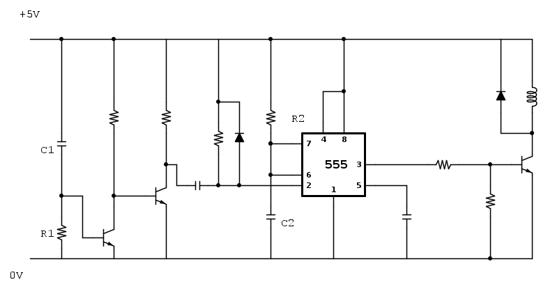
Messaggioda Foto UtenteMarcoD » 15 mag 2024, 13:13

Presento per divertimento lo schema obsoleto seguente, non è detto che funzioni, ma con i valori adatti potrebbe. :D :D
Avatar utente
Foto UtenteMarcoD
12,2k 5 9 13
Master EY
Master EY
 
Messaggi: 6696
Iscritto il: 9 lug 2015, 16:58
Località: Torino

1
voti

[17] Re: Generatore di impulso ritardato rispetto all'alimentazio

Messaggioda Foto Utentestefanopc » 15 mag 2024, 13:46

Non è una porcheria Foto UtenteMarcoD ma mi sembra un pelo ingombrante. :mrgreen:
Si potrebbe anche dire "inutile inventare l'acqua calda" .



Se ricordo bene con un CD4060 un condensatore e due resistenze si dovrebbe riuscire a fare quanto richiesto.
Basta prendere come uscita ad esempio Q7 e collegare il Q8 al reset.
Rx e Cx ovviamente generano il clock per la cascata di contatori.
Non dovrebbe essere complicato gestire con buona precisione la temporizzatore richiesta da progetto dimensionando correttamente Rx e Cx.
D'altronde il chip è utilizzato spessissimo per questo genere di applicazione.
Ciao
600 Elettra
Avatar utente
Foto Utentestefanopc
13,3k 5 9 13
Master EY
Master EY
 
Messaggi: 5567
Iscritto il: 4 ago 2020, 9:11

1
voti

[18] Re: Generatore di impulso ritardato rispetto all'alimentazio

Messaggioda Foto UtenteMarcoD » 15 mag 2024, 14:50

Avatar utente
Foto UtenteMarcoD
12,2k 5 9 13
Master EY
Master EY
 
Messaggi: 6696
Iscritto il: 9 lug 2015, 16:58
Località: Torino

1
voti

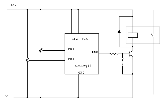
[19] Re: Generatore di impulso ritardato rispetto all'alimentazio

Messaggioda Foto UtenteThEnGi » 15 mag 2024, 15:01

Con tempi regolabili da potenziomentro :mrgreen:

Così hai anche il BOD, una lussuria



scusate non ho resistito :mrgreen:

O_/
Avatar utente
Foto UtenteThEnGi
2.230 3 6 9
Expert EY
Expert EY
 
Messaggi: 2228
Iscritto il: 6 ott 2022, 18:43

0
voti

[20] Re: Generatore di impulso ritardato rispetto all'alimentazio

Messaggioda Foto UtenteMarcoD » 15 mag 2024, 15:48

Complimenti Foto UtenteThEnGi, il colmo della lussuria elettronica:
un microprocessore solo per il controllo e la generazione dell'impulso. Però i costi sono bassissimi e comparabili con quelli di un integrato e due transistor :D.
Avatar utente
Foto UtenteMarcoD
12,2k 5 9 13
Master EY
Master EY
 
Messaggi: 6696
Iscritto il: 9 lug 2015, 16:58
Località: Torino

PrecedenteProssimo

Torna a Elettrotecnica generale

Chi c’è in linea

Visitano il forum: Nessuno e 19 ospiti