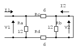
Scorre in quella lato ingresso, ma non passa per I2.Ma come mai non scorre anche nell'altra da 12ohm?
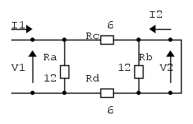
Se ti riferisci a quella in uscita, non scorre perché è cortocircuitata dal cortocircuito in cui scorre I2.
Moderatori:
g.schgor,
IsidoroKZ
Scorre in quella lato ingresso, ma non passa per I2.Ma come mai non scorre anche nell'altra da 12ohm?
latiox05 ha scritto:Su i2 non riesco ancora a capire(colpa mia), cioè , il - è presente perché la corrente scorre nel verso contrario rispetto a quello di prima giusto?
IsidoroKZ ha scritto:ma anche di tutti gli altri)


Torna a Elettrotecnica generale
Visitano il forum: Nessuno e 37 ospiti