Mistero: bagliore lampada a LED con interruttore aperto
Moderatori:
carloc,
g.schgor,
BrunoValente,
IsidoroKZ
21 messaggi
• Pagina 2 di 3 • 1, 2, 3
0
voti
se hai un tester, prova a misurare la tensione verso terra, tra ogni filo dei led (in uscita dall'alimentatore), per cursiosità , vediamo se questo alimenatore è isolato oppue no.
-

lelerelele
4.899 3 7 9 - Master

- Messaggi: 5505
- Iscritto il: 8 giu 2011, 8:57
- Località: Reggio Emilia
3
voti
arod ha scritto:Incredibilmente al buio, con l'interruttore aperto, ho notato che tre LED emettono un lieve bagliore se l'alimentatore è inserito nella presa. Eppure il contatto è aperto, non c'è continuità tra i due morsetti del contatto aperto e non c'è tensione tra i due cavi che vanno alla lampada (ho provato col tester e comunque si vede bene anche ad occhio). Com'è possibile questo fenomeno?! Il cavo che va alla lampada è intrecciato e fa un lungo percorso dentro la lampada stessa. Idee? Miracoli?
Il fenomeno non è affatto misterioso
Può sembrare strano che scorra una corrente elettrica attraverso un interruttore aperto e in effetti non passa di lì, bensì passa attraverso le inevitabili capacità parassite che si creano tra il filo conduttore e l'ambiente circostante e, ovviamente, la corrente che le attraversa non è continua ma alternata.
Il rimedio più semplice consiste nel collegare un condensatore di qualche decina di nF in parallelo ai led, in modo da bypassare la corrente parassita.
-

BrunoValente
39,6k 7 11 13 - G.Master EY

- Messaggi: 7796
- Iscritto il: 8 mag 2007, 14:48
1
voti
Una piccola precisazione
Tra Fase e Neutro va collegato (per ragioni di sicurezza) un condensatore classe X e non un condensatore qualsiasi
Questo perché i condensatori classe X sono studiati appositamente per questo utilizzo e, in caso di problemi, se si bruciano, si bruciano aperti e non in corto
Per facilitare l'installazione è meglio procurarsene uno con i reofori lunghi, in modo da poter essere collegato con più facilità direttamente sui morsetti della linea cui sono collegati i fili della lampada LED
Come precauzione è decisamente consigliabile di isolare i reofori con una guaina che si può ricavare anche semplicemente spellando un filo elettrico in mancanza di materiali più sofisticati (una guaina apposita per reofori, del tubetto sterling o del termorestringente)
K
Tra Fase e Neutro va collegato (per ragioni di sicurezza) un condensatore classe X e non un condensatore qualsiasi
Questo perché i condensatori classe X sono studiati appositamente per questo utilizzo e, in caso di problemi, se si bruciano, si bruciano aperti e non in corto
Per facilitare l'installazione è meglio procurarsene uno con i reofori lunghi, in modo da poter essere collegato con più facilità direttamente sui morsetti della linea cui sono collegati i fili della lampada LED
Come precauzione è decisamente consigliabile di isolare i reofori con una guaina che si può ricavare anche semplicemente spellando un filo elettrico in mancanza di materiali più sofisticati (una guaina apposita per reofori, del tubetto sterling o del termorestringente)
K
-

Kagliostro
6.396 4 5 7 - Master

- Messaggi: 4830
- Iscritto il: 19 set 2012, 11:32
0
voti
BrunoValente ha scritto:bensì passa attraverso le inevitabili capacità parassite che si creano tra il filo conduttore e l'ambiente circostante e, ovviamente, la corrente che le attraversa non è continua ma alternata.
Io ho sempre pensato che questa corrente, fosse prima del led, o comunque prima del gruppo di alimentazione del led che va in DC, sia esso un semplice condensatore con ponte oppure uno switching.
Se avessi una alternata sui led, visto che sopportano solo 5V inversi, di solito, sarebbero probabilmente a rischio breakdown, anche se è vero che con correnti cosi basse non dovrebbe succedere.
L'utente, ha scritto che si trova alimentato da switching, e l'interruttore pare sia a valle dello switching, lo trovo strano.
Altro discorso da fare sarebbe, ti da fastidio quella luce, oppure vorresti consumare meno corrente? perché nel primo caso ha senso mettere il condensatore di bypass, nel secondo direi che non ha un gransenso, la corrente passerebbe lo stesso.
saluti.
-

lelerelele
4.899 3 7 9 - Master

- Messaggi: 5505
- Iscritto il: 8 giu 2011, 8:57
- Località: Reggio Emilia
0
voti
Grazie per le risposte.
L'alimentatore è switching e l'interruttore è a valle dell'alimentatore. Tra i morsetti in ingresso dell'interruttore misuro 12V DC (circa) ma effettivamente ci sono anche 26V AC! Sui morsetti in uscita, con l'interruttore aperto, misuro qualcosa intorno ai 100-200mV DC e 3V AC. Probabilmente è la componente AC che fa funzionare i LED.
Aggiungo che non mi importa se c'è questo piccolo bagliore, non è fastidioso e il consumo sarà comunque ridicolo. Male che vada mi cerco un interruttore bipolare. Ad ogni modo volevo solo capire perché c'è questo fenomeno.
Ah, non ho capito il discorso sui 110V ma immagino si riferisse al caso con interruttore a monte dell'alimentatore.
L'alimentatore è switching e l'interruttore è a valle dell'alimentatore. Tra i morsetti in ingresso dell'interruttore misuro 12V DC (circa) ma effettivamente ci sono anche 26V AC! Sui morsetti in uscita, con l'interruttore aperto, misuro qualcosa intorno ai 100-200mV DC e 3V AC. Probabilmente è la componente AC che fa funzionare i LED.
Aggiungo che non mi importa se c'è questo piccolo bagliore, non è fastidioso e il consumo sarà comunque ridicolo. Male che vada mi cerco un interruttore bipolare. Ad ogni modo volevo solo capire perché c'è questo fenomeno.
Ah, non ho capito il discorso sui 110V ma immagino si riferisse al caso con interruttore a monte dell'alimentatore.
0
voti
arod ha scritto:Ah, non ho capito il discorso sui 110V ma immagino si riferisse al caso con interruttore a monte dell'alimentatore.
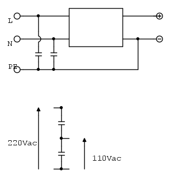
Quando non c'è una conessione tra negativo dell'uscita e la terra, i due condensatori antidisturbo formano un partitore capacitivo portando il punto medio ad un potenziale intermedio tra i due poli attivi. Con l'aggiunta di un interruttore bipolare sull'alimentazione risolveresti il problema, oltre a non lasciare l'alimentatore costantemente sotto-tensione
Kagliostro ha scritto:Una piccola precisazione
Tra Fase e Neutro va collegato (per ragioni di sicurezza) un condensatore classe X e non un condensatore qualsiasi
Confermo, un normale condensatore per corrente continua (anche da 630V), anche se sul momento regge, se si presenta una sovratensione esplode
-

SediciAmpere
4.187 5 5 8 - Master

- Messaggi: 4847
- Iscritto il: 31 ott 2013, 15:00
0
voti
Ma non vanno aggiunti condensatori tra fase e neutro, va invece aggiunto un condensatore in parallelo ai led che si accendono e se ne può utilizzare di qualsiasi tipo.
-

BrunoValente
39,6k 7 11 13 - G.Master EY

- Messaggi: 7796
- Iscritto il: 8 mag 2007, 14:48
0
voti
Se si è in DC a bassa tensione effettivamente si può usare un normale condensatore, uno classe X sarebbe ridondante, certo sarebbe una protezione in più, magari anche solo un X3 invece di un X2
Io ho indicato un X2 perché mi era sfuggito che non si trattava di lampade LED alimentate direttamente con la linea
Per quanto riguarda il collegare condensatori tra Fase e Terra e/o tra Neutro e Terra, meglio usare dei classe Y che sono studiati appositamente per quell' uso
Ah, dimenticavo
Io ho potuto verificare che nel caso di lampadine LED collegate in un corridoio con più punti di azionamento (deviatori ed invertitori) anche scollegando Fase e Neutro ma lasciando i fili nel corrugato dove ne scorrono altri a causa dell' accoppiamento capacitivo i LED emettono ugualmente un leggero bagliore
K
Io ho indicato un X2 perché mi era sfuggito che non si trattava di lampade LED alimentate direttamente con la linea
Per quanto riguarda il collegare condensatori tra Fase e Terra e/o tra Neutro e Terra, meglio usare dei classe Y che sono studiati appositamente per quell' uso
Ah, dimenticavo
Io ho potuto verificare che nel caso di lampadine LED collegate in un corridoio con più punti di azionamento (deviatori ed invertitori) anche scollegando Fase e Neutro ma lasciando i fili nel corrugato dove ne scorrono altri a causa dell' accoppiamento capacitivo i LED emettono ugualmente un leggero bagliore
K
-

Kagliostro
6.396 4 5 7 - Master

- Messaggi: 4830
- Iscritto il: 19 set 2012, 11:32
0
voti
SediciAmpere ha scritto:Quando non c'è una conessione tra negativo dell'uscita e la terra, i due condensatori antidisturbo formano un partitore capacitivo portando il punto medio ad un potenziale intermedio tra i due poli attivi. Con l'aggiunta di un interruttore bipolare sull'alimentazione risolveresti il problema, oltre a non lasciare l'alimentatore costantemente sotto-tensione
Il PE non c'è proprio (si vede anche nella foto) e nemmeno i due condensatori credo. Ad ogni modo la tensione AC misurata è molto più bassa. Ho provato anche con un altro alimentatore DC (di uno switch) è ho sempre questi 25V AC. A questo punto penso che il valore sia poco significativo... il tester è una cinesata da 10€, non è true RMS, e non ho accesso a strumenti migliori in questo momento.
0
voti
Probabilmente stai comunque misurando (male) una tensione DC: i tester, quando sono impostati per la misura delle tensioni alternate, non sono insensibili ad eventuali componenti continue.
Se vuoi misurare solo la componente alternata della tensione devi mettere un condensatore in serie ai puntali.
Se vuoi misurare solo la componente alternata della tensione devi mettere un condensatore in serie ai puntali.
-

BrunoValente
39,6k 7 11 13 - G.Master EY

- Messaggi: 7796
- Iscritto il: 8 mag 2007, 14:48
21 messaggi
• Pagina 2 di 3 • 1, 2, 3
Chi c’è in linea
Visitano il forum: Nessuno e 56 ospiti

Elettrotecnica e non solo (admin)
Un gatto tra gli elettroni (IsidoroKZ)
Esperienza e simulazioni (g.schgor)
Moleskine di un idraulico (RenzoDF)
Il Blog di ElectroYou (webmaster)
Idee microcontrollate (TardoFreak)
PICcoli grandi PICMicro (Paolino)
Il blog elettrico di carloc (carloc)
DirtEYblooog (dirtydeeds)
Di tutto... un po' (jordan20)
AK47 (lillo)
Esperienze elettroniche (marco438)
Telecomunicazioni musicali (clavicordo)
Automazione ed Elettronica (gustavo)
Direttive per la sicurezza (ErnestoCappelletti)
EYnfo dall'Alaska (mir)
Apriamo il quadro! (attilio)
H7-25 (asdf)
Passione Elettrica (massimob)
Elettroni a spasso (guidob)
Bloguerra (guerra)
