Le bombe dei terroristi hanno sempre un display collegato al timer ..... nei film
K
Moderatori:
carloc,
g.schgor,
BrunoValente,
IsidoroKZ




Kagliostro ha scritto:... Le bombe dei terroristi hanno sempre un display collegato al timer ...


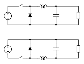
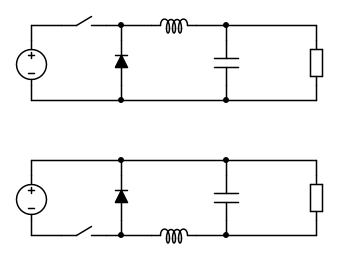
stefanodelfiore ha scritto:ThEnGi cosa vuoi dire ' Tramite un circuito buck con mosfet verso massa, il loop di controllo è di corrente e non tensione.' ?
Questa applicazione richiede una corrente costante (valor medio) nei led.







giuspier ha scritto:Può essere utile un opportuno Mix "Spie + Condensatore" da scegliere empiricamente .


Visitano il forum: Nessuno e 173 ospiti