Vasca ad ultrasuoni
Moderatori:
carloc,
g.schgor,
BrunoValente,
IsidoroKZ
1
voti
lo schema elettrico di quella cinesata è pressochè un multivibratore astabile a transistor.
Il toroide verde ha 3 avvolgimenti, due dei quali vanno in base ai transistor di potenza per "regolare" la frequenza, che viene in un certo modo imposta dal carico ( i trasduttori sono paragonabili a dei condensatori).
Il circuito non ha nessun tipo di protezione se non i fusibili... cheap e dirty...
Controlla bene bene bene tutti i diodi, che di solito son quelli che creano noie
Il toroide verde ha 3 avvolgimenti, due dei quali vanno in base ai transistor di potenza per "regolare" la frequenza, che viene in un certo modo imposta dal carico ( i trasduttori sono paragonabili a dei condensatori).
Il circuito non ha nessun tipo di protezione se non i fusibili... cheap e dirty...
Controlla bene bene bene tutti i diodi, che di solito son quelli che creano noie
- Codice: Seleziona tutto
[code=php]per il codice a colori[/code]
0
voti
Sostituito il Triac o meglio la coppia di Triac di cui uno in corto ed alimentato con un variac 100 volt.
Il TRiac è saltato di nuovo ma proprio il corpo del compoenente si è sistrutto,
i fusibili ssono integri perché alimentato con meno tensione. Ed ora si puo' mantenere inseriita la spina senza alcuna reazione.
Probabilemnte c' è qualcosa dopo il Triac che lo fa saltare ma che cosa ?
Grazie.
Il TRiac è saltato di nuovo ma proprio il corpo del compoenente si è sistrutto,
i fusibili ssono integri perché alimentato con meno tensione. Ed ora si puo' mantenere inseriita la spina senza alcuna reazione.
Probabilemnte c' è qualcosa dopo il Triac che lo fa saltare ma che cosa ?
Grazie.
0
voti
Jackd ha scritto:lo schema elettrico di quella cinesata è pressochè un multivibratore astabile a transistor.
Il toroide verde ha 3 avvolgimenti, due dei quali vanno in base ai transistor di potenza per "regolare" la frequenza, che viene in un certo modo imposta dal carico ( i trasduttori sono paragonabili a dei condensatori).
Il circuito non ha nessun tipo di protezione se non i fusibili... cheap e dirty...
Controlla bene bene bene tutti i diodi, che di solito son quelli che creano noie
I diodi sono ok.
Grazie.
0
voti
Ho notato che il Triac che salta ha collegato 2 pin ale fasi della ca ed un terzo ad un MOC 3083 che dovrebbe essere un driver ? Togliendo il MOC 3083 e sostituendo il Triac con uno nuovo tutto tace anche con tensione 230 volt..
0
voti
gbattista ha scritto:Ho notato che il Triac che salta ha collegato 2 pin ale fasi della ca ed un terzo ad un MOC 3083 che dovrebbe essere un driver ? Togliendo il MOC 3083 e sostituendo il Triac con uno nuovo tutto tace anche con tensione 230 volt..
Rifacendo la prova ed alimentatando direttamente a230 volt di nuovo il Triac si brucia con rottura del corpo senza optoisolatore.
0
voti
Scusa del ritardo non mi era arrivata la notifica della risposta,
Vado a ruota:
- se ci sono 2 triac uno è per regolare la potenza ed uno per il riscaldamento, quale si è rotto?
- il triac si distrugge perché hai un corto a valle ( a parte morte improvvisa di alcuni ST).
- Il circuito è in singola faccia, non dovresti avere troppe difficoltà a seguire le piste per vedere dove vanno e capire quale dei 2 circuiti sia in difficoltà.
- il moc3083 ha dentro un circuito che sente il passaggio per lo zero (zerocrossing), le altre sigle che hai messo invece no; non sono esperto di triac per cui non mi posso esprimere su fatto di poterli intercambiare.
- hai provato a controllare i transistor di potenza?
- controlla se tra primario e secondario non ci siano corto circuiti.
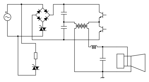
Ovviamente hai te in mano le schede per cui uno schema competo su cosa abbiano fatto diventa difficile, ma per darti una traccia di principio, lo schema lato potenza che ti troverai davanti è qualcosa molto simile a questo :
purtroppo su ste cose è più il tempo che perdi a caccia di quale sia il diffetto che a fare la riparazione.
Se hanno fatto effettivamente lo schema di principio che ti ho messo, sai che ti puoi permettere di bypassare il triac perdendo la possibilità di regolare la potenza, ma la terrei come "piano C". prima meglio capire chi è il colpevole.
Vado a ruota:
- se ci sono 2 triac uno è per regolare la potenza ed uno per il riscaldamento, quale si è rotto?
- il triac si distrugge perché hai un corto a valle ( a parte morte improvvisa di alcuni ST).
- Il circuito è in singola faccia, non dovresti avere troppe difficoltà a seguire le piste per vedere dove vanno e capire quale dei 2 circuiti sia in difficoltà.
- il moc3083 ha dentro un circuito che sente il passaggio per lo zero (zerocrossing), le altre sigle che hai messo invece no; non sono esperto di triac per cui non mi posso esprimere su fatto di poterli intercambiare.
- hai provato a controllare i transistor di potenza?
- controlla se tra primario e secondario non ci siano corto circuiti.
Ovviamente hai te in mano le schede per cui uno schema competo su cosa abbiano fatto diventa difficile, ma per darti una traccia di principio, lo schema lato potenza che ti troverai davanti è qualcosa molto simile a questo :
purtroppo su ste cose è più il tempo che perdi a caccia di quale sia il diffetto che a fare la riparazione.
Se hanno fatto effettivamente lo schema di principio che ti ho messo, sai che ti puoi permettere di bypassare il triac perdendo la possibilità di regolare la potenza, ma la terrei come "piano C". prima meglio capire chi è il colpevole.
- Codice: Seleziona tutto
[code=php]per il codice a colori[/code]
0
voti
il Triac che salta è sulle fasi di erete e me l'hai indicato in foto. a che serve ? En un piu un piedino va al Moc.
La prima cosa ho verificato i Transisor che sono regolari.
Controllo il trasformatore, ma quale ?
NON devi scusarti mi stai aiutando. ti ringrazio.
La prima cosa ho verificato i Transisor che sono regolari.
Controllo il trasformatore, ma quale ?
NON devi scusarti mi stai aiutando. ti ringrazio.
0
voti
Finalmente la vasca ad ultrasuoni funziona, Grazie all'ultimo schema di principio pubblicato.
Rimane ancora il difetto che fa scattare il idifferenziale.
Dove si puo controllare la dispersione secondo voi ?
Grazie sempre di tutto.
Rimane ancora il difetto che fa scattare il idifferenziale.
Dove si puo controllare la dispersione secondo voi ?
Grazie sempre di tutto.
Chi c’è in linea
Visitano il forum: Google [Bot] e 37 ospiti

Elettrotecnica e non solo (admin)
Un gatto tra gli elettroni (IsidoroKZ)
Esperienza e simulazioni (g.schgor)
Moleskine di un idraulico (RenzoDF)
Il Blog di ElectroYou (webmaster)
Idee microcontrollate (TardoFreak)
PICcoli grandi PICMicro (Paolino)
Il blog elettrico di carloc (carloc)
DirtEYblooog (dirtydeeds)
Di tutto... un po' (jordan20)
AK47 (lillo)
Esperienze elettroniche (marco438)
Telecomunicazioni musicali (clavicordo)
Automazione ed Elettronica (gustavo)
Direttive per la sicurezza (ErnestoCappelletti)
EYnfo dall'Alaska (mir)
Apriamo il quadro! (attilio)
H7-25 (asdf)
Passione Elettrica (massimob)
Elettroni a spasso (guidob)
Bloguerra (guerra)





