Cos'è ElectroYou | Login Iscriviti

ElectroYou - la comunità dei professionisti del mondo elettrico

Riduzione giri motore

Elettronica lineare e digitale: didattica ed applicazioni

Moderatori: Foto Utentecarloc, Foto Utenteg.schgor, Foto UtenteBrunoValente, Foto UtenteIsidoroKZ

0
voti

[21] Re: Riduzione giri motore

Messaggioda Foto UtenteEtemenanki » 22 ago 2024, 22:43

alev ha scritto:... I motori brushless delle ventole integrano un circuitino ...

Appunto, il circuitino (che attualmente e' diventato un singolo chip modello "faso tuto mi" :mrgreen: legge il campo magnetico dell'anello magnetizzato del motore e si occupa di commutare fra le due bobine in base alla posizione dei poli ... nota che e' un motore a due poli, non a tre come nei comuni brushless, e puo anche essere definito brushless poiche' non ha effettivamente spazzole, ma funziona in AC (o per meglio dire in commutazione) ad onda quadra, quindi tecnicamente (pignolamente ? :mrgreen: ) parlando, non e' effettivamente in DC (lo e' il circuito di commutazione, non il motore in se' )

Ma sono comunque tecnicismi su cui si puo discutere a volonta' per farci quattro chiacchiere, sempre che l'OT non dia fastidio all'utente che ha aperto il thread ;-)
"Sopravvivere" e' attualmente l'unico lusso che la maggior parte dei Cittadini italiani,
sia pure a costo di enormi sacrifici, riesce ancora a permettersi.
Avatar utente
Foto UtenteEtemenanki
9.517 3 6 10
Master
Master
 
Messaggi: 5940
Iscritto il: 2 apr 2021, 23:42
Località: Dalle parti di un grande lago ... :)

1
voti

[22] Re: Riduzione giri motore

Messaggioda Foto Utentecenturioneagrippa » 22 ago 2024, 23:28

Nessun fastidio posso solo imparare. I concetti /parole che non conosco le vado a cercare
Avatar utente
Foto Utentecenturioneagrippa
15 2
 
Messaggi: 19
Iscritto il: 13 apr 2014, 20:18

0
voti

[23] Re: Riduzione giri motore

Messaggioda Foto Utentesetteali » 22 ago 2024, 23:32

Foto UtenteEtemenanki --> Foto Utentealev, grazie a tutti e due, da un po di tempo a questa parte, se una sera, uno va a mangiare una pizza e poi a letto ( la mia notte brava del momento), la mattina quando si sveglia, si accorge che l'elettronica ha cambiato il modo di esistere, il prossimo step, sarà lelettronica liquida :-) .

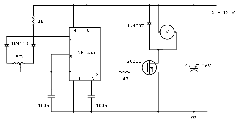
Foto Utentecenturioneagrippa, lo avevo visto anch'io quel circuito, ma ti passo lo schema elettrico che probabilmente sarà molto simile.
E' però importante che tu risponda anche alla domanda che ti ha fatto @BrunoValente e che tu consideri quello che ti ha detto.
Alex
https://www.facebook.com/Elettronicaeelettrotecnica

<< vedi di pigliare arditamente in mano, il dizionario che ti suona in bocca,
se non altro è schietto e paesano.
(Giuseppe Giusti) <<
Avatar utente
Foto Utentesetteali
11,9k 5 5 9
Master
Master
 
Messaggi: 5921
Iscritto il: 15 dic 2013, 21:09

0
voti

[24] Re: Riduzione giri motore

Messaggioda Foto UtenteEcoTan » 23 ago 2024, 0:53

Quando il carico meccanico è basso e la frequenza non molto elevata, il circuito col 555 può risultare inefficace per ridurre la velocità. Infatti ogni periodo si divide in 3 fasi successive: una fase On in cui viene applicata al motore la tensione della batteria, una fase Off in cui il diodo di recupero conduce quindi viene applicata al motore una tensione nulla, e una terza fase "flottante" in cui il motore non è percorso da corrente quindi la tensione applicata è data dall'effetto dinamo dello stesso motore.
Tanto è vero che quest'ultima tensione può essere sfruttata per realizzare, stavolta sì, un anello di regolazione della velocità.
Avatar utente
Foto UtenteEcoTan
7.720 4 12 13
Expert EY
Expert EY
 
Messaggi: 5422
Iscritto il: 29 gen 2014, 8:54

0
voti

[25] Re: Riduzione giri motore

Messaggioda Foto UtenteThEnGi » 23 ago 2024, 7:49

Senza sapere da che numero di giri parti e a che numero di giri devi arrivare, non ti si può consigliare un prodotto finito.

Scendere sotto il 30-40% del regime nominale è abbastanza difficile (mantenendo un usabilità, che giri e basta tipo nei video i youtube non serve a nulla)
Anche se devi fare girare un semplice piattello di plastica una certa coppia per vincere l'inerzia serve.

Vedendo l'applicazione direi che forse la soluzione migliore è una coppia di ingranaggi con la regolazione "fine" via PWM/Lineare .

es

RPM partenza: 1000 - 500 (tramite PWM)
RPM Destinazione: 10 - 5
Ingranaggi 10:1 -> O meglio 5:1 + 2:1*

Esistono in commercio dei motori già con la riduzione che comunque rimangono molto compatti

*Rimane più compatto e si può fare in modo che si più "lineare" adatto ad una pistola

O_/
Avatar utente
Foto UtenteThEnGi
2.230 3 6 9
Expert EY
Expert EY
 
Messaggi: 2228
Iscritto il: 6 ott 2022, 18:43

0
voti

[26] Re: Riduzione giri motore

Messaggioda Foto UtenteMarcoD » 23 ago 2024, 8:32

Fornisco solo suggerimenti rudimentali:
hai un motorino alimentato a 3 V,
alimentato a vuoto a che velocità ruota?
Forse puoi calettarci un disco di cartone con una tacca e a occhio con il cronometro del telefonino contare quanti giri fa in 10 secondi.
Prova poi ad alimentarlo a 1,5 V (usando una pila AA) a che velocità va?

Prova poi ad alimentarlo a 1,5 e a 3 V tenendo l'asse bloccato con le dita, ci riesci o la coppia è troppo forte?
Se possibile misura la corrente assorbita in tutte le condizioni.

Riferisci i risultati
O_/
Avatar utente
Foto UtenteMarcoD
12,2k 5 9 13
Master EY
Master EY
 
Messaggi: 6696
Iscritto il: 9 lug 2015, 16:58
Località: Torino

4
voti

[27] Re: Riduzione giri motore

Messaggioda Foto Utentesetteali » 23 ago 2024, 9:28

Ragazzi tutti, buongiorno, forse mi passerete per le pietre, ma volevo consigliare all'OP, non tanto di acquistare il circuito già fatto, ma possibilmente di costruirlo.
Sono sacrosante verità e informazioni necessarie tutte quelle che gli abbiamo richiesto, perché anche per fare un circuito semplice come questo, bisogna avere più dati possibili a disposizione.

Ma vista la semplicità del circuito ed anche la misera spesa nei componenti oppure nel PCB già fatto, mi sento proprio di consigliare il montaggio del circuito, ci sarà la soddisfazione di vedere il suo risultato con i difetti ed i pregi di quello fatto, chi di noi non ci è passato ? e nonostatnte tutto, ancora ci passa per questa strada?

Facciamogli un grande " in bocca al lupo " (( io consiglio il " crepi " )) e che ci tenga informati.
Alex
https://www.facebook.com/Elettronicaeelettrotecnica

<< vedi di pigliare arditamente in mano, il dizionario che ti suona in bocca,
se non altro è schietto e paesano.
(Giuseppe Giusti) <<
Avatar utente
Foto Utentesetteali
11,9k 5 5 9
Master
Master
 
Messaggi: 5921
Iscritto il: 15 dic 2013, 21:09

1
voti

[28] Re: Riduzione giri motore

Messaggioda Foto UtenteThEnGi » 23 ago 2024, 11:21

setteali ha scritto:Ma vista la semplicità del circuito ed anche la misera spesa nei componenti oppure nel PCB già fatto


Considerando l'esigua potenza in gioco si potrebbe addirittura usare un potenziometro (di adeguata potenza) e morta li :mrgreen:

O_/
Avatar utente
Foto UtenteThEnGi
2.230 3 6 9
Expert EY
Expert EY
 
Messaggi: 2228
Iscritto il: 6 ott 2022, 18:43

1
voti

[29] Re: Riduzione giri motore

Messaggioda Foto UtenteMarcoD » 23 ago 2024, 12:01

L'idea di Foto UtenteThEnGi del resistore variabile in serie è buona, ma questa mia è forse ancora meno costosa.


Farei un riduttore di tensione come sopra. Per corrente assorbita max 1 A potrebbe andare.
Il transistor dovrebbe costare meno di un potenziometro di potenza.
P1 è un potenziometro o un trimmer da 0,25 W
Avatar utente
Foto UtenteMarcoD
12,2k 5 9 13
Master EY
Master EY
 
Messaggi: 6696
Iscritto il: 9 lug 2015, 16:58
Località: Torino

1
voti

[30] Re: Riduzione giri motore

Messaggioda Foto Utentealev » 23 ago 2024, 12:30

MarcoD ha scritto:questa mia è forse ancora meno costosa.


Per regolatori di velocità come questi (transistor in emitter-follower) avevo letto che è opportuno inserire un diodo "fly-weel" per proteggere il transistor quando il motore gira per trascinamento, il diodo deve sopportare la stessa corrente del transistor

Avatar utente
Foto Utentealev
5.990 2 9 12
free expert
 
Messaggi: 6282
Iscritto il: 19 lug 2010, 14:38
Località: Altrove

PrecedenteProssimo

Torna a Elettronica generale

Chi c’è in linea

Visitano il forum: Nessuno e 77 ospiti