Cos'è ElectroYou | Login Iscriviti

ElectroYou - la comunità dei professionisti del mondo elettrico

EMI e EMC le seguite ? [Progettazione]

Elettronica lineare e digitale: didattica ed applicazioni

Moderatori: Foto Utentecarloc, Foto Utenteg.schgor, Foto UtenteBrunoValente, Foto UtenteIsidoroKZ

0
voti

[1] EMI e EMC le seguite ? [Progettazione]

Messaggioda Foto UtenteThEnGi » 5 ott 2024, 10:48

Buongiorno a tutti,
Pultroppo questo è un argomento molto generico e non c'è una sezione normative sotto elettronica :mrgreen:

Quando andate a progettare un circuito elettronico che NON verrà commercializato ma al massimo verrà reso pubblico su varie piattaforme (una potrebbe essere EY), vi preoccupate nella progettazione di prendedre in considerazione le EMI e EMC ?

Prendo un caso pratico:

Utilizando questo componente: Link, il produttore a pagina 10 consiglia l'utilizzo di condensatore e induttanza per passare la certificazione EMI/EMC.
Dato che l'inserimento di questi due componenti nel caso dell'assemblaggio da parte del produttore crea un aumento di costo considerevole (circa +6€), si può valutare di escluderli ?

Esiste un sistema amatoriale per valutare questi due parametri ?, ho visto video dove usano camere "elettromagneticamente insonorizate" ( :mrgreen: ) e strumentazione che costa probabilmente più di quanto guadagno in 10 Anni :shock:

In questa specifica casistica (IO) sicuramente non li faccio assemblare, quando arriva il PCB me li saldo io :mrgreen:
Ma se qualcuno online volesse il circuito già pronto.... sarebbe un problema

Ringraziando per gli interventi, buon sabato

O_/
Avatar utente
Foto UtenteThEnGi
2.230 3 6 9
Expert EY
Expert EY
 
Messaggi: 2228
Iscritto il: 6 ott 2022, 18:43

0
voti

[2] Re: EMI e EMC le seguite ? [Progettazione]

Messaggioda Foto Utentegvee » 5 ott 2024, 11:47

Se non prendi in considerazione problemi di SI e/o EMI il circuito potrebbe non funzionare bene e la legge di Murphy funziona sempre, quindi sí dovrebbero essere prese in considerazione. EMC anche, direi.

Quando una persona copia il tuo circuito pubblicato liberamente online non so quali siano le tue responsabilità giuridiche e credo che non c'è ne siano (a meno che non pubblichi un oggetto pericoloso), quindi se non funziona diranno che il circuito di TheEngi non funziona, che si può migliorare etc. e finita lì.
Avatar utente
Foto Utentegvee
1.475 5 7
Sostenitore
Sostenitore
 
Messaggi: 526
Iscritto il: 11 feb 2018, 20:34

1
voti

[3] Re: EMI e EMC le seguite ? [Progettazione]

Messaggioda Foto UtenteEtemenanki » 5 ott 2024, 11:56

Per quel particolare componente, che funziona a tensione di rete ed e' un modulo switching, l'induttanza in controfase ed il condensatore (che sarebbe meglio fossero tre condensatori, uno messo come nello schema e gli altri due fra le uscite dell'induttanza e massa) sarebbero "il minimo" per evitare di sparare disturbi a tutto spiano verso la rete elettrica e, tramite il cavo di alimentazione, in parte anche in aria (dipende dalla frequenza dello switching).

Piu che una questione di "prenderle in considerazione", sarebbe una questione di "mi interessa che tutto quello che c'e' intorno rischi potenzialmente di non funzionare correttamente o per nulla a causa degli eventuali disturbi generati dal modulo switching, solo per risparmiare il costo di due componenti ?" ;-)
"Sopravvivere" e' attualmente l'unico lusso che la maggior parte dei Cittadini italiani,
sia pure a costo di enormi sacrifici, riesce ancora a permettersi.
Avatar utente
Foto UtenteEtemenanki
9.517 3 6 10
Master
Master
 
Messaggi: 5940
Iscritto il: 2 apr 2021, 23:42
Località: Dalle parti di un grande lago ... :)

1
voti

[4] Re: EMI e EMC le seguite ? [Progettazione]

Messaggioda Foto Utentestefanodelfiore » 5 ott 2024, 12:23

si dovrebbero fare le misurazioni relative ai disturbi condotti e irradiati da una apparecchiatura per verificare se tali disturbi rientrano nei limiti imposti dalla categoria di prodotto. Normalmente il produttore esegue misure di pre-compliance sul prodotto che vuole verificare poi il prodotto stesso viene inviato ad un laboratorio accreditato per questo tipo di misure per ottenere un certificato che l'apparecchiatura rispetta i limiti imposti.
Mettere un induttore di modo comune e un condensatore non significa che tu stai riducendo le emissioni, potresti non aver ottenuto alcun risultato. A parità di valore due induttori di modo comune potrebbero avere comportamenti molto diversi.
Non puoi andare alla cieca inserendo induttori e condensatori,devi fare misure per capire come intervenire sull'apparato e attenzione che anche un cattivo cablaggio può vanificare tutto.
Avatar utente
Foto Utentestefanodelfiore
1.673 3 8
Master
Master
 
Messaggi: 569
Iscritto il: 28 mar 2009, 20:15
Località: Bologna

0
voti

[5] Re: EMI e EMC le seguite ? [Progettazione]

Messaggioda Foto UtenteThEnGi » 5 ott 2024, 12:51

Etemenanki ha scritto:Piu che una questione di "prenderle in considerazione", sarebbe una questione di "mi interessa che tutto quello che c'e' intorno rischi potenzialmente di non funzionare correttamente o per nulla a causa degli eventuali disturbi generati dal modulo switching, solo per risparmiare il costo di due componenti ?" ;-)


Intendi così ?


E tutta la spazzatura cinese ce c'è in giro ma "funziona" ?? :mrgreen:

stefanodelfiore ha scritto:si dovrebbero fare le misurazioni relative ai disturbi condotti e irradiati da una apparecchiatura per verificare se tali disturbi rientrano nei limiti imposti dalla categoria di prodotto.

Non puoi andare alla cieca inserendo induttori e condensatori,devi fare misure per capire come intervenire sull'apparato e attenzione che anche un cattivo cablaggio può vanificare tutto.


è come fai ad eseguire le misurazioni ?

Non vado alla "cieca", mi attengo alle specifiche richieste dal produttore: Se dice monta l'intuttore modello X e il condensatore modello Y uso quelli. Avranno fatto le certificazioni con quei componenti immagino ? (Pagina 11 DS)

(che poi è in "fiducia" :mrgreen: )

O_/
Avatar utente
Foto UtenteThEnGi
2.230 3 6 9
Expert EY
Expert EY
 
Messaggi: 2228
Iscritto il: 6 ott 2022, 18:43

0
voti

[6] Re: EMI e EMC le seguite ? [Progettazione]

Messaggioda Foto Utentestefanodelfiore » 5 ott 2024, 13:31

Le misurazioni si eseguono ovviamente con gli strumenti atti allo scopo.
Nel caso in oggetto il costruttore suggerisci dei valori ad esempio per l'induttore di modo comune, compresi tra 10 e 30 mH ma per questo tipo di applicazione due induttori anche se uguali come valore induttivo possono avere comportamenti diversi vedi ad esempio le capacità distribuite negli avvolgimenti o le capacità tra avvolgimenti-nucleo-avvolgimenti. Ogni componente reale in realtà ha un certo numero di componenti parassiti che possono modificare il suo comportamento. Comportamento che potrebbe cambiare drasticamente se il nucleo dell'induttore si scalda molto.
Anche il layout dei componenti del filtro può giocare un ruolo molto importante e deve essere tenuto in conto perché potrebbe vanificare il tutto.
L'indicazione fornita dal costruttore in quel datasheet ha realmente poco valore
Avatar utente
Foto Utentestefanodelfiore
1.673 3 8
Master
Master
 
Messaggi: 569
Iscritto il: 28 mar 2009, 20:15
Località: Bologna

0
voti

[7] Re: EMI e EMC le seguite ? [Progettazione]

Messaggioda Foto UtenteThEnGi » 5 ott 2024, 18:04

stefanodelfiore ha scritto:Le misurazioni si eseguono ovviamente con gli strumenti atti allo scopo.


A questo punto se non posso eseguire la misurazione, come posso progettare per ottenere il miglior risultato relativamente a EMC/EMI ?
Dato che le indicazioni del produttore non sono valide hanno poco valore, come posso decidere il valore del induttore ?

Etemenanki ha scritto:sarebbe una questione di "mi interessa che tutto quello che c'e' intorno rischi potenzialmente di non funzionare correttamente o per nulla a causa degli eventuali disturbi generati dal modulo switching


Questo è il punto da raggiugere.

O_/
Avatar utente
Foto UtenteThEnGi
2.230 3 6 9
Expert EY
Expert EY
 
Messaggi: 2228
Iscritto il: 6 ott 2022, 18:43

2
voti

[8] Re: EMI e EMC le seguite ? [Progettazione]

Messaggioda Foto UtenteMarcoD » 5 ott 2024, 18:50

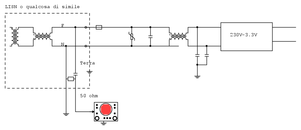
filtro ingresso switching.jpg


Se il costruttore lo consiglia, perché non metterlo per superare i requisiti di disturbi condotti emessi sulla rete di alimentazione 230 Vac ?
Tutti gli alimentatori switching lo hanno.

Non hai precisato quale elettronica viene alimentata e se è connessa a sensori (analogici?) o apparati esterni e come sono alimentati che potrebbero venire disturbati.
Puoi calcolare / stimare l'attenuazione del filtro su 50 ohm a supponiamo 10 kHz, la corrente di disturbo in ingresso generata dal modulo alimentatore (dell'ordine di 1 A ?)
Per la misura delle emissioni condotte non serve una camera anecoica, ma un LISN e un oscilloscopio o analizzatore di spettro per le prove preliminari.


Poi se metterlo da 10 o 30 mH non cambia molto.
Poi non ho capito se l'induttanza si riferisce a un solo avvolgimento a ai due in serie.

Un esempio di LISN, spero corretto

Nel web c'è tutto !!!! :
https://it.wikipedia.org/wiki/LISN#:~:t ... %20network)%20%C3%A8%20letteralmente%20una%20%22rete

O_/
Avatar utente
Foto UtenteMarcoD
12,2k 5 9 13
Master EY
Master EY
 
Messaggi: 6696
Iscritto il: 9 lug 2015, 16:58
Località: Torino

0
voti

[9] Re: EMI e EMC le seguite ? [Progettazione]

Messaggioda Foto Utentestefanodelfiore » 5 ott 2024, 20:05

Foto UtenteThEnGi
se non puoi fare le misure con gli strumenti giusti non puoi avere nessuna certezza di quello che stai facendo.
Foto UtenteMarcoD
L'oscilloscopio non serve a nulla per fare misure di disturbi condotti, serve o un ricevitore come quelli ad esempio della Rohde-Schwarz (molto costosi) o un analizzatore di spettro atto allo scopo
Avatar utente
Foto Utentestefanodelfiore
1.673 3 8
Master
Master
 
Messaggi: 569
Iscritto il: 28 mar 2009, 20:15
Località: Bologna

2
voti

[10] Re: EMI e EMC le seguite ? [Progettazione]

Messaggioda Foto UtenteEtemenanki » 5 ott 2024, 20:31

ThEnGi ha scritto:...
E tutta la spazzatura cinese ce c'è in giro ma "funziona" ?? :mrgreen:
...


Lo schema sarebbe quello, e riguardo alla spazzatura cinese te ne dico una successa proprio a me', tempo fa sulla barca della onlus a cui do una mano con il ROV, il sistema aveva iniziato a non funzionare bene, in parte i comandi che arrivavano un po si ed un po no, ma soprattutto il segnale video che saliva dal ROV, che era distorto, pieno di disturbi e con linee diagonali in continuo movimento sovrapposte ... dopo aver provato di tutto, filtri, controllo dei cavi, controllo dei trasmettitori video, ruzzola, pulizia di tutti i connettori, test con il cavo svolto ed avvolto, senza alcun risultato, per caso (e proprio per caso) uno stacca la spina dell'alimentatore del notebook del sonar per spostarlo, ed il disturbo "magicamente" sparisce.

Il tipo non trovava piu l'alimentatore originale, ed aveva comperato un "universale" dal negozio cinese sotto il suo studio, ed era fatto talmente male che irradiava sia via rete che via aria abbastanza disturbi di commutazione da interferire con praticamente tutto il resto ... apertolo delicatamente (col martello), la parte filtro di rete era praticamente inesistente (un condensatore da 10n, neppure X2, in parallelo alla 230V, niente spegnimento del "ringing" lato mosfet, nulla), ed il peggio era che sullo stampato i posti per i componenti c'erano, ma sostituiti da ponticelli di filo o semplicemente mancanti.

Certo, lui di per se' funzionava e dava i 19V (piu o meno), era tutto il resto che si trovava intorno a non funzionare piu bene per colpa sua :roll:
"Sopravvivere" e' attualmente l'unico lusso che la maggior parte dei Cittadini italiani,
sia pure a costo di enormi sacrifici, riesce ancora a permettersi.
Avatar utente
Foto UtenteEtemenanki
9.517 3 6 10
Master
Master
 
Messaggi: 5940
Iscritto il: 2 apr 2021, 23:42
Località: Dalle parti di un grande lago ... :)

Prossimo

Torna a Elettronica generale

Chi c’è in linea

Visitano il forum: Majestic-12 [Bot] e 57 ospiti