Cos'è ElectroYou | Login Iscriviti

ElectroYou - la comunità dei professionisti del mondo elettrico

Domanda banale sul testare le pile

Elettronica lineare e digitale: didattica ed applicazioni

Moderatori: Foto Utentecarloc, Foto Utenteg.schgor, Foto UtenteBrunoValente, Foto UtenteIsidoroKZ

0
voti

[21] Re: Domanda banale sul testare le pile

Messaggioda Foto Utentevenanzio » 23 ott 2024, 16:50

ThEnGi ha scritto:
venanzio ha scritto:Ma ormai sono orientato appunto da fare un aggeggio che faccia questo:
1- mi permetta di impostare la corrente di scarica.
2- misuri i V della pila per stabilire se è carica o meno.


Cosi di petto:
Un Arducoso nano
Un Mosfet "di potenza" (eventualmente dissipato)
Un circuito di alimentazione esterno (anche USB)
Un display
Varie ed eventuali (resistenze condensatori ecc)
Eventualmente un ADC esterno

e credo si possa assemblare il tuo device.

Ipotizzando C/10 di scarica su una pila da 2.2Ah ottieni una scarica di 220mAh@1.5V che dissipati significa circa 0.4Wh

O_/


Si potrebbe fare un analizzatore di pile completo diciamo, ma non ho molta voglia di scrivere codice per queste cose.. e forse nemmeno per altre :lol:
Avatar utente
Foto Utentevenanzio
360 2 5
New entry
New entry
 
Messaggi: 70
Iscritto il: 25 ago 2023, 16:11

0
voti

[22] Re: Domanda banale sul testare le pile

Messaggioda Foto Utentevenanzio » 23 ott 2024, 16:57

ThEnGi ha scritto:
venanzio ha scritto:......supponendo di voler vedere il circuito come una R......


Questa è un approssimazione estremamente sbagliata, il circuito complesso non può essere paragonato ad una resistenza.


Sono conscio del fatto che il circuito non è una R magari avrei dovuto dire una Z ...
Posso capire che la I assorbita dal circuito non è costante es. tutte luci accese o suono al max volume = più assorbimento

tuttavia dal punto di vista della pila che "guarda" verso il circuito, che differenza fa per la pila se il circuito ha componenti reattive o meno ?

Me lo spieghi ? #-o
Avatar utente
Foto Utentevenanzio
360 2 5
New entry
New entry
 
Messaggi: 70
Iscritto il: 25 ago 2023, 16:11

0
voti

[23] Re: Domanda banale sul testare le pile

Messaggioda Foto UtenteThEnGi » 23 ott 2024, 18:20

venanzio ha scritto:Sono conscio del fatto che il circuito non è una R magari avrei dovuto dire una Z ...


In realtà neanche una Z siamo in continua possiamo lasciarla da parte.
è la presenza di componenti attivi il problema !

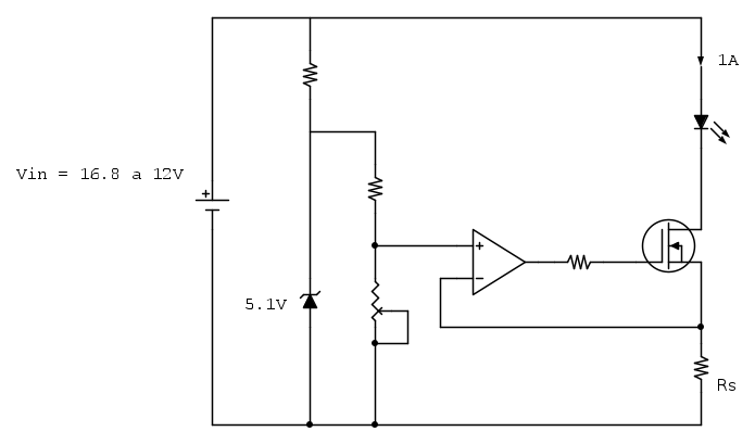
Questo circuito alimentato da 4 celle al litio, a che resistenza lo approssimeresti ?




O_/
Avatar utente
Foto UtenteThEnGi
2.230 3 6 9
Expert EY
Expert EY
 
Messaggi: 2228
Iscritto il: 6 ott 2022, 18:43

0
voti

[24] Re: Domanda banale sul testare le pile

Messaggioda Foto UtenteMarcoD » 23 ott 2024, 19:18

A occhio, un assorbitore di corrente costante al variare della tensione di alimentazione.
Avatar utente
Foto UtenteMarcoD
12,2k 5 9 13
Master EY
Master EY
 
Messaggi: 6696
Iscritto il: 9 lug 2015, 16:58
Località: Torino

0
voti

[25] Re: Domanda banale sul testare le pile

Messaggioda Foto Utentelucaking » 23 ott 2024, 20:07

ThEnGi ha scritto:Questo circuito alimentato da 4 celle al litio, a che resistenza lo approssimeresti ?


Direi che dipende dal valore di Rs e dalla tensine che imposti sull' ingresso non invertente dell' operazionale.

Scusa Foto UtenteMarcoD, pechè dici che la corrente dovrebbe variare al variare della tensione di alimentazione?
Lo zener non dovrebbe stabilizare la tensione imposta sull' ingresso dell' opamp?
Avatar utente
Foto Utentelucaking
1.651 4 5 8
Expert
Expert
 
Messaggi: 1445
Iscritto il: 29 mag 2015, 14:28

0
voti

[26] Re: Domanda banale sul testare le pile

Messaggioda Foto UtenteMarcoD » 23 ott 2024, 20:36

Concordo con te. La corrente è costante. Per V alimentazione, intendevo Vin.
Avatar utente
Foto UtenteMarcoD
12,2k 5 9 13
Master EY
Master EY
 
Messaggi: 6696
Iscritto il: 9 lug 2015, 16:58
Località: Torino

0
voti

[27] Re: Domanda banale sul testare le pile

Messaggioda Foto Utentevenanzio » 23 ott 2024, 21:11

ThEnGi ha scritto:
venanzio ha scritto:Sono conscio del fatto che il circuito non è una R magari avrei dovuto dire una Z ...


In realtà neanche una Z siamo in continua possiamo lasciarla da parte.
è la presenza di componenti attivi il problema !


un attimo però perché se ci rivoltiamo la frittata qua e la non ci capiremo mai...

Intendevo:
un generico circuito visto "black box" del quale ci hanno detto:
Va con una pila da 9V e assorbe 50mA (valori di esempio)...

di fatto non sapendo cosa ci può essere nella "black box".. boh Z ? R ? m3/s ? non lo so..
so solo che a 9V assorbe 50mA allora dico:

facciamo finta che il mio circuito sia una R... di 180ohm (9/0.05)...

Il ragionamento iniziale diceva:
ha senso testare la pila con un carico a corrente costante (50mA) , quando alla pila scarica (supponiamo 7V)..
il circuito "apparirà" sempre della stessa R (il circuito non cambia) e quindi la I assorbita sarà minore ?

Non mi ricordo chi ha detto (e concordo) non ha senso.. tanto sbagli del 15% (a testare la pila con una R) quindi non è che hai certezze, le pile sono diverse per chimismo, marche, esemplari e bla bla..

poi sono stati proposti vari circuiti che facevano mooolte cose in più ed ok.

Vengo al tuo circuito:
quando so quanto assorbe il tuo circuito faccio lo stesso ragionamento sopra (quello della R)..
vedo che il tuo circuito accetta variazioni di Vin..

La domanda allora la faccio a te:
con quale corrente ritieni di testate la pila che fa funzionare il tuo circuito ?
puoi usare una banale resistenza per testarla oppure devi testarla a I costante ? (indipendente da V pila)
Avatar utente
Foto Utentevenanzio
360 2 5
New entry
New entry
 
Messaggi: 70
Iscritto il: 25 ago 2023, 16:11

0
voti

[28] Re: Domanda banale sul testare le pile

Messaggioda Foto Utenterichiurci » 24 ott 2024, 9:48

Venanzio ci sono diversi aspetti diversi e in parte collegati.

1) Se vuoi testare le pile in maniera "standard", cioè un minimo confrontabile con dati dichiarati e altre misure, devi scaricarle a I costante perché tutti gli accumulatori hanno come dato gli Ah o mAh nominali. Il problema in questo caso è solo decidere a quale tensione minima fermare la scarica (di solito si decide in base alla chimica)

2) se vuoi testare le pile per tuoi impieghi particolari e gravosi devi prima misurare i tuoi device. E qui il problema si allarga.

2a) deve essere chiaro che buona parte dei dispositivi odierni non può essere paragonato a una resistenza, perché molti contengono regolatori/convertitori di tensione interni e tendono ad assorbire una POTENZA costante e quindi la corrente NON diminuisce proporzionalmente alla V delle pile, piuttosto AUMENTA. Per esempio, hai mai visto uno smartphone che allo scaricarsi della batteria presenti una luminosità dello schermo decrescente e trasmetta in maniera sempre più debole?

2b) molti dispositivi hanno una tensione "soglia" sotto la quale si spengono, e in alcuni casi questo dato è critico, per esempio per capire se puoi usare pile ricaricabili.

Quindi il test delle pile per capire se vanno bene per un certo device non può prescindere dalla caratterizzazione del device.

Esempio: anni fa volevo usare le NiMH per usare una macchina fotografica.
Aveva assorbimento elevato in certi momenti (anche 1A)e si spegneva sotto una certa tensione (se ricordo bene circa 1,2Vx4).
I miei test quindi si basavano su una misura a scarica costante di 1A che veniva fermata a 1,2V, e ben poche pile NiMH erano adeguate all'impiego

2b)
Avatar utente
Foto Utenterichiurci
32,6k 7 11 13
G.Master EY
G.Master EY
 
Messaggi: 8801
Iscritto il: 2 apr 2013, 16:08

0
voti

[29] Re: Domanda banale sul testare le pile

Messaggioda Foto UtenteBrunoValente » 25 ott 2024, 19:45

venanzio ha scritto:con quale corrente ritieni di testate la pila che fa funzionare il tuo circuito ?
puoi usare una banale resistenza per testarla oppure devi testarla a I costante ? (indipendente da V pila)


Be', io che preferisco non complicarmi la vita inutilmente invece mi stacco dal coro e ti dico che hai perfettamente ragione, puoi testarla tranquillamente con qualsiasi cosa che faccia assorbire la stessa corrente che richiederebbe il circuito che vorresti collegare a quella pila: se in quelle condizioni il valore della tensione è prossimo a quello di targa allora vuol dire che quella pila è ancora sufficientemente carica per alimentare il tuo circuito.

Ma, ancora più semplicemente, puoi testarla collegando direttamente il tuo circuito alla pila: se la tensione è ancora prossima a quella di targa vuol dire che la pila è ancora carica e amen.
Avatar utente
Foto UtenteBrunoValente
39,6k 7 11 13
G.Master EY
G.Master EY
 
Messaggi: 7796
Iscritto il: 8 mag 2007, 14:48

0
voti

[30] Re: Domanda banale sul testare le pile

Messaggioda Foto Utentestefanopc » 25 ott 2024, 20:19

Secondo me ti sono stati forniti svariati spunti sul tema che hai proposto.
Essendo la richiesta assai generica nessuna metodologia é nettamente preferibile o conveniente.
In ogni caso una pila "mezza scarica" rappresenta una incognita anche dopo la diagnosi più approfondita.
In particolare una pila da 9V che in effetti è formata probabilmente sei elementi in serie cosa che complica ulteriormente la questione per nulla banale.
Ciao
600 Elettra
Avatar utente
Foto Utentestefanopc
13,3k 5 9 13
Master EY
Master EY
 
Messaggi: 5567
Iscritto il: 4 ago 2020, 9:11

PrecedenteProssimo

Torna a Elettronica generale

Chi c’è in linea

Visitano il forum: Nessuno e 44 ospiti