Eh sì, dal momento che si usa un micro, farei anch'io una cosa del genere.
Addirittura, stando alle specifiche di Arduino uno, che dichiarano 20 mA di corrente disponibile per PIN, con correnti più basse, si potrebbe anche fare a meno dei transistor.
Programma Arduino che indica su un display 4 azioni
0
voti
Però ipotizzo che i display originali debbano rimanere, in quanto parte del circuito originale direttamente in parallelo a quello che si vuole testare (e limitatori di tensione tra i puntali).
Una domanda ben posta è già mezza risposta.
1
voti
djnz ha scritto:Però ipotizzo che i display originali debbano rimanere,..
In effetti non ho capito se
Nel caso si volesse limitare la tensione di test senza il display si potrebbe portare i due zener intorno ai 2.4V.
Ciao
600 Elettra
0
voti
stefanopc ha scritto:djnz ha scritto:Però ipotizzo che i display originali debbano rimanere,..
In effetti non ho capito seelectronik Antonio vuole averli comunque entrambi o se quando c'è il display di Arduino basta quello.
Nel caso si volesse limitare la tensione di test senza il display si potrebbe portare i due zener intorno ai 2.4V.
Ciao
Purtroppo io non credo di poter vedere il display di arduino, perche il colore della scritta e il colore di fondo mi confonderebbero, non so neppure se le lettere del display siano della grandezza giusta da poterle vederè, io sono felice lo stesso e mi accontento anche solo del mio circuito, saranno altri a goderne e questo mi rende anche più felice. Grazie di nuovo a tutti
-

elektronik
7.800 4 6 7 - Master

- Messaggi: 3836
- Iscritto il: 12 mag 2015, 22:26
0
voti
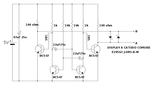
Buon giorno, ho fatto delle prove su schede elettroniche e ne e ho dovuto constatare che con il circuito di test alimentato a 5V, non riesce a evidenziare sul display alcune giunzioni direttamente su circuito, queste vengono evidenziate perfettamente se il circuito viene alimentato a una tensione di 9V. Peccato perché i display si vedrebbero bene anche con una tensione di 3V e 25mA, non so se si potrebbe ovviare a questo problema amplificando il segnale di test.
-

elektronik
7.800 4 6 7 - Master

- Messaggi: 3836
- Iscritto il: 12 mag 2015, 22:26
1
voti
Potrebbe essere per la minor corrente che scorre.
Per riportare la corrente al valore anteriore, adattando così il circuito che avevo proposto da 9 V a 5 V, potresti sostituire le due resistenze da 220 Ω con altre da 100 Ω.
Potrebbe essere anche consigliabile modificare le resistenze di base dei due transistor finali da 3300 Ω a 1500 Ω o anche un po' meno.
È probabile che si noti un cambio nella frequenza di oscillazione.
Per riportare la corrente al valore anteriore, adattando così il circuito che avevo proposto da 9 V a 5 V, potresti sostituire le due resistenze da 220 Ω con altre da 100 Ω.
Potrebbe essere anche consigliabile modificare le resistenze di base dei due transistor finali da 3300 Ω a 1500 Ω o anche un po' meno.
È probabile che si noti un cambio nella frequenza di oscillazione.
Big fan of ⋮ƎlectroYou! Ausili per disabili e anziani su ⋮ƎlectroYou
Caratteri utili: À È É Ì Ò Ó Ù α β γ δ ε η θ λ μ π ρ σ τ φ ω Ω º ª ² ³ √ ∛ ∜ ₀ ₁ ₂ ₃ ₄ ₅ ₆ ∃ ∄ ∆ ∈ ∉ ± ∓ ∾ ≃ ≈ ≠ ≤ ≥
Caratteri utili: À È É Ì Ò Ó Ù α β γ δ ε η θ λ μ π ρ σ τ φ ω Ω º ª ² ³ √ ∛ ∜ ₀ ₁ ₂ ₃ ₄ ₅ ₆ ∃ ∄ ∆ ∈ ∉ ± ∓ ∾ ≃ ≈ ≠ ≤ ≥
1
voti
GuidoB ha scritto:Potrebbe essere per la minor corrente che scorre.
Per riportare la corrente al valore anteriore, adattando così il circuito che avevo proposto da 9 V a 5 V, potresti sostituire le due resistenze da 220 Ω con altre da 100 Ω.
Potrebbe essere anche consigliabile modificare le resistenze di base dei due transistor finali da 3300 Ω a 1500 Ω o anche un po' meno.
È probabile che si noti un cambio nella frequenza di oscillazione.
Ciao Guido, perfetto così, le resistenze da 220R le ho cambiate con 2 da 100R mentre le resistenze da 3K3 le ho cambiate con due da 1K5 e la scheda funziona benissimo, a vuoto il circuito assorbe 86mA in corto assorbe 96mA
-

elektronik
7.800 4 6 7 - Master

- Messaggi: 3836
- Iscritto il: 12 mag 2015, 22:26
Chi c’è in linea
Visitano il forum: Nessuno e 7 ospiti

Elettrotecnica e non solo (admin)
Un gatto tra gli elettroni (IsidoroKZ)
Esperienza e simulazioni (g.schgor)
Moleskine di un idraulico (RenzoDF)
Il Blog di ElectroYou (webmaster)
Idee microcontrollate (TardoFreak)
PICcoli grandi PICMicro (Paolino)
Il blog elettrico di carloc (carloc)
DirtEYblooog (dirtydeeds)
Di tutto... un po' (jordan20)
AK47 (lillo)
Esperienze elettroniche (marco438)
Telecomunicazioni musicali (clavicordo)
Automazione ed Elettronica (gustavo)
Direttive per la sicurezza (ErnestoCappelletti)
EYnfo dall'Alaska (mir)
Apriamo il quadro! (attilio)
H7-25 (asdf)
Passione Elettrica (massimob)
Elettroni a spasso (guidob)
Bloguerra (guerra)






