Buongiorno a tutti, alla veneranda età di 57 primavere chiedo un consiglio per un minicircuito di cui non ho idea di come realizzarlo.
Uso la moto anche d'inverno e ho un paio di guanti riscaldati con batterie al litio da 12V. Ma ovviamente dopo 1h max si spengono. Ho quindi messo dei cavetti con contatti magnetici che messi in parallelo alle batterie si alimentano dalla moto. Non penso sia la cosa migliore da fare e quindi chiedo come si possa fare in modo di escludere le batterie dei guanti appena mi collego alla batteria della moto.
Faccio presente che : i guanti hanno l'accensione elettronica e quindi una minima interruzione di corrente li spegne. Va da se che per riaccenderli dovrei avere una terza mano.
L'alimentazione dei guanti avviene mediante un regolatore di tensione e di corrente che ho aggiunto onde evitare di sovralimentare i guanti visto che la ricarica della batteria al piombo avviene intorno ai 14-15V
So che i transistor fanno anche da interruttore. Ma come usarli?
Grazie per chi potrà illuminarmi e/o darmi una soluzione.
Flavio
Niubbissimo... minicircuito per alimentare guanti moto
Moderatori:
carloc,
g.schgor,
BrunoValente,
IsidoroKZ
44 messaggi
• Pagina 1 di 5 • 1, 2, 3, 4, 5
0
voti
Non si possono staccare le batterie e lasciare solo i cavetti?
Uno schema che rappresenti la situazione attuale aiuterebbe a formulare qualche soluzione al problema.
Uno schema che rappresenti la situazione attuale aiuterebbe a formulare qualche soluzione al problema.

0
voti
Purtroppo no. Il fatto che i cavetti si agganciano magneticamente in zona del manubrio. Non si può viaggiare con un filo lungo 50cm (che servirebbe se devi alzare la visiera del casco per es.) e nemmeno voglio strappare viai l cavo (se non altro) in caso di caduta.
Dai guanti quindi escono i cavi con il connettore magnetico e appena mi avvicino al magnete vicino allo specchieto questo si aggancia e mi da corrente al guanto. Per cui se staccassi le batterie originali dei guanti non potrei mai accenderli insieme in quanto per accendere uno dei guanti devo staccarmi dal magnete dell'altro, che si spegnerebbe.
Dai guanti quindi escono i cavi con il connettore magnetico e appena mi avvicino al magnete vicino allo specchieto questo si aggancia e mi da corrente al guanto. Per cui se staccassi le batterie originali dei guanti non potrei mai accenderli insieme in quanto per accendere uno dei guanti devo staccarmi dal magnete dell'altro, che si spegnerebbe.
0
voti
Fammi capire se ho capito....
I guanti hanno a bordo una batteria, Se litio sarà 3/4 celle
I guanti hanno un cavetto con un dischetto (?) magentico, che quando appoggiato su manubrio/specchietto/pezzo di metallo fa partire il riscaldamento
Corretto ?

I guanti hanno a bordo una batteria, Se litio sarà 3/4 celle
I guanti hanno un cavetto con un dischetto (?) magentico, che quando appoggiato su manubrio/specchietto/pezzo di metallo fa partire il riscaldamento
Corretto ?

0
voti
Si potrebbe fare passare il cavetto dalla sella interno giacca e poi uno per manica fino al guanto.
Sotto la sella un connettore elettrico ad innesto magnetico o altra soluzione adeguata all'ambiente e alle esigenze.
In ogni caso la batteria del guanto quando si attiva la linea di alimentazione della moto andrebbe esclusa o eliminata a priori.
Le lipo sono abbastanza terribili se gestite male in caso di urti o perforazione.
Ciao
Sotto la sella un connettore elettrico ad innesto magnetico o altra soluzione adeguata all'ambiente e alle esigenze.
In ogni caso la batteria del guanto quando si attiva la linea di alimentazione della moto andrebbe esclusa o eliminata a priori.
Le lipo sono abbastanza terribili se gestite male in caso di urti o perforazione.
Ciao
600 Elettra
0
voti
Quoto
stefanopc, ed amplio un po il suggerimento ... giacca o tuta cablata con due cavetti che dal bordo inferiore (vicino alla sella) si attaccano con un connettore magnetico al corrispondente sotto sella (o li in giro, in caso di caduta o se ci si alza dimenticandosene, il connettore magnetico si sgancia senza strappare alcun cavo), poi su per la schiena e dentro le maniche fino ai polsini, con altri due connettori magnetici (se si riuscisse pure a cablare il tutto sotto la fodera sarebbe il massimo), ai connettori dei polsini (interni o esterni, lo scegli tu), si collegano quelli dei guanti.
Come ti siedi colleghi il connettore della sella, quando metti i guanti colleghi i connettori dei polsini, iniziano a scaldare e hai la massima liberta' di movimento ... se togli un guanto perche' ti serve farlo, il connettore magnetico lo stacchi e si spegne solo quello, dai guanti ti bastano 5 o 6 cm di cavo per arrivare ai polsini (o 10 se vuoi ancora piu liberta' ), dal bordo della giacca alla sella, quanto, altri 20cm ?
Inoltre cosi elimini le batterie al litio dentro i guanti, come detto da stefanopc, le lipo comportano alcuni rischi, oltre alla perforazione ed allo schiacciamento, possono andare in corto o bruciare anche se sovraccaricate, non mi sembra il caso di rischiare di ritrovarsi con i guanti in fiamme.
Se invece proprio vuoi lasciarle, serve modificare i circuiti di ricarica ed alimentazione dei guanti, e potrebbe anche non essere possibile, dipende dal tipo di circuito che hanno all'interno (potrebbe perfino essere piu semplice rifarli, per quel che ne sappiamo, non avendoli in mano da studiare) ... avranno solo un circuito di accensione e ricarica, oppure anche un termostato ?
Come ti siedi colleghi il connettore della sella, quando metti i guanti colleghi i connettori dei polsini, iniziano a scaldare e hai la massima liberta' di movimento ... se togli un guanto perche' ti serve farlo, il connettore magnetico lo stacchi e si spegne solo quello, dai guanti ti bastano 5 o 6 cm di cavo per arrivare ai polsini (o 10 se vuoi ancora piu liberta' ), dal bordo della giacca alla sella, quanto, altri 20cm ?
Inoltre cosi elimini le batterie al litio dentro i guanti, come detto da stefanopc, le lipo comportano alcuni rischi, oltre alla perforazione ed allo schiacciamento, possono andare in corto o bruciare anche se sovraccaricate, non mi sembra il caso di rischiare di ritrovarsi con i guanti in fiamme.
Se invece proprio vuoi lasciarle, serve modificare i circuiti di ricarica ed alimentazione dei guanti, e potrebbe anche non essere possibile, dipende dal tipo di circuito che hanno all'interno (potrebbe perfino essere piu semplice rifarli, per quel che ne sappiamo, non avendoli in mano da studiare) ... avranno solo un circuito di accensione e ricarica, oppure anche un termostato ?
"Sopravvivere" e' attualmente l'unico lusso che la maggior parte dei Cittadini italiani,
sia pure a costo di enormi sacrifici, riesce ancora a permettersi.
sia pure a costo di enormi sacrifici, riesce ancora a permettersi.
-

Etemenanki
9.517 3 6 10 - Master

- Messaggi: 5940
- Iscritto il: 2 apr 2021, 23:42
- Località: Dalle parti di un grande lago ... :)
0
voti
faccio un'altra proposta, semplice e sicura a patto si conosca il tipo di batteria.
Semplicemente imposti il regolatore in modo da mandare alle batterie una tensione di "metà carica", in tal modo eviti qualsiasi rischio di sovraccarica e non devi prevedere nessun interruttore/mosfet di sgancio.
Però se il regolatore che usi è di tipo lineare, quindi dissipa, bisogna fare qualche considerazione anche sulle correnti in gioco.
Servono tutti i dati possibili, dalle eventuali etichette a misure a batterie cariche, e se riesci misure di assorbimento dei guanti dalla 12V, altrimenti è difficile fare un dimensionamento sicuro al 100%
Semplicemente imposti il regolatore in modo da mandare alle batterie una tensione di "metà carica", in tal modo eviti qualsiasi rischio di sovraccarica e non devi prevedere nessun interruttore/mosfet di sgancio.
Però se il regolatore che usi è di tipo lineare, quindi dissipa, bisogna fare qualche considerazione anche sulle correnti in gioco.
Servono tutti i dati possibili, dalle eventuali etichette a misure a batterie cariche, e se riesci misure di assorbimento dei guanti dalla 12V, altrimenti è difficile fare un dimensionamento sicuro al 100%
0
voti
Grazie per ora dei consigli ma in realtà sono passati tre anni da quando ho fatto il primo prototipo di cui potete vedere il video qui
https://www.youtube.com/watch?v=bUOrnsPqVJI
Questo sistema permette di non cablare una giacca (fatto per mia moglie invece) perché consente di cambiarla al volo con un'altra in caso di necessità (fradicia per acquazzone o qualsivoglia ragione etc.)
Quando ho fatto il video le batterie dei guanti erano da 7,2V e scaldavano veramente poco e quindi mediante un relè molto piatto, un diodo e un condensatore ho fatto si che attaccandomi ai 12 volt (i guanti li sopportano) si staccasse la batteria da 7,2V e il condensatore provvedeva per quel millisecondo al 'blackout del relè' ad alimentare il guanto affinchè non si spegnessero.
Ma essendo la componentistica allergica all'acqua dopo 6 h sotto la pioggia mi si è scassato uno dei relé.
Decisi quindi di sostituire il tutto con batterie al litio (pacco da 3 si). Ma essendo queste grandi il doppio e senza ulteriore spazio nel guanto ho dovuto ripiegare per una connessione in parallelo.
Ora, so che i transistor fanno da interruttore e mi chiedevo quindi come fare un minicircuito che possa provvedere a staccare le batterie al litio nel momento in cui che alimento i guanti dalla moto. Sperando di non aver bisogno lo stesso di un condensatore.
Nel frattempo i magneti che si vedono nel video li ho cambiati con quelli che si usano per il cellulare, molto più precisi e la rotazione di 90° del magnete lato guanto facilita notevolmente l'aggancio anche al buoi. I magneti in questione sono questi :
https://www.youtube.com/watch?v=bUOrnsPqVJI
Questo sistema permette di non cablare una giacca (fatto per mia moglie invece) perché consente di cambiarla al volo con un'altra in caso di necessità (fradicia per acquazzone o qualsivoglia ragione etc.)
Quando ho fatto il video le batterie dei guanti erano da 7,2V e scaldavano veramente poco e quindi mediante un relè molto piatto, un diodo e un condensatore ho fatto si che attaccandomi ai 12 volt (i guanti li sopportano) si staccasse la batteria da 7,2V e il condensatore provvedeva per quel millisecondo al 'blackout del relè' ad alimentare il guanto affinchè non si spegnessero.
Ma essendo la componentistica allergica all'acqua dopo 6 h sotto la pioggia mi si è scassato uno dei relé.
Decisi quindi di sostituire il tutto con batterie al litio (pacco da 3 si). Ma essendo queste grandi il doppio e senza ulteriore spazio nel guanto ho dovuto ripiegare per una connessione in parallelo.
Ora, so che i transistor fanno da interruttore e mi chiedevo quindi come fare un minicircuito che possa provvedere a staccare le batterie al litio nel momento in cui che alimento i guanti dalla moto. Sperando di non aver bisogno lo stesso di un condensatore.
Nel frattempo i magneti che si vedono nel video li ho cambiati con quelli che si usano per il cellulare, molto più precisi e la rotazione di 90° del magnete lato guanto facilita notevolmente l'aggancio anche al buoi. I magneti in questione sono questi :
- Allegati
-
- Schermata a 2024-11-11 23-46-43.png (72.86 KiB) Osservato 6224 volte
0
voti
Alcune domande
Non puoi risolvete molto semplicemente con due diodi sulle due alimentazioni Anche uno solo se la tensione di batteria del guanto è sempre più bassa di quella esterna.
Non capisco la necessità di condensatori per mantenere il guanto alimentato durante la commutazione tra un'alimentazione e l'altra.Ci sarà inerzia nel riscaldamento e anche se per uno due secondi resta disalimentato si raffredderà un attimo ma penso sia sopportabile
Connettori USB magnetici come fai in caso di umidità pioggia o acqua in genere?
Non puoi risolvete molto semplicemente con due diodi sulle due alimentazioni Anche uno solo se la tensione di batteria del guanto è sempre più bassa di quella esterna.
Non capisco la necessità di condensatori per mantenere il guanto alimentato durante la commutazione tra un'alimentazione e l'altra.Ci sarà inerzia nel riscaldamento e anche se per uno due secondi resta disalimentato si raffredderà un attimo ma penso sia sopportabile
Connettori USB magnetici come fai in caso di umidità pioggia o acqua in genere?
-

luxinterior
4.311 3 4 9 - Master EY

- Messaggi: 2690
- Iscritto il: 6 gen 2016, 17:48
0
voti
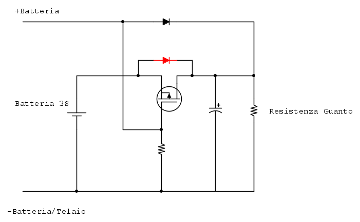
Ti faccio una proposta un po' più complicata di quella di
luxinterior
Però per arrivare ad una soluzione completa servono tutti i dati.
Non ho capito cosa si disalimenta, alla fine il guanto è una resistenza. Che gli frega ?
Puoi postare il modello dei guanti cosi ci diamo una occhiata ?
EDIT: Serve un mosfet P, ho corretto
Questo non è altro che un "OR-ING", che permtette di selezionare da quale circuito alimentare il carico (in questo caso priorità alla batteria moto).
Il vantaggio rispetto al doppio diodo è che durante il funzionamento a batteria le perdite sul mosfet sono più basse

Però per arrivare ad una soluzione completa servono tutti i dati.
Non ho capito cosa si disalimenta, alla fine il guanto è una resistenza. Che gli frega ?
Puoi postare il modello dei guanti cosi ci diamo una occhiata ?
EDIT: Serve un mosfet P, ho corretto
Questo non è altro che un "OR-ING", che permtette di selezionare da quale circuito alimentare il carico (in questo caso priorità alla batteria moto).
Il vantaggio rispetto al doppio diodo è che durante il funzionamento a batteria le perdite sul mosfet sono più basse

44 messaggi
• Pagina 1 di 5 • 1, 2, 3, 4, 5
Chi c’è in linea
Visitano il forum: Nessuno e 73 ospiti

Elettrotecnica e non solo (admin)
Un gatto tra gli elettroni (IsidoroKZ)
Esperienza e simulazioni (g.schgor)
Moleskine di un idraulico (RenzoDF)
Il Blog di ElectroYou (webmaster)
Idee microcontrollate (TardoFreak)
PICcoli grandi PICMicro (Paolino)
Il blog elettrico di carloc (carloc)
DirtEYblooog (dirtydeeds)
Di tutto... un po' (jordan20)
AK47 (lillo)
Esperienze elettroniche (marco438)
Telecomunicazioni musicali (clavicordo)
Automazione ed Elettronica (gustavo)
Direttive per la sicurezza (ErnestoCappelletti)
EYnfo dall'Alaska (mir)
Apriamo il quadro! (attilio)
H7-25 (asdf)
Passione Elettrica (massimob)
Elettroni a spasso (guidob)
Bloguerra (guerra)






