OT
Scusate la risposta tardiva ma hanno operato la compagna e il forum non era la priorità.
Io la avevo lasciata sullo scherzoso usando una frase in un dialetto non mio ma
Parto dal presupposto che i punti sono un "gioco" (non ricordo se è una citazione di Fpalone, Admin o Isidoro) e da regolamento non vanno contestati, io ho delle mie "regole" su come distribuirli
Solitamente i punti negativi li applico quando si "attacca" la persona e non il parere o l'idea
e questo
pino81 ha scritto:grazie,evidentemente alcuni non hanno altri piaceri nella vita che spolliciare in giù solo perché non condividono o forse anche gratuitamente.. pazienza..
è un attacco, se ti trovi un punto negativo su quel post non mi vergono di dire che lo ho messo io
è verò che
elektronik ha scritto:I bambini difficilmente ascoltano i genitori, imparano solo quando si fanno male, quindi e giusto che uno faccia le sue esperienze per farne tesoro.
Ma penso che per una persona inesperta la cosa più bella che possa fare è capire quando si sta per sbagliare prima di sbagliare.
Mi sono sempre detto: Se 3/4/10 persone (slegate tra loro) mi dicono la stessa cosa forse quello che sbaglia sono io.
Aggiungo che: una frase potrebbe essere "medicina" per alcuni e "veleno" per altri.
Penso che forse la prossima volta faresti meglio a chiedere prima di partire, ma è giusto che tu sappia che è una cosa che spesso neanche io faccio
stefanopc ha scritto:Il "Mosfet NPN " mi lascia un po'
interdetto.
Mi hai strappato un sorriso in un periodo non bellissimo
-------------------------------------------------------------------
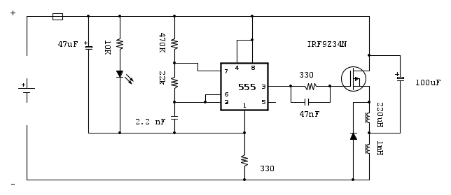
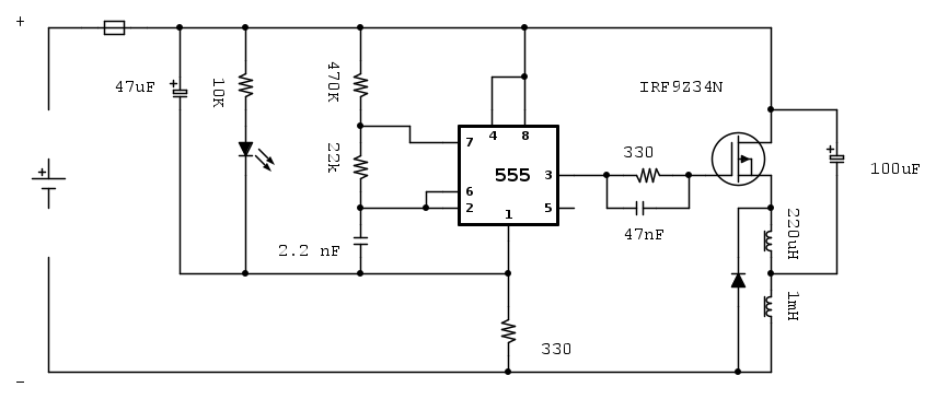
Come già detto la desolfatazione e applicabile quando la situazione non è grave.
Se la batteria è KO non si salva !
Per la componentistica lascia stare aliexpress, compra da siti affidabili. la differenza di prezzo (su piccole tirature) spesso non è così marcata
