Generare segnale PWM da tensione
Moderatori:
carloc,
g.schgor,
BrunoValente,
IsidoroKZ
39 messaggi
• Pagina 1 di 4 • 1, 2, 3, 4
0
voti
Ciao a tutti, dovendo regolare l'intensità di luce di un led vorrei realizzare un circuito tipo questo però con componenti reperibili. Potreste darmi un aiuto su come si potrebbe dimensionare? Guardando il circuito è presente un generatore di segnali a rampa. Di sicuro quel transistor non lo trovo, così ho pensato di cercare uno schema un po più accessibile tipo questo. Come transistor ho a disposizione un bc807, in che modo posso dimensionare la rete resistiva? Ho fatto una prova a fare qualche calcolo, ma mi risulta un partitore con resistenze molto elevate e facendo la prova a misurare la corrente di corto circuito il valore risulta circa la metà di quello calcolato...
-

daniele1996
610 3 8 11 - Sostenitore

- Messaggi: 1554
- Iscritto il: 29 ago 2011, 11:29
0
voti
Il tuo primo link mi da' errore "access denied"
Il secondo non ci azzecca molto con quel convertitore, comunque il BC807 e' semplicemente la versione SMD del BC327 (come il BC817 e' quella del BC337), se servisse.
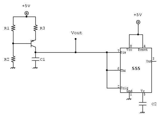
E' comunque probabile che lo schema a cui fai riferimento sia questo, oppure uno molto simile, che gira da anni in rete e che con quei componenti e' il primo che mi viene in mente:
Il transistor, con i due diodi e le sue resistenze, e' semplicemente un generatore di corrente costante (per fare in modo che la carica del condensatore del 555 sia lineare, in modo da passare al comparatore una rampa a dente di sega il piu lineare possibile), mentre il comparatore e' un LM393 (doppio comparatore, ma li ne viene usato solo uno), ed avendo l'uscita a collettore aperto, non puo dare sufficente corrente da pilotarci un led, a meno che non sia piccolo, ma il circuito puo comunque essere usato come pilotaggio per un transistor, un mosfet, o altro componente che regga una corrente maggiore, se il led e' di potenza.
Il secondo non ci azzecca molto con quel convertitore, comunque il BC807 e' semplicemente la versione SMD del BC327 (come il BC817 e' quella del BC337), se servisse.
E' comunque probabile che lo schema a cui fai riferimento sia questo, oppure uno molto simile, che gira da anni in rete e che con quei componenti e' il primo che mi viene in mente:
Il transistor, con i due diodi e le sue resistenze, e' semplicemente un generatore di corrente costante (per fare in modo che la carica del condensatore del 555 sia lineare, in modo da passare al comparatore una rampa a dente di sega il piu lineare possibile), mentre il comparatore e' un LM393 (doppio comparatore, ma li ne viene usato solo uno), ed avendo l'uscita a collettore aperto, non puo dare sufficente corrente da pilotarci un led, a meno che non sia piccolo, ma il circuito puo comunque essere usato come pilotaggio per un transistor, un mosfet, o altro componente che regga una corrente maggiore, se il led e' di potenza.
"Sopravvivere" e' attualmente l'unico lusso che la maggior parte dei Cittadini italiani,
sia pure a costo di enormi sacrifici, riesce ancora a permettersi.
sia pure a costo di enormi sacrifici, riesce ancora a permettersi.
-

Etemenanki
9.517 3 6 10 - Master

- Messaggi: 5940
- Iscritto il: 2 apr 2021, 23:42
- Località: Dalle parti di un grande lago ... :)
0
voti
Daniele, penso che nessuno voglia un altro thread così, giusto?
Quindi per piacere non linkare pagine con schemi spiegati in modalità ricetta di cucina, riferendoti a reti resistive senza che noi si abbia modo di capire quali intendi.
Spiega bene cosa vuoi e se hai uno schema di base da cui partire con la discussione mettilo qui in FidoCad.
Boiler
Quindi per piacere non linkare pagine con schemi spiegati in modalità ricetta di cucina, riferendoti a reti resistive senza che noi si abbia modo di capire quali intendi.
Spiega bene cosa vuoi e se hai uno schema di base da cui partire con la discussione mettilo qui in FidoCad.
Boiler
0
voti
boiler ha scritto:... un altro thread così, giusto? ...
Mi era sfuggito, scusa.
"Sopravvivere" e' attualmente l'unico lusso che la maggior parte dei Cittadini italiani,
sia pure a costo di enormi sacrifici, riesce ancora a permettersi.
sia pure a costo di enormi sacrifici, riesce ancora a permettersi.
-

Etemenanki
9.517 3 6 10 - Master

- Messaggi: 5940
- Iscritto il: 2 apr 2021, 23:42
- Località: Dalle parti di un grande lago ... :)
0
voti
Quello che esce fuori dipende un po da tante circostanze, principalmente la problematica principale è che l'idea richiede delle competenze che purtroppo non ho, altrimenti sarebbe un "che ne pensi sto facendo così"...boiler ha scritto:Daniele, penso che nessuno voglia un altro thread così, giusto?
A parte questo
Etemenanki ha scritto:E' comunque probabile che lo schema a cui fai riferimento sia questo, oppure uno molto simile
Si, il circuito è quello
Vout è collegato all' lm393
-

daniele1996
610 3 8 11 - Sostenitore

- Messaggi: 1554
- Iscritto il: 29 ago 2011, 11:29
0
voti
L'idea è di realizzare quel convertitore, però con i diodi non so se può essere un qualcosa di dimensionabile quindi ne ho cercato uno che svolge la stessa attività
-

daniele1996
610 3 8 11 - Sostenitore

- Messaggi: 1554
- Iscritto il: 29 ago 2011, 11:29
0
voti
Lo schema del generatore di corrente costante con i due diodi lo puoi realizzare con un normale transistor PNP di segnale.
Non serve esattamente quello con la sigla proposta nello schema del messaggio [1] ne hai già qualcuno in casa?
Nel caso esistono anche integrati appositamente progettati per generare una corrente costante (Lm334) o si può utilizzare un Jfet ecc.
Ciao
Non serve esattamente quello con la sigla proposta nello schema del messaggio [1] ne hai già qualcuno in casa?
Nel caso esistono anche integrati appositamente progettati per generare una corrente costante (Lm334) o si può utilizzare un Jfet ecc.
Ciao
600 Elettra
0
voti
Ho proprio quel modello (in questo package) venduto per "equivalente" al 2N3906, guardando nel datasheet qualche differenza c'è... Comunque ho provato il circuito con i valori che mi ero calcolato e di funzionare sembra funzionare, ma vorrei capire come arrivare a calcolarmi la frequenza del segnale generato...
-

daniele1996
610 3 8 11 - Sostenitore

- Messaggi: 1554
- Iscritto il: 29 ago 2011, 11:29
1
voti
Il 555 commuta quando la tensione al pin threshold raggiunge un terzo del valore d'alimentazione.
Se alimenti a 5 V, sono 1.66 V.
La domanda è quindi: quanto tempo ci mette il tuo condensatore a caricarsi a 1.66 V.
Se lo carichi a corrente costante, la tensione sul condensatore è
.
Da questa equazione puoi facilmente ricavate il periodo dell'oscillazione, il cui inverso è la frequenza che cerchi.
Boiler
Se alimenti a 5 V, sono 1.66 V.
La domanda è quindi: quanto tempo ci mette il tuo condensatore a caricarsi a 1.66 V.
Se lo carichi a corrente costante, la tensione sul condensatore è
.Da questa equazione puoi facilmente ricavate il periodo dell'oscillazione, il cui inverso è la frequenza che cerchi.
Boiler
1
voti
Ah, un circuito del genere funziona benissimo anche da termometro, dato che la sorgente di corrente è tutt'altro che stabile. Ma per questo tipo di applicazione probabilmente è irrilevante.
39 messaggi
• Pagina 1 di 4 • 1, 2, 3, 4
Chi c’è in linea
Visitano il forum: Nessuno e 62 ospiti

Elettrotecnica e non solo (admin)
Un gatto tra gli elettroni (IsidoroKZ)
Esperienza e simulazioni (g.schgor)
Moleskine di un idraulico (RenzoDF)
Il Blog di ElectroYou (webmaster)
Idee microcontrollate (TardoFreak)
PICcoli grandi PICMicro (Paolino)
Il blog elettrico di carloc (carloc)
DirtEYblooog (dirtydeeds)
Di tutto... un po' (jordan20)
AK47 (lillo)
Esperienze elettroniche (marco438)
Telecomunicazioni musicali (clavicordo)
Automazione ed Elettronica (gustavo)
Direttive per la sicurezza (ErnestoCappelletti)
EYnfo dall'Alaska (mir)
Apriamo il quadro! (attilio)
H7-25 (asdf)
Passione Elettrica (massimob)
Elettroni a spasso (guidob)
Bloguerra (guerra)



