E' un normalissimo asincrono trifase, ha 3 avvolgimenti distinti, di conseguenza esce con i classici 6 fili che normalmente troveresti collegati nella morsettiera motore.
Considerando questo le ipotesi sono due:
1. Motore a UNA velocità (stella/triangolo)
I 6 fili rappresentano i terminali delle tre fasi dei tre avvolgimenti:
U1, V1, W1 (inizio degli avvolgimenti)
U2, V2, W2 (fine degli avvolgimenti)
Possibili configurazioni:
Collegamento a stella:
I terminali U2, V2, W2 sono collegati insieme (neutro), e le fasi di alimentazione sono collegate a U1, V1, W1.
Questo riduce la corrente assorbita e viene usato per avviamenti più dolci.
Collegamento a triangolo:
I terminali sono collegati in modo che il finale di un avvolgimento sia collegato all'inizio del successivo (U1-V2, V1-W2, W1-U2).
Questo permette al motore di erogare la piena potenza.
2. Motore a DUE velocità (schema Dahlander)
I 6 fili rappresentano i terminali degli avvolgimenti configurabili per cambiare il numero di poli, e quindi la velocità.
Funzionamento:
Collegando gli avvolgimenti in serie (alta velocità), il motore funziona con un numero inferiore di poli (es. 2 poli, 3000 rpm).
Collegandoli in parallelo (bassa velocità), si raddoppiano i poli (es. 4 poli, 1500 rpm).
Cablaggio vecchio motore misterioso
Moderatori:
SandroCalligaro,
mario_maggi,
fpalone
21 messaggi
• Pagina 2 di 3 • 1, 2, 3
0
voti
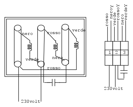
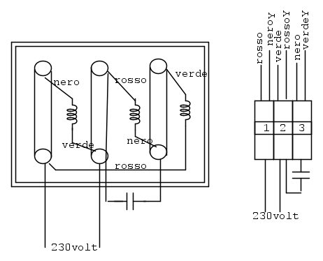
Allora… il motore fa 400g/m 8 poli. In base ai tuoi dati si potrebbe alimentare il motore a triangolo, collegando: il nero della Y con il rosso; il rosso della stella con verde; il verde della Y con nero. Sperando che i fili della stella siano corretti. Prova ad alimentarlo senza usare il commutatore, usa tre morsetti come schema.
-

StefanoSunda
2.880 3 6 10 - Master

- Messaggi: 1962
- Iscritto il: 16 set 2010, 19:29
0
voti
Grazie a entrambi per la chiarezza delle risposte.
Faccio qualche prova e poi faccio sapere.
Intanto colgo l'occasione per augurarvi un Buon Natale e un Felice anno nuovo.
Faccio qualche prova e poi faccio sapere.
Intanto colgo l'occasione per augurarvi un Buon Natale e un Felice anno nuovo.
1
voti
Buongiorno, ho provato il cablaggio di Stefano e FUNZIONA!. Già questo è un bel risultato.
Volevo provare anche a farlo funzionare a 2 velocità ma, perdonami Manuel, non capisco cosa significa 2 poli / 4 poli. E Poi, come si collega in parallelo/seriale? parallelo è a stella e seriale è a triangolo?
Ho trovato questo post:
viewtopic.php?f=18&t=29232#p238802
E' questo il modo di avere 2 velocità?
Grazie ancora e scusate le mille domande.
Volevo provare anche a farlo funzionare a 2 velocità ma, perdonami Manuel, non capisco cosa significa 2 poli / 4 poli. E Poi, come si collega in parallelo/seriale? parallelo è a stella e seriale è a triangolo?
Ho trovato questo post:
viewtopic.php?f=18&t=29232#p238802
E' questo il modo di avere 2 velocità?
Grazie ancora e scusate le mille domande.
0
voti
viewtopic.php?f=18&t=29232#p238802E' questo il modo di avere 2 velocità?
Ti riferisci ad un motore costruito a 2 velocità. Ma il tuo motore in oggetto è a 1 velocità 400 g/m. In alternativa il tuo motore lo potresti usare con variatore di frequenza.
-

StefanoSunda
2.880 3 6 10 - Master

- Messaggi: 1962
- Iscritto il: 16 set 2010, 19:29
0
voti
Stefano, in origine il motore aveva 2 velocità, come spiego nel primo post. Infatti il commutatore ha 2 posizioni.
0
voti
Allora... la targhetta sul motore indica solo una velocità 400 g/m; a mio parere il commutatore in posizione 1 è per lo spunto, (parte con due condensatori), poi dopo la partenza l'operatore esegue la commutazione in posizione 2 ed esclude il secondo condensatore. Non trovo altra spiegazione.
-

StefanoSunda
2.880 3 6 10 - Master

- Messaggi: 1962
- Iscritto il: 16 set 2010, 19:29
0
voti
Sicuramente hai ragione, ma considera:
In origine i condensatori non c'erano.
Il commutatore a 2 posizioni è originale.
In origine tutti i 6 capi degli avvolgimenti erano collegati al commutatore (si capisce dai capi corda).
Il commutatore è strano. In posizione 1 collega 2 terminali da una parte e uno dall' altra. In posizione 2 viceversa. Un motivo ci sarà se non collega tutti i 3 terminali dalla stessa parte (sarebbe la cosa più ovvia).
Comunque se non vedi altra possibilità di collegamento lo lascio ad una velocità.
Grazie mille
In origine i condensatori non c'erano.
Il commutatore a 2 posizioni è originale.
In origine tutti i 6 capi degli avvolgimenti erano collegati al commutatore (si capisce dai capi corda).
Il commutatore è strano. In posizione 1 collega 2 terminali da una parte e uno dall' altra. In posizione 2 viceversa. Un motivo ci sarà se non collega tutti i 3 terminali dalla stessa parte (sarebbe la cosa più ovvia).
Comunque se non vedi altra possibilità di collegamento lo lascio ad una velocità.
Grazie mille
0
voti
Sicuro che non siano "1400" giri? Sembra che prima del "4" ci sia un "1" mezzo cancellato, 1400 giri al minuto è un valore comune per motori a 6 coppie polari
-

SediciAmpere
4.187 5 5 8 - Master

- Messaggi: 4847
- Iscritto il: 31 ott 2013, 15:00
0
voti
alecava ha scritto:Sicuramente hai ragione, ma considera:
In origine i condensatori non c'erano.
Il commutatore a 2 posizioni è originale.
In origine tutti i 6 capi degli avvolgimenti erano collegati al commutatore (si capisce dai capi corda).
Queste informazioni non le sapevo. Se il commutatore e originale, e a questi c’erano collegati tutti e 6 terminali del motore, si capisce che il motore lavorava in trifase, con avviamento stella triangolo (o a 2 velocità; ci vuole un avvolgitore per verificare l'avvolgimento se è a due velocità) che poi è stato adattato in monofase. Ora si deve decidere cosa vuoi fare. Però nella targhetta motore c'è scritto solo una velocità (1400 g/m). Per sediciampere forse hai ragione: 1400 è più credibile.
-

StefanoSunda
2.880 3 6 10 - Master

- Messaggi: 1962
- Iscritto il: 16 set 2010, 19:29
21 messaggi
• Pagina 2 di 3 • 1, 2, 3
Chi c’è in linea
Visitano il forum: Nessuno e 41 ospiti

Elettrotecnica e non solo (admin)
Un gatto tra gli elettroni (IsidoroKZ)
Esperienza e simulazioni (g.schgor)
Moleskine di un idraulico (RenzoDF)
Il Blog di ElectroYou (webmaster)
Idee microcontrollate (TardoFreak)
PICcoli grandi PICMicro (Paolino)
Il blog elettrico di carloc (carloc)
DirtEYblooog (dirtydeeds)
Di tutto... un po' (jordan20)
AK47 (lillo)
Esperienze elettroniche (marco438)
Telecomunicazioni musicali (clavicordo)
Automazione ed Elettronica (gustavo)
Direttive per la sicurezza (ErnestoCappelletti)
EYnfo dall'Alaska (mir)
Apriamo il quadro! (attilio)
H7-25 (asdf)
Passione Elettrica (massimob)
Elettroni a spasso (guidob)
Bloguerra (guerra)

