un amico che usa una radiolina portatile VHF/UHF con il microfono/speaker esterno a potrsts di mano e tenendo la radio nello zaino dietro la schiena, mi chiede se è possibile aggiungere un controllo del volume sul suddetto microfono.
Per l' esattezza mi dice: "sicoome sono mezzo sordo e con il lavoro che faccio devo tenere il volume della radio al massimo, vorrei poterlo abbassare fino ad ammutolire del tutto la radio quando all' occorrenza".
Gli rispondo come al solito, "tutto si puo fare, basta esserne capaci, devo pensarci ed informarmi".
Ed eccomi qua, senza interrogarmi oltre a cercare di pensare all' aspetto tecnico della richiesta.
Ora non ho il suo microfono e la sua radio sotto mano, ma ho aperto il mio mcrofono esterno e ho visto che contiene un altoparlante marchiato 8 ohm 1W.
La prima cosa che ho pensato, da buon agricoltore quale sono, è stata questa:
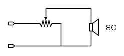
Se trovo un potenziometro a rotella che regge la potenza in gioco la risolvo così, tanto un finale a stato solido non dovrebbe patire l' aumento dell' impedenza di carico.
Sbaglio?
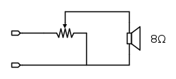
Poi penso, e se faccio con un partitore:
E qui come al solito mi areno e mi perdo cercando di ragionare anche su un metodo che lasci invariata l' impedenza vista dal finale della radio.
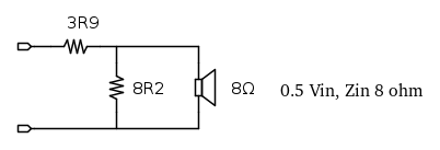
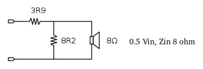
Che poi il metodo mi sembra di capire che esista e si chiami L-pad, ad esempio questo:
Il problema sorge quando penso di realizzarlo variabile con un potenziometro:
La somma delle resistenze è la stessa, ma variando la quota serie e parallelo al variare della regolazione, varia l' impedenza vista dall' amplificatore (se ho fatto bene i conti).
Ringraziandovi in anticipo per la pazienza e la compensione, auguro a tutti coloro che sono arrivati a leggere fin qui un sereno Natale.

Elettrotecnica e non solo (admin)
Un gatto tra gli elettroni (IsidoroKZ)
Esperienza e simulazioni (g.schgor)
Moleskine di un idraulico (RenzoDF)
Il Blog di ElectroYou (webmaster)
Idee microcontrollate (TardoFreak)
PICcoli grandi PICMicro (Paolino)
Il blog elettrico di carloc (carloc)
DirtEYblooog (dirtydeeds)
Di tutto... un po' (jordan20)
AK47 (lillo)
Esperienze elettroniche (marco438)
Telecomunicazioni musicali (clavicordo)
Automazione ed Elettronica (gustavo)
Direttive per la sicurezza (ErnestoCappelletti)
EYnfo dall'Alaska (mir)
Apriamo il quadro! (attilio)
H7-25 (asdf)
Passione Elettrica (massimob)
Elettroni a spasso (guidob)
Bloguerra (guerra)










