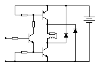
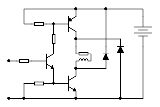
Inserisco due schemi simili

Moderatori:
g.schgor,
IsidoroKZ
ThEnGi ha scritto:sistemi più complessi che permettono di convogliare l'energia nuovamente alla fonte
non capisco il secondo schema MarcoD, penso che non lo alimenterai in Dc,
MarcoD ha scritto:Le due induttanze fanno parte di un trasformatore sono accoppiate fra loro



Torna a Elettrotecnica generale
Visitano il forum: Nessuno e 48 ospiti