vi propongo il seguente schema di amplificatore audio per cuffia con doppio triodo 12AU7/ECC82. Onestamente il funzionamento non mi e' del tutto chiaro.
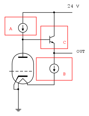
Consideriamo uno dei 2 canali: la configurazione LM317 + resistenza da 7.5 ohm sul terminale Vout costituisce un generatore di corrente costante I = 1.25/7.5 = 165 mA. Tale corrente scorre nel riscaldatore (heater) di ciascun elemento del doppio triodo. In particolare il pin 9 e' l'elemento comune della coppia di filamenti riscaldatori (heater center tap).
Ora la domanda e': a cosa serve la coppia di diodi LED red/blue e quale e' il ruolo dell'n-channel mosfet IRF630 ?
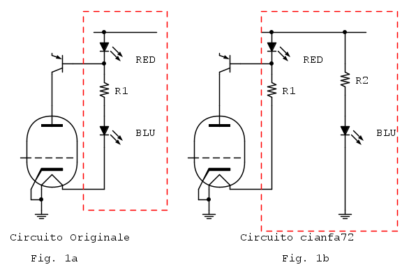
Allego inoltre questo schema che evidenzia forse in modo piu' chiaro la struttura di ciascun canale (da notare il ramo centrale con i LED condiviso da essi).
Grazie

Elettrotecnica e non solo (admin)
Un gatto tra gli elettroni (IsidoroKZ)
Esperienza e simulazioni (g.schgor)
Moleskine di un idraulico (RenzoDF)
Il Blog di ElectroYou (webmaster)
Idee microcontrollate (TardoFreak)
PICcoli grandi PICMicro (Paolino)
Il blog elettrico di carloc (carloc)
DirtEYblooog (dirtydeeds)
Di tutto... un po' (jordan20)
AK47 (lillo)
Esperienze elettroniche (marco438)
Telecomunicazioni musicali (clavicordo)
Automazione ed Elettronica (gustavo)
Direttive per la sicurezza (ErnestoCappelletti)
EYnfo dall'Alaska (mir)
Apriamo il quadro! (attilio)
H7-25 (asdf)
Passione Elettrica (massimob)
Elettroni a spasso (guidob)
Bloguerra (guerra)






calcolata sulle curve caratteristiche di uscita
nel punto di lavoro Q).
del triodo in quella configurazione.