In altro thread (https://www.electroyou.it/forum/viewtopic.php?f=3&t=37451) si è accennato all'argomento, ma per non deviare troppo dall'oggetto principale ne apro un altro specifico.
Nel caso di utilizzo di autotrasformatore per modificare i livelli di tensione ed eventualmente ricostruire il neutro per quelle poche fornitura in cui non viene distribuito (tipicamente i fortunati del centro di Roma) a volte vi sono delle incertezze sulle misure di protezione dai contatti indiretti che devono essere messe in atto.
Supponiamo forniture con sistema TT.
Spesso ho letto che essendo un autotrasformatore le protezioni differenziali a monte della prima porta (non è in effetti un "primario") proteggono anche a valle della seconda porta ("secondario").
Forse occorre fare dei distinguo quando un polo della seconda porta è connesso a terra: nel caso non vi siano connessioni a terra non ci sono dubbi: le protezioni a monte della prima porta proteggono anche ciò che è a valle, questo sia se l'autotrasformatore è monofase sia se è trifase.
Se invece ho un polo della seconda porta connesso a terra le cose si complicano.
A mio avviso il circuito di guasto non investe anche la prima porta e le protezioni a monte di essa non possono intervenire.
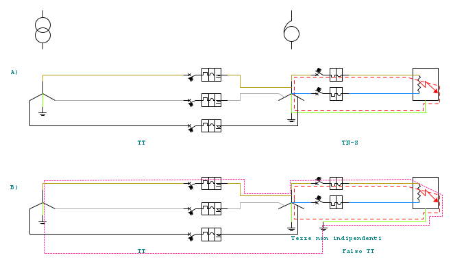
Se l'autotrasformatore (come nel 99,99% dei casi in oggetto) è posizionato nello stesso edificio dell'impianto utilizzatore allora, dovendo l'impianto di terra essere unico, le masse sono per forza di cosa collegate al centro stella dell'autotrasformatore trifase (o ad un polo se monofase) direttamente e quindi il sistema diviene sicuramente un TN-S:
caso A) della figura seguente
ma anche se per ipotesi (e sbagliando) il centro stella dell'autotrasformatore fosse collegato ad un impianto di terra differente da quello degli utilizzatori, si potrebbe pensare ad un sistema TT anche a valle dell'autotrasformatore, ma a mio avviso non è così.
Perché vi sia un sistema TT le terre del generatore e degli utilizzatori devono essere indipendenti e due paline a pochi metri di distanza (e con numerosi altri dispersori di fatto o intenzionali nelle vicinanze) non lo sono: perché la corrente di guasto dovrebbe seguire il circuito punteggiato in figura B) invece di quello elettricamente più economico mostrato in tratteggio largo?
Protezioni contatti indiretti a valle autotrasformatore
Moderatori:
sebago,
MASSIMO-G,
lillo,
Mike
6 messaggi
• Pagina 1 di 1
0
voti
GioArca67 ha scritto: perché la corrente di guasto dovrebbe seguire il circuito punteggiato in figura B) invece di quello elettricamente più economico mostrato in tratteggio largo?
Credo perche la sezione del "conduttore terreno" e' tanto piu grande quando maggiore e' la distanza tra i dispersori, mentre di contro presenta una resistenza tanto maggiore (o sezione inferiore) quanto piu sono vicini e soggetti ad interfernza reciproca.
-

gianluca.ciacciofera
271 1 4 6 - Sostenitore

- Messaggi: 723
- Iscritto il: 4 ott 2006, 10:57
1
voti
Salve
GioArca67,
In generale se stai usando un autotrasformatore hai il vantaggio (e al tempo stesso la limitazione) di non variare lo stato del neutro del sistema. Mi sembra una scelta ben strana collegare il centro stella a terra dell'autotrasformatore per passare ad una gestione di tipo TN-S.
Per capire i percorsi di richiusura delle correnti omopolari, nel tuo schema manca un "protagonista": il conduttore di neutro: nell'esempio che hai in mente, il neutro dell'autotrasformatore è collegato al neutro del distributore (per capirci, dal lato 400 V in cui la gestione è del tipo TT)?
Nel caso in cui il neutro sia collegato a quello del distributore, solo una parte molto piccola della corrente di guasto (fase - PE) al secondario si richiuderà a terra; potrebbe essere comunque sufficiente a causare l'intervento di protezioni differenziali eventualmente presenti a monte: il valore esatto della corrente che si richiude nel terreno dipenderà dai valori della resistenza di terra degli impianti (di utenza e del distributore) e di impedenza del circuito alla sequenza omopolare (dettata principalmente dalla sezione del conduttore di neutro).
Nel caso (ancora più curioso) in cui il neutro NON sia collegato a quello del distributore, parte della la corrente (circa metà della corrente di guasto per il caso in oggetto) si richiuderà verso terra, con il risultato di vedere nell'anello di guasto la resistenza di terra anche per il guasto nella porzione di sistema sistema TN-S.
In generale se stai usando un autotrasformatore hai il vantaggio (e al tempo stesso la limitazione) di non variare lo stato del neutro del sistema. Mi sembra una scelta ben strana collegare il centro stella a terra dell'autotrasformatore per passare ad una gestione di tipo TN-S.
Per capire i percorsi di richiusura delle correnti omopolari, nel tuo schema manca un "protagonista": il conduttore di neutro: nell'esempio che hai in mente, il neutro dell'autotrasformatore è collegato al neutro del distributore (per capirci, dal lato 400 V in cui la gestione è del tipo TT)?
Nel caso in cui il neutro sia collegato a quello del distributore, solo una parte molto piccola della corrente di guasto (fase - PE) al secondario si richiuderà a terra; potrebbe essere comunque sufficiente a causare l'intervento di protezioni differenziali eventualmente presenti a monte: il valore esatto della corrente che si richiude nel terreno dipenderà dai valori della resistenza di terra degli impianti (di utenza e del distributore) e di impedenza del circuito alla sequenza omopolare (dettata principalmente dalla sezione del conduttore di neutro).
Nel caso (ancora più curioso) in cui il neutro NON sia collegato a quello del distributore, parte della la corrente (circa metà della corrente di guasto per il caso in oggetto) si richiuderà verso terra, con il risultato di vedere nell'anello di guasto la resistenza di terra anche per il guasto nella porzione di sistema sistema TN-S.
0
voti
Forse lo avevo indicato altrove: è il caso in cui il neutro del distributore NON è distribuito e quindi occorre ricostruirlo.
Io preferisco mettere un trasformatore, ma un autotrasformatore trifase risolverebbe comunque.
La situazione è quindi quella disegnata nello schema.
Io preferisco mettere un trasformatore, ma un autotrasformatore trifase risolverebbe comunque.
La situazione è quindi quella disegnata nello schema.
6 messaggi
• Pagina 1 di 1
Torna a Impianti, sicurezza e quadristica
Chi c’è in linea
Visitano il forum: Nessuno e 55 ospiti

Elettrotecnica e non solo (admin)
Un gatto tra gli elettroni (IsidoroKZ)
Esperienza e simulazioni (g.schgor)
Moleskine di un idraulico (RenzoDF)
Il Blog di ElectroYou (webmaster)
Idee microcontrollate (TardoFreak)
PICcoli grandi PICMicro (Paolino)
Il blog elettrico di carloc (carloc)
DirtEYblooog (dirtydeeds)
Di tutto... un po' (jordan20)
AK47 (lillo)
Esperienze elettroniche (marco438)
Telecomunicazioni musicali (clavicordo)
Automazione ed Elettronica (gustavo)
Direttive per la sicurezza (ErnestoCappelletti)
EYnfo dall'Alaska (mir)
Apriamo il quadro! (attilio)
H7-25 (asdf)
Passione Elettrica (massimob)
Elettroni a spasso (guidob)
Bloguerra (guerra)





