Salve a tutti, per un progetto avrei bisogno di una tensione di alimentazione di 500 V o poco più, possibilmente partendo da una pila da 9 V; Fortunatamente la corrente richiesta è estremamente bassa, nell'ordine dei 100 µA.
Non ho mai progettato uno step-up, così può andare bene?
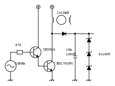
Come induttore pensavo di usare un filtro EMI toroidale da 2x16mH (mettendo in due avvolgimenti in serie ho misurato 23-24 mH), secondo il simulatore si ottiene la maggiore efficienza utilizzando una frequenza di 3kHz , che posso generare con un PIC.
Avete qualche consiglio per migliorarlo, o può andare così? Grazie
Step-up 9 V => 500 V bassa corrente
Moderatori:
g.schgor,
IsidoroKZ
42 messaggi
• Pagina 1 di 5 • 1, 2, 3, 4, 5
2
voti
Potresti anche partire dal circuito del flash di una macchinetta usa e getta, riavvolgendo il primario per farlo funzionare a 9V invece che a 1.5V (giusto come idea) 
"Sopravvivere" e' attualmente l'unico lusso che la maggior parte dei Cittadini italiani,
sia pure a costo di enormi sacrifici, riesce ancora a permettersi.
sia pure a costo di enormi sacrifici, riesce ancora a permettersi.
-

Etemenanki
9.527 3 6 10 - Master

- Messaggi: 5950
- Iscritto il: 2 apr 2021, 23:42
- Località: Dalle parti di un grande lago ... :)
0
voti
Nelle stampanti laser o prodotti similari ci dovrebbe essere il trasformatore elevatore che potrebbe fare al caso tuo già confezionato e pronto per il riutilizzo.
Ciao
Ciao
600 Elettra
1
voti
Io userei un controller "vero" per boost converter, che monitori la corrente e abbia un ingresso di feedback.
Poi, visto che passare da 9 V a 500 V in uno stadio si può forse fare, ma non è poco, ci metterei in uscita un triplicatore di tensione (cascata di diodi e condensatori).
Guarda qui, puoi ispirarti a questo:
https://www.ti.com/lit/df/tidrom5/tidrom5.pdf
Boiler
Poi, visto che passare da 9 V a 500 V in uno stadio si può forse fare, ma non è poco, ci metterei in uscita un triplicatore di tensione (cascata di diodi e condensatori).
Guarda qui, puoi ispirarti a questo:
https://www.ti.com/lit/df/tidrom5/tidrom5.pdf
Boiler
0
voti
stefanopc ha scritto:Nelle stampanti laser o prodotti similari ...
Giusto, i circuito dei polarizzatori per l'adesione ed il distacco del toner dal tamburo ... spesso sono sul circuito principale, ma e' abbastanza semplice tagliarli via per rimpicciolirli, dato che hanno ampio spazio di isolamento rispetto al resto, altre volte sono circuitini separati, quasi tutti integrano anche i moltiplicatori diodo/condensatore, l'unico problema potrebbe essere che la maggior parte richiede 24 V, ma alla disperata si recuperano i trasformatori ed i componenti del moltiplicatore e si possono riutilizzare quelli.
"Sopravvivere" e' attualmente l'unico lusso che la maggior parte dei Cittadini italiani,
sia pure a costo di enormi sacrifici, riesce ancora a permettersi.
sia pure a costo di enormi sacrifici, riesce ancora a permettersi.
-

Etemenanki
9.527 3 6 10 - Master

- Messaggi: 5950
- Iscritto il: 2 apr 2021, 23:42
- Località: Dalle parti di un grande lago ... :)
0
voti
la prima cosa che non va bene è la mancanza di un resistore tra la base del HD e massa, anche solo le piccole capacità parassite ti daranno problemi, per non dire della capacità di collettore-base, che con 500V di rampa certemante ti manda in conduzione permanente il finale.
Io come finale userei certamente un mosfet, credo che sia piu semplice da trovare per 800V, e comunque ha una veloità di commutazione che ritengo migliore dei comuni transistor, (considerato il rapprto delle tensioni l'interdizione deve essere fulminea), senza trsacurare una saturazione decisamente migliore, che nel tuo caso qualche volt ti darà una notevole differenza.
ho anche dei dubbi sul toroide, visto che si usano per filtrare frequenze elevate ho dubbi sulla frequenza di lavoro ottimale a 3KHz, (io ne ho usati a frequenze ben piu elevate), senza considerare che il rapporto delle tensioni deve essere allincirca come il duty, parametro che non hai neanche preso in considerazione.
se lo vuoi pilotare con micro, devi sempre mettere una resistenza verso massa sul pin, in modo che prima della configurazione degli ingressi il pin sia disabilitato via hardware, poi tieni presente di impostare l'uscita della porta solo dopo che avrai avviato il timer...... anche io sarei propenso all'uso di un IC specializzato.
personalmente non ho mai usato zener da 180V, quindi non saprei cosa dirti in merito, anche se ad occhio la cosa non mi fa impazzire.
ovvio che anche il diodo raddrizzatore, che non hai indicato quale usare, deve tenere almeno i 600V, e deve essere veloce, per applicazioni switching, (visto che gli schottky non superano i 100V).
detto questo, può funzionare.
saluti.
Io come finale userei certamente un mosfet, credo che sia piu semplice da trovare per 800V, e comunque ha una veloità di commutazione che ritengo migliore dei comuni transistor, (considerato il rapprto delle tensioni l'interdizione deve essere fulminea), senza trsacurare una saturazione decisamente migliore, che nel tuo caso qualche volt ti darà una notevole differenza.
ho anche dei dubbi sul toroide, visto che si usano per filtrare frequenze elevate ho dubbi sulla frequenza di lavoro ottimale a 3KHz, (io ne ho usati a frequenze ben piu elevate), senza considerare che il rapporto delle tensioni deve essere allincirca come il duty, parametro che non hai neanche preso in considerazione.
se lo vuoi pilotare con micro, devi sempre mettere una resistenza verso massa sul pin, in modo che prima della configurazione degli ingressi il pin sia disabilitato via hardware, poi tieni presente di impostare l'uscita della porta solo dopo che avrai avviato il timer...... anche io sarei propenso all'uso di un IC specializzato.
personalmente non ho mai usato zener da 180V, quindi non saprei cosa dirti in merito, anche se ad occhio la cosa non mi fa impazzire.
ovvio che anche il diodo raddrizzatore, che non hai indicato quale usare, deve tenere almeno i 600V, e deve essere veloce, per applicazioni switching, (visto che gli schottky non superano i 100V).
detto questo, può funzionare.
saluti.
-

lelerelele
4.899 3 7 9 - Master

- Messaggi: 5505
- Iscritto il: 8 giu 2011, 8:57
- Località: Reggio Emilia
0
voti
Intanto grazie a tutti per le risposte
Aggiornamento: ho provato a costruire un abbozzo, solo per vedere se si riusciva ad ottenere una tensione più alta di quella di partenza, ho usato un BDX53C (lo so, non va bene perché ha una tensione massima troppo bassa, ma quello avevo), un diodo 1N4007 e un condensatore da 33 nF - 630 V, ho variato la frequenza di switching del generatore di funzioni e ho visto che la tensione più alta si ottiene con 4 kHz, sono arrivato a 130 V
, purtroppo non mi intendo di alimentatori switching, praticamente devo usare un'onda rettangolare con duty-cycle del 2% ?
Aggiornamento: ho provato a costruire un abbozzo, solo per vedere se si riusciva ad ottenere una tensione più alta di quella di partenza, ho usato un BDX53C (lo so, non va bene perché ha una tensione massima troppo bassa, ma quello avevo), un diodo 1N4007 e un condensatore da 33 nF - 630 V, ho variato la frequenza di switching del generatore di funzioni e ho visto che la tensione più alta si ottiene con 4 kHz, sono arrivato a 130 V
GiustoEcoTan ha scritto:Sì certo fra il collettore del 2N3904 e il positivo dell'alimentazione devi mettere una resistenza.
Buona l'idea del triplicatore, forse sarà necessario, mentre un boost converter con feedback, mi sembra di complicarmi troppo per soli 100 uAboiler ha scritto:Io userei un controller "vero" per boost converter, che monitori la corrente e abbia un ingresso di feedback. Poi, visto che passare da 9 V a 500 V in uno stadio si può forse fare, ma non è poco, ci metterei in uscita un triplicatore di tensione (cascata di diodi e condensatori).
ok, tra 10 giorni c'è la fiera dell'elettronica, lo cercoginfizz ha scritto: piu' reperibile un FJP13009
buona idea anche questalelerelele ha scritto: userei certamente un mosfet
non ho capitolelerelele ha scritto: senza considerare che il rapporto delle tensioni deve essere allincirca come il duty, parametro che non hai neanche preso in considerazione.
-

SediciAmpere
4.187 5 5 8 - Master

- Messaggi: 4848
- Iscritto il: 31 ott 2013, 15:00
0
voti
Questo convertitore farà parte di un oggetto in cui ci sarà un Attiny 414 o 416 , oltre ad altre funzioni userò un pin per fare l'oscillatore a 4 kHz e casomai un altro pin per la retroazione
-

SediciAmpere
4.187 5 5 8 - Master

- Messaggi: 4848
- Iscritto il: 31 ott 2013, 15:00
42 messaggi
• Pagina 1 di 5 • 1, 2, 3, 4, 5
Torna a Elettrotecnica generale
Chi c’è in linea
Visitano il forum: Nessuno e 44 ospiti

Elettrotecnica e non solo (admin)
Un gatto tra gli elettroni (IsidoroKZ)
Esperienza e simulazioni (g.schgor)
Moleskine di un idraulico (RenzoDF)
Il Blog di ElectroYou (webmaster)
Idee microcontrollate (TardoFreak)
PICcoli grandi PICMicro (Paolino)
Il blog elettrico di carloc (carloc)
DirtEYblooog (dirtydeeds)
Di tutto... un po' (jordan20)
AK47 (lillo)
Esperienze elettroniche (marco438)
Telecomunicazioni musicali (clavicordo)
Automazione ed Elettronica (gustavo)
Direttive per la sicurezza (ErnestoCappelletti)
EYnfo dall'Alaska (mir)
Apriamo il quadro! (attilio)
H7-25 (asdf)
Passione Elettrica (massimob)
Elettroni a spasso (guidob)
Bloguerra (guerra)






