Buongiorno,
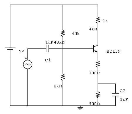
Ho un problema con il seguente schema di amplificatore CE: il guadagno teorico dovrebbe essere pari a circa 40 mentre, tramite simulazione Multisim, ottengo un guadagno nettamente inferiore pari a 30.
Inizialmente ho pensato ad una reattanza troppo elevata del condensatore C2 alla mia frequenza di lavoro (8kHz); così ho provato sia ad aumentare la frequenza (fino a 1 MHz) che il valore della capacità (esagerandola fino a 100uF); ma il valore del guadagno rimane lo stesso.
Ringrazio anticipatamente chiunque mi potrebbe aiutare a comprenderne le motivazioni
Emettitore comune: guadagno anomalo
Moderatori:
carloc,
g.schgor,
BrunoValente,
IsidoroKZ
9 messaggi
• Pagina 1 di 1
2
voti
Con un transistor con hfe che tende a infinito, dovrebbe guadagnare 4k/ 100 = 40.
Occorre adoperare la formula corrispondente per il calcolo del guadagno dello stadio (purtroppo non me la ricordo e non ho voglia di ricavarmela).
Un guadagno simulato di 30 pare plausibile.
Che Hfe del transistor viene adoperato nella simulazione ?
Forse influisce anche la resistenza di ingresso del transistor.
Occorre adoperare la formula corrispondente per il calcolo del guadagno dello stadio (purtroppo non me la ricordo e non ho voglia di ricavarmela).
Un guadagno simulato di 30 pare plausibile.
Che Hfe del transistor viene adoperato nella simulazione ?
Forse influisce anche la resistenza di ingresso del transistor.
0
voti
In simulazione il guadagno hfe risulta essere 123... forse dovrebbe essere più alto.
Proverò con altri transistor, eventualmente ti farò sapere.
Comunque quello che a me non torna è che senza la presenza del condensatore C2, il guadagno si avvicina molto al valore teorico
Grazie comunque
Proverò con altri transistor, eventualmente ti farò sapere.
Comunque quello che a me non torna è che senza la presenza del condensatore C2, il guadagno si avvicina molto al valore teorico
Grazie comunque
Freedom is not free
-

DeltaElectronics
224 1 3 7 - Sostenitore

- Messaggi: 597
- Iscritto il: 27 set 2015, 14:01
3
voti
MarcoD ha scritto:Con un transistor con hfe che tende a infinito, dovrebbe guadagnare 4k/ 100 = 40.
DeltaElectronics ha scritto:In simulazione il guadagno hfe risulta essere 123
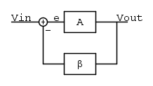
Supponi di avere un Op-Amp con guadagno open loop di 123

DeltaElectronics ha scritto:Comunque quello che a me non torna è che senza la presenza del condensatore C2, il guadagno si avvicina molto al valore teorico
Sostituisci 40 con 4 nella formula qui sopra e valuta il risultato.
Perche' "il guadagno si avvicina molto al valore teorico"?
0
voti
ottengo un guadagno nettamente inferiore pari a 30
4000 / 119.5 ≈ 33
Dove 100 è la prima Re, e 19.5 è il parallelo della seconda Re e della Xc a 8 kHz
Togliendo il condensatore il guadagno diventa 4000 / 1000 = 4
Una domanda ben posta è già mezza risposta.
1
voti
Il ragionamento di
djnz non mi convince.
Trascuriamo la resistenza da 900 ohm per semplificare i calcoli
Concordo che la reattanza del condensatore da 1uF a 8kHz vale
Xc = 1/(6,28 x 1x 10^-16 x 8 X 10^3) = 19,9
Ma nella serie, la reattanza del condensatore è in quadratura rispetto alla resistenza da 100 ohm , quindi per l 'impedenza equivalente non si somma, ma si applica il teorema di Pitagora:
Zeq = Radq( 100^2 + 19,9^2) = 102 ohm circa
4000 / 102 = 39,2 prossima a 40, non spiega la riduzione del guadagno a 33.
La riduzione del guadagno è dovuta al guadagno non infinito del transistor, come mostrato nell'esempio con operazionale (non tanto chiaro) da
elfo.
Si dovrebbe proprio ricercare o calcolare la formula completa del guadagno dello stadio (ricordo di avere i passaggi spiegati sul mio vecchio Millman e HalKias ma non ho voglia di ricercarla).

Trascuriamo la resistenza da 900 ohm per semplificare i calcoli
Concordo che la reattanza del condensatore da 1uF a 8kHz vale
Xc = 1/(6,28 x 1x 10^-16 x 8 X 10^3) = 19,9
Ma nella serie, la reattanza del condensatore è in quadratura rispetto alla resistenza da 100 ohm , quindi per l 'impedenza equivalente non si somma, ma si applica il teorema di Pitagora:
Zeq = Radq( 100^2 + 19,9^2) = 102 ohm circa
4000 / 102 = 39,2 prossima a 40, non spiega la riduzione del guadagno a 33.
La riduzione del guadagno è dovuta al guadagno non infinito del transistor, come mostrato nell'esempio con operazionale (non tanto chiaro) da
Si dovrebbe proprio ricercare o calcolare la formula completa del guadagno dello stadio (ricordo di avere i passaggi spiegati sul mio vecchio Millman e HalKias ma non ho voglia di ricercarla).

0
voti
Vado un po' veloce.
Punto di lavoro.
Ip=9/48k=187uA
VB=(8/48)*9=1,5V
Supponiamo Q1 in attiva, VBE=0,7V
VE=1,5-0,7=0,8V
IE=0,8/1k=0,8mA
IC=IE in prima approx
VRc=4k*0,8m=3,2V
VC=9-3,2=5,8V
VCE=5,8-0,8=5V>VCEsat ok in attiva
IB=800u/100=8uA <<187uA ok rete polarizzazione
Passiamo al piccolo segnale
gm=Ic/Vt=0,8m/26m=30mS
rb=beta/gm=100/30m=3,3k
Vi non ha resistenza interna quindi Rp =8*40/48=6,6k non influisce
Vi = [rb + Re (1 + gm * rb)] * ib
Vo = - gm * vbe * Rc = - gm * rb * ib * Rc
Av = Vo/Vi = - gm * rb * Rc / [rb + Re (1 + gm * rb)] =
= - 30m * 3,3k * 4k / [3,3k +100 * 101] = - 400 k / 13,4k =
= - 29,85
Quindi sembra che 30 dal simulatore vada bene.
Punto di lavoro.
Ip=9/48k=187uA
VB=(8/48)*9=1,5V
Supponiamo Q1 in attiva, VBE=0,7V
VE=1,5-0,7=0,8V
IE=0,8/1k=0,8mA
IC=IE in prima approx
VRc=4k*0,8m=3,2V
VC=9-3,2=5,8V
VCE=5,8-0,8=5V>VCEsat ok in attiva
IB=800u/100=8uA <<187uA ok rete polarizzazione
Passiamo al piccolo segnale
gm=Ic/Vt=0,8m/26m=30mS
rb=beta/gm=100/30m=3,3k
Vi non ha resistenza interna quindi Rp =8*40/48=6,6k non influisce
Vi = [rb + Re (1 + gm * rb)] * ib
Vo = - gm * vbe * Rc = - gm * rb * ib * Rc
Av = Vo/Vi = - gm * rb * Rc / [rb + Re (1 + gm * rb)] =
= - 30m * 3,3k * 4k / [3,3k +100 * 101] = - 400 k / 13,4k =
= - 29,85
Quindi sembra che 30 dal simulatore vada bene.
3
voti
Non bisogna prendere le formule approssimate (A=-Rc/Re) e credere che siano esatte
, e neppure usarle quando sono vicine o fuori dal loro campo di validita`.
Inoltre, come dice il buon
carloc, Se ti serve il valore di beta: hai sbagliato il progetto!.
Cio` detto, vediamo il conto del guadagno "teorico" del circuito. La tensione di base e` dalle parti di 1.5V, e quella di emettitotore, piu` o meno, sara` dalle parti di 0.75V. La corrente di emettitore (e di collettore) del transistore vale circa 0.75mA, che vuol dire che la sua transconduttanza vale circa 30mS. A questo punto si puo` procedere in due modi diversi (anzi 3) per analizzare il common emitter con resistenza di emettitore. Il circuito e` "facile" perche' il generatore di ingresso e` ideale, quindi non dobbiamo preoccuparci del carico del partitore di polarizzazione ne' dell'impedenza di ingresso del circuito.
1) Si considera che il BJT con RE ha una transconduttanza equivalente pari a
e quindi il guadagno di tensione diventa 
2) Circuito equivalente a T del transistore. La sua resistenza interna di emettitore e` re=1/gm, quindi circa 33Ω e la resistenza complessiva di emettitore vale re+RE=33Ω+100Ω=133Ω e il guadagno
Av=-RC/REtot=-4kΩ/133Ω=-30 come prima.
3) Mi sono incasinato mentre lo scrivevo, non ho molto tempo e lo lascio per un'altra volta. Comunque si calcola un transistore equivalente con emettitore a ground (senza RE) con lo stesso beta di quello originale e una resistenza di ingresso equivalente r_pieq=r_pi+RE(1+ß) e i conti vengono come prima.
GioArca67 ha fatto tutti i conti per bene, verificando anche che il partitore di base sia corretto, i miei sono veloci "on the back of an enevelope".
Vale anche la pena di leggere bene la mia firma, parte in verde!
Inoltre, come dice il buon
Cio` detto, vediamo il conto del guadagno "teorico" del circuito. La tensione di base e` dalle parti di 1.5V, e quella di emettitotore, piu` o meno, sara` dalle parti di 0.75V. La corrente di emettitore (e di collettore) del transistore vale circa 0.75mA, che vuol dire che la sua transconduttanza vale circa 30mS. A questo punto si puo` procedere in due modi diversi (anzi 3) per analizzare il common emitter con resistenza di emettitore. Il circuito e` "facile" perche' il generatore di ingresso e` ideale, quindi non dobbiamo preoccuparci del carico del partitore di polarizzazione ne' dell'impedenza di ingresso del circuito.
1) Si considera che il BJT con RE ha una transconduttanza equivalente pari a
e quindi il guadagno di tensione diventa 
2) Circuito equivalente a T del transistore. La sua resistenza interna di emettitore e` re=1/gm, quindi circa 33Ω e la resistenza complessiva di emettitore vale re+RE=33Ω+100Ω=133Ω e il guadagno
Av=-RC/REtot=-4kΩ/133Ω=-30 come prima.
3) Mi sono incasinato mentre lo scrivevo, non ho molto tempo e lo lascio per un'altra volta. Comunque si calcola un transistore equivalente con emettitore a ground (senza RE) con lo stesso beta di quello originale e una resistenza di ingresso equivalente r_pieq=r_pi+RE(1+ß) e i conti vengono come prima.
Vale anche la pena di leggere bene la mia firma, parte in verde!
Per usare proficuamente un simulatore, bisogna sapere molta più elettronica di lui
Plug it in - it works better!
Il 555 sta all'elettronica come Arduino all'informatica! (entrambi loro malgrado)
Se volete risposte rispondete a tutte le mie domande
Plug it in - it works better!
Il 555 sta all'elettronica come Arduino all'informatica! (entrambi loro malgrado)
Se volete risposte rispondete a tutte le mie domande
0
voti
elfo ha scritto:Supponi di avere un Op-Amp con guadagno open loop di 123
MarcoD ha scritto:La riduzione del guadagno è dovuta al guadagno non infinito del transistor, come mostrato nell'esempio con operazionale (non tanto chiaro) da elfo.
Credo che quello che
Dove puoi usare la solita formula
. Se
è infinito, il sistema si riduce asintoticamente a
che è il guadagno ideale (
), altrimenti il guadagno effettivo verrà ridotto a causa della non idealità dell'amplificatore (in questo caso conti non vengono proprio così ma il concetto è quello).
9 messaggi
• Pagina 1 di 1
Chi c’è in linea
Visitano il forum: Google [Bot] e 178 ospiti

Elettrotecnica e non solo (admin)
Un gatto tra gli elettroni (IsidoroKZ)
Esperienza e simulazioni (g.schgor)
Moleskine di un idraulico (RenzoDF)
Il Blog di ElectroYou (webmaster)
Idee microcontrollate (TardoFreak)
PICcoli grandi PICMicro (Paolino)
Il blog elettrico di carloc (carloc)
DirtEYblooog (dirtydeeds)
Di tutto... un po' (jordan20)
AK47 (lillo)
Esperienze elettroniche (marco438)
Telecomunicazioni musicali (clavicordo)
Automazione ed Elettronica (gustavo)
Direttive per la sicurezza (ErnestoCappelletti)
EYnfo dall'Alaska (mir)
Apriamo il quadro! (attilio)
H7-25 (asdf)
Passione Elettrica (massimob)
Elettroni a spasso (guidob)
Bloguerra (guerra)









