Salve,
da tempo mi faccio una domanda e non sono sicuro della risposta, di conseguenza la giro a chi mi può illuminare: se metto in parallelo 2 interruttori differenziali con soglia d'intervento 0,03 A. posso pensare che l'intervento avvenga con assobimento anomalo dopo 0,06 A.?
Grazie sin d'ora.
Osvaldo De Lorenzo
Interruttori differenziali
Moderatori:
sebago,
MASSIMO-G,
lillo,
Mike
7 messaggi
• Pagina 1 di 1
0
voti
0
voti
Dipende da come viene ripartita la corrente (sbilanciata):
Anche ipotizando un interventto netto a 30mA (non una curva) e in un modo "semi-ideale" non è garantito che l'intervento avvenga a 60mA.
Anche solo un errore di ripartizione di pochi punti percentuali porterebbe allo sgancio prima di uno poi dell'altro prima dei fatidici 60mA
Perciò è una cosa da non fare, stessa cosa con i MT. Due MT da 16A non erogano 32A (combinati)
Probabilmente una via di mezzo si.....
Dato che si tratta di protezioni, non vanno "manomesse". Se il differenziale/termico/magnetico scatta c'è un motivo ! Che potrebbe anche essere che il MT/MTD sia rotto
Stessa prassi si applica ai transistor,non è saggio Bisogna valutare opportuni accorgimenti durante il parallelo

Anche ipotizando un interventto netto a 30mA (non una curva) e in un modo "semi-ideale" non è garantito che l'intervento avvenga a 60mA.
Anche solo un errore di ripartizione di pochi punti percentuali porterebbe allo sgancio prima di uno poi dell'altro prima dei fatidici 60mA
Perciò è una cosa da non fare, stessa cosa con i MT. Due MT da 16A non erogano 32A (combinati)
Probabilmente una via di mezzo si.....
Dato che si tratta di protezioni, non vanno "manomesse". Se il differenziale/termico/magnetico scatta c'è un motivo ! Che potrebbe anche essere che il MT/MTD sia rotto
Stessa prassi si applica ai transistor,

0
voti
Grazie.
era il mio stesso dubbio sulla imprevista suddivisione della corrente.
Certamente mai manomettere nessun tipo di protezione.
Cordiali saluti.
Osvaldo
era il mio stesso dubbio sulla imprevista suddivisione della corrente.
Certamente mai manomettere nessun tipo di protezione.
Cordiali saluti.
Osvaldo
1
voti
La tua domanda è interessante e tocca un aspetto tecnico importante. Quando si collegano due interruttori differenziali in parallelo, ciascuno con una soglia di intervento di 0,03 A, non si sommano le soglie di intervento. Questo perché ogni interruttore differenziale monitora indipendentemente la corrente differenziale (o corrente di dispersione) nel circuito a cui è collegato.
Se si verifica una corrente di dispersione superiore a 0,03 A in uno dei circuiti monitorati, l'interruttore differenziale corrispondente scatterà, indipendentemente dall'altro. Pertanto, il valore di intervento rimane 0,03 A e non raddoppia a 0,06 A.
Inoltre, collegare due interruttori differenziali in parallelo non è una pratica comune o consigliata, poiché potrebbe causare problemi di coordinamento e affidabilità.
Se si verifica una corrente di dispersione superiore a 0,03 A in uno dei circuiti monitorati, l'interruttore differenziale corrispondente scatterà, indipendentemente dall'altro. Pertanto, il valore di intervento rimane 0,03 A e non raddoppia a 0,06 A.
Inoltre, collegare due interruttori differenziali in parallelo non è una pratica comune o consigliata, poiché potrebbe causare problemi di coordinamento e affidabilità.
-

StefanoSunda
2.880 3 6 10 - Master

- Messaggi: 1962
- Iscritto il: 16 set 2010, 19:29
0
voti
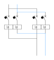
Nella pratica si possono collegare in Parallelo solo gli ingressi di 2 o più Differenziali o MagnetoTermiciDifferenziali indipendenti .
Mentre le Uscite devono essere rigorosamente isolate tra loro .
-
Non si devono " Mischiare" su un Carico Fase e Neutro
provenienti da 2 " differenti Differenziali " :
Già intorno ai 5÷6VoltAmper (i Watt dipendono dal Cosfi )
lo Sbilancio di Corrente farà intervenire uno od entrambi !
-
Buona serata !
Mentre le Uscite devono essere rigorosamente isolate tra loro .
-
Non si devono " Mischiare" su un Carico Fase e Neutro
provenienti da 2 " differenti Differenziali " :
Già intorno ai 5÷6VoltAmper (i Watt dipendono dal Cosfi )
lo Sbilancio di Corrente farà intervenire uno od entrambi !
-
Buona serata !
0
voti
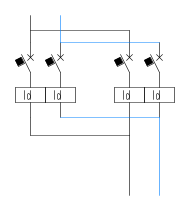
Non si mischierebbe niente, la comunque malsana idea mi par di capire che sarebbe questa
0
voti
Sarebbe interessante sapere se i due differenziali sono identici (stessa marca modello e lotto) o sono casualmente accoppiati.
I magnetotermici in parallelo sono abbastanza frequenti anche in continua.
In ambito TLC ad esempio ho visto spesso utilizzato un magnetotermico trifase con le tre fasi in parallelo per interrompere il negativo di alimentazione.
Ciao
I magnetotermici in parallelo sono abbastanza frequenti anche in continua.
In ambito TLC ad esempio ho visto spesso utilizzato un magnetotermico trifase con le tre fasi in parallelo per interrompere il negativo di alimentazione.
Ciao
600 Elettra
7 messaggi
• Pagina 1 di 1
Torna a Impianti, sicurezza e quadristica
Chi c’è in linea
Visitano il forum: Nessuno e 40 ospiti

Elettrotecnica e non solo (admin)
Un gatto tra gli elettroni (IsidoroKZ)
Esperienza e simulazioni (g.schgor)
Moleskine di un idraulico (RenzoDF)
Il Blog di ElectroYou (webmaster)
Idee microcontrollate (TardoFreak)
PICcoli grandi PICMicro (Paolino)
Il blog elettrico di carloc (carloc)
DirtEYblooog (dirtydeeds)
Di tutto... un po' (jordan20)
AK47 (lillo)
Esperienze elettroniche (marco438)
Telecomunicazioni musicali (clavicordo)
Automazione ed Elettronica (gustavo)
Direttive per la sicurezza (ErnestoCappelletti)
EYnfo dall'Alaska (mir)
Apriamo il quadro! (attilio)
H7-25 (asdf)
Passione Elettrica (massimob)
Elettroni a spasso (guidob)
Bloguerra (guerra)







