Cos'è ElectroYou | Login Iscriviti

ElectroYou - la comunità dei professionisti del mondo elettrico

Salvamotore per trifase, usato per monofase

Elettronica lineare e digitale: didattica ed applicazioni

Moderatori: Foto Utentecarloc, Foto Utenteg.schgor, Foto UtenteBrunoValente, Foto UtenteIsidoroKZ

0
voti

[1] Salvamotore per trifase, usato per monofase

Messaggioda Foto UtenteNembo » 25 apr 2025, 13:10

Ho comprato un salvamotore per trifase ABB MS116, utilizzandolo con corrente monofase. Ho chiesto a ChatGPT cosa potrebbe succedere. Risposta:

In questo caso bisogna fare attenzione: il salvamotore ABB MS116 che hai mostrato è progettato per motori trifase e non è l'ideale per un motore monofase, ma può comunque essere usato se cablato correttamente — usando solo due dei tre poli disponibili.

Collegamento per motore monofase:
Puoi usare due poli del salvamotore in questo modo:

L1 (1) → ingresso fase
L2 (3) → ingresso neutro

T1 (2) → uscita verso motore (fase)
T2 (4) → uscita verso motore (neutro)

Il terzo polo (L3/T3) rimane non utilizzato.

Attenzione:
Regola correttamente la corrente di intervento (manopola in basso, espressa in Ampere) in base all’assorbimento nominale del tuo motore.

Il motore deve avere un condensatore di avviamento o permanente, come previsto per i motori monofase.


e ancora:

Perché non è ideale usare un salvamotore trifase su un motore monofase:
Distribuzione della corrente su due poli invece che tre:

Il MS116 è progettato per suddividere il carico su tre poli. In un motore monofase, usandone solo due, quei due poli gestiscono tutta la corrente, quindi scaldano di più e possono usurarsi prima.

Anche se il dispositivo regge elettricamente, meccanicamente e termicamente non è ottimizzato per questo tipo di carico.

Taratura non perfetta:

La curva di intervento è pensata per correnti equilibrate su tre fasi. Con un motore monofase, la corrente è concentrata su due poli e può essere più pulsante o sbilanciata, quindi la protezione potrebbe non essere precisa come su un impianto trifase.

Protezione termica meno accurata:

Nei motori monofase, il surriscaldamento può avvenire anche nel condensatore o nel solo avvolgimento di avviamento. Il salvamotore trifase non lo "vede", quindi potrebbe non intervenire in tempo.

Cosa potrebbe succedere nel lungo periodo:
Nessun problema immediato, soprattutto se correttamente dimensionato.

Più usura sui contatti usati.

Possibili sganci intempestivi (se la corrente è vicina alla soglia).

Mancato intervento in caso di surriscaldamenti specifici dei motori monofase.

Quando è preferibile usare un salvamotore monofase dedicato:
Se l’impianto è definitivo e stabile.

Se hai più motori monofase e vuoi protezioni ottimizzate per ciascuno.

Se il motore è costoso o delicato.


Voi che ne pensate?
Avatar utente
Foto UtenteNembo
10 2
 
Messaggi: 19
Iscritto il: 25 feb 2025, 19:54

2
voti

[2] Re: Salvamotore per trifase, usato per monofase

Messaggioda Foto UtenteSediciAmpere » 25 apr 2025, 14:19

Se non superi la corrente nominale dei singoli poli, non vedo perché dovrebbero usurarsi prima se uno dei tre viene lasciato inutilizzato.
Casomai, con alcuni salvamotori, perché funzionino devono essere collegati due poli in serie, non può essere lasciato un polo scollegato.
Avatar utente
Foto UtenteSediciAmpere
4.187 5 5 8
Master
Master
 
Messaggi: 4847
Iscritto il: 31 ott 2013, 15:00

1
voti

[3] Re: Salvamotore per trifase, usato per monofase

Messaggioda Foto UtenteStefanoSunda » 25 apr 2025, 14:21

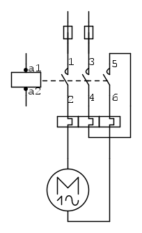
Il teleruttore lo devi collegare come questo schema.
Avatar utente
Foto UtenteStefanoSunda
2.880 3 6 10
Master
Master
 
Messaggi: 1962
Iscritto il: 16 set 2010, 19:29

1
voti

[4] Re: Salvamotore per trifase, usato per monofase

Messaggioda Foto UtenteStefanoSunda » 25 apr 2025, 14:34

Poi se c'è il termico lo devi collegare così. In questo modo lavorano tutti e tre elementi del termico.
Avatar utente
Foto UtenteStefanoSunda
2.880 3 6 10
Master
Master
 
Messaggi: 1962
Iscritto il: 16 set 2010, 19:29

0
voti

[5] Re: Salvamotore per trifase, usato per monofase

Messaggioda Foto UtenteStefanoSunda » 25 apr 2025, 14:52

Ho chiesto a ChatGPT cosa potrebbe succedere. Risposta

L’intelligenza artificiale va bene a chi sa la risposta e la vuole confrontare con la sua ritenuta sicura, perché l’IA molte volte sbaglia. Mentre se uno non sa e vuole una risposta gli resta il dubbio. sarà giusto? Come dice il nostro ISIDORO chi fa uso di simulatori e IA ne deve sapere più di entrambi.
Avatar utente
Foto UtenteStefanoSunda
2.880 3 6 10
Master
Master
 
Messaggi: 1962
Iscritto il: 16 set 2010, 19:29

0
voti

[6] Re: Salvamotore per trifase, usato per monofase

Messaggioda Foto UtenteNembo » 25 apr 2025, 15:41

Ecco, io non sono esperto di elettricità e i suoi principi. Se @StefanoSunda potesse guidarmi con i ponticelli gliene sarei grato! Nel quadro ci sono fase e neutro collegati alle morsettiere così come indicato da gpt. Come opero?
Avatar utente
Foto UtenteNembo
10 2
 
Messaggi: 19
Iscritto il: 25 feb 2025, 19:54

0
voti

[7] Re: Salvamotore per trifase, usato per monofase

Messaggioda Foto UtenteGioArca67 » 25 apr 2025, 16:34

Semplice!
Chiami un elettricista.
Avatar utente
Foto UtenteGioArca67
4.580 4 6 9
Master EY
Master EY
 
Messaggi: 4591
Iscritto il: 12 mar 2021, 9:36

0
voti

[8] Re: Salvamotore per trifase, usato per monofase

Messaggioda Foto UtenteStefanoSunda » 25 apr 2025, 19:29

Il motore quanto assorbe in ampere? Spero che sia fatto l'acquisto giusto.
Avatar utente
Foto UtenteStefanoSunda
2.880 3 6 10
Master
Master
 
Messaggi: 1962
Iscritto il: 16 set 2010, 19:29

0
voti

[9] Re: Salvamotore per trifase, usato per monofase

Messaggioda Foto UtenteNembo » 25 apr 2025, 20:16

9,2A di assorbimento. Un elettroidraulico mi ha detto di comprare un salvamotore 10/16 e di regolarlo a 10A
Ultima modifica di Foto UtenteNembo il 25 apr 2025, 20:18, modificato 1 volta in totale.
Avatar utente
Foto UtenteNembo
10 2
 
Messaggi: 19
Iscritto il: 25 feb 2025, 19:54

0
voti

[10] Re: Salvamotore per trifase, usato per monofase

Messaggioda Foto UtenteGoofy » 25 apr 2025, 20:17

Nembo ha scritto:
Voi che ne pensate?


ChatGPT sembra un ottimo generatore automatico di supercazzole.
Avatar utente
Foto UtenteGoofy
14,7k 4 5 9
Master EY
Master EY
 
Messaggi: 5916
Iscritto il: 10 dic 2014, 20:16

Prossimo

Torna a Elettronica generale

Chi c’è in linea

Visitano il forum: Nessuno e 170 ospiti