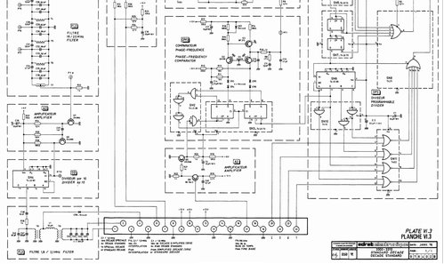
BrunoValente ha scritto:A me invece pare che l'impulso di reset si allarga proporzionalmente al ritardo di propagazione dei NOT o sbaglio?
Sì, hai ragione, c'è un loop, scusa.
Boiler
Moderatori:
carloc,
g.schgor,
BrunoValente,
IsidoroKZ
BrunoValente ha scritto:A me invece pare che l'impulso di reset si allarga proporzionalmente al ritardo di propagazione dei NOT o sbaglio?




BrunoValente ha scritto:e in questo schema salta fuori un'altra stranezza: il modo in cui hanno collegato l'ingresso J dei due ff dell'SN 7473 che a me pare non possa funzionare

IsidoroKZ ha scritto:Queste alcune foto dal grande nord, fatte il 21 giugno (una volta iniziava l'estate)


ma toccava rieditare il tutto a mano.) [code=php]per il codice a colori[/code]IsidoroKZ ha scritto:...Ho mostrato lo schema iniziale, e senza esitazione hanno risposto "ritardo" per evitare qualche glitch o qualche corsa critica. Uno mi ha detto che quella tecnica era stata la sua tesi di dottorato!
Grazie 

Visitano il forum: Nessuno e 191 ospiti