intanto grazie
Allora, provo a rispondere qualcosa in riferimento ai miei post cercando di snellire il più possibile:
- Cominciamo col primo mea culpa sulla cretinata sull'utilizzo dei trasformatori audio a lamierini nello svilupparsi del post, facendo riferimento all'utilizzo di tali trasformatori, che a pienissama ragione, non sono adatti per l'alta frequenza, daltronde parlavo dall'inizio del post di nuclei EE / ETD in ferrite per questo eventuale progetto, se mai si riuscirà a concludere questo schema senza abusare della pazienza di nessuno... quindi la prima fustigata me la auto infliggo
( da qui però è partorita l'idea di fare qualcosa in seguito con questi trasformatori in lamierini anche perché hanno tensioni 24-0-24 e 50-50 e 70-0-70 volt, il che potrebbe essere interessante per fare qualcosa a 50 Hz a 24 - 48 Vcc, adattandoli in tensione comunque per far alimentare il 3525 in modo corretto... e senza buffer... si vedrà )
- Per quanto riguarda i tre concetti della regolazione del flusso, regolazione tensione e regolazione corrente volevo chiarire che non sono assolutamente stati abbandonati, anzi, siccome penso che siano fondamentali, vorrei prima vedere se questi primi blocchi di schema sono ok e poi ponderare bene insieme a voi come inserire anche questi altri blocchi, ripeto, per ora soltanto messi da parte momentaneamente.
Mi sembra però di capire da questo tuo ultimo intervento, che per via del duty cycle fisso al massimo non dovrebbe esserci soluzione apparente se non un cambio di qualche ramo di schema ( ovviamente aperto a ogni tipo di modifica ).
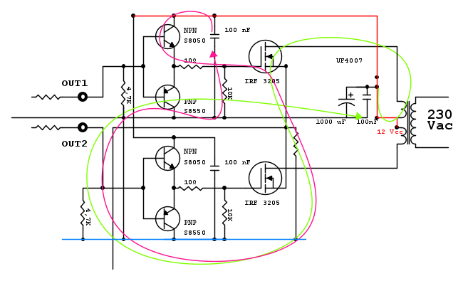
- Giusta osservazione, la corrente di gate limitata a 500 mA von 10 Ohm ma penso si possa alzare diminuendo semplicemente la resistenza a 4,7 Ohm, così da portarla ad 1A se sufficiente, oppure a 3,3Ohm... altrimenti tanto varrebbe lasciare pilotare i mosfet dalle uscite circa 500 mA del 3525...
- il calcolo che mi sono fatto per dedurre che potesse essere necessario il buffer è che ho considerato la Qg dei 3205 a 146 nC ( per 2 mosfet, 292 nC ), la frequenza a 100 kHz, una tensione di uscita sg3525 di 10 V e un tempo "ideale" per l'accensione del mosfet di circa 100 ns per ridurre il tempo in zone lineare e dissipare meno calore. Così facendo mi vengono quasi 3 A di picco assorbiti ( 93,3 ns ), ecco perché ho pensato che ci volesse un buffer per fornire più corrente.
Ig = Qg / Trise, che sarebbe 292/100 = 2,92 A ( si parla di picchi )
Ho sorvolato sul discorso dei driver TC4420 al posto dei BJT oltre che per un discorso di disponibilità personale, anche per un discorso di scelta e qualità del componente... comprare almeno 5 tc4420 (1,7 euro cad ) su un sito affidabile mi sarebbe costato 20 euro di spedizione più il costo dei componenti ( attenzione, non che non li voglia acquistare se necessario ma siccome ho visto in giro realizzazioni che utilizzano i BJT, seppur con un risultato evidentemente qualitativamente inferiore, ho pensato che fosse possibile percorrere questa strada. Tutto questo mi ha fatto propendere per un stadio a BJT, consapevole che non c'è paragone con dei driver specifici per lo scopo. Sto venendo ora a conoscenza di molteplici criticità del buffer BJT grazie ai vostri interventi.
Con i conti fatti sopra, ho pensato che a malapena ce la facesse a pilotare un mosfet 3205 a 20-30 kHz, figuriamoci due in pushpull a 100KHz...
Per questi motivi e secondo questi calcoli che ho fatto, probabilmente impropri, ho pensato che SG3525 andasse in sofferenza.
L'integrato da datasheet dichiara fino a 1000mW di dissipazione ma è praticamente arrivato allo shut down termico... considerando 300-400 mW realistici ( dove già comincia a sentirsi bene la temperatura su un piccolo case 16 pin ).
Ho usato formula P = Qg x Vg x N...
P =146 x 10e9 x 12 x 100.000 x 2 , quindi, P = 3504 x 10e6 x f = 0,3504 W ( quindi ho pensato a un "limite" realistico ).
- Riguardo Rsense, si mi viene un bel resistore in cemento o comunque corazzato per far passare 30A a regime... poi se implica induttanze parassite, peggio mi sento... meglio toglierla e ragionare in altro modo
- I condensatori sui mosfet sto notando che li ho collegati tra Vcc e Source, anzichè tra Vcc e drain... mi sembra errato come sono collegati ora che li riguardo, eventualmente in parallelo metto anche un 100nF ceramico, meglio avvicinarli il più possibile ai mosfet?. ( la R sense la tolgo, quindi lo collego a gnd il condensatore sul trasformatore (?).
In realtà la capacità del condensatore finale l'avevo considerata solo per un discorso di filtraggio ripple che però dovrebbe/potrebbe funzionare bene per le basse frequenza, le altre dovrebbe pensarci l'altro condensatore 100 nF.
Detto ciò,
mi rammarica molto che per mia colpa si ingenerino delle tensioni ( spero a basso tensione... ) tra i partecipanti alla discussione. Io a parer mio, ho solo da imparare e prendo quello che viene da persone con esperienza di gran lunga più elevata della mia. Penso che sia giusto dare stimoli agli utenti come fa
Detto ciò..... ringrazio
Ragazzi scherzo, cerco mandarla in caciara ( diciamo a Roma ) perché non mi piace che si creino fazioni, per me ognuno ha le proprie ragioni, credetemi se vi dico che ognuno di voi, secondo me, non sbaglia il proprio modo di vivere il forum, avete tutti delle ragioni ben salde. A volte i toni di

Elettrotecnica e non solo (admin)
Un gatto tra gli elettroni (IsidoroKZ)
Esperienza e simulazioni (g.schgor)
Moleskine di un idraulico (RenzoDF)
Il Blog di ElectroYou (webmaster)
Idee microcontrollate (TardoFreak)
PICcoli grandi PICMicro (Paolino)
Il blog elettrico di carloc (carloc)
DirtEYblooog (dirtydeeds)
Di tutto... un po' (jordan20)
AK47 (lillo)
Esperienze elettroniche (marco438)
Telecomunicazioni musicali (clavicordo)
Automazione ed Elettronica (gustavo)
Direttive per la sicurezza (ErnestoCappelletti)
EYnfo dall'Alaska (mir)
Apriamo il quadro! (attilio)
H7-25 (asdf)
Passione Elettrica (massimob)
Elettroni a spasso (guidob)
Bloguerra (guerra)


(





