Ciao a tutti
devo acquistare un amplificatore per strumentazione per amplificare un segnale proveniente da un ponte di wheatstone... mi aiutate a sceglierlo? guardando sui vari siti dei venditori ne esistono a milioni e non capisco la differenza...
devo amplificare un segnale di 8 mV di un fattore 100
la banda passante non è un problema
vorrei, se ne esistono, utilizzare la sola porta USB per l'alimentazione (0-5V)
che dite?
grazie mille!
scelta amplificatore da strumentazione
Moderatori:
carloc,
g.schgor,
BrunoValente,
IsidoroKZ
12 messaggi
• Pagina 1 di 2 • 1, 2
0
voti
Non ho capito se ti serve un apparecchio finito o un componente cioè un circuito integrato.
In questo ultimo caso io utilizzo l' AD623 della Analog Device.
Alimentazione anche singola a 5V, guadagno fino a 1000 programmabile con una sola resistenza.
Ideale per ponti e celle di carico. Costa poco e c'è anche sui cataloghi.
In questo ultimo caso io utilizzo l' AD623 della Analog Device.
Alimentazione anche singola a 5V, guadagno fino a 1000 programmabile con una sola resistenza.
Ideale per ponti e celle di carico. Costa poco e c'è anche sui cataloghi.
0
voti
si si un integrato
quello che mi hai indicato mi pare perfetto
in riferimento allo schema qui:
http://docs-europe.electrocomponents.co ... 77ffe7.pdf
se uso un'alimentazione singola cosa defo fare, collego i 5V a +Vs e lo zero a -Vs?
quello che mi hai indicato mi pare perfetto
in riferimento allo schema qui:
http://docs-europe.electrocomponents.co ... 77ffe7.pdf
se uso un'alimentazione singola cosa defo fare, collego i 5V a +Vs e lo zero a -Vs?
-

PaoloMazzoleni
0 2 - Messaggi: 17
- Iscritto il: 10 set 2009, 12:51
0
voti
Esatto.
Tieni comunque conto di alcuni limiti dati da relazioni tra la tensione di modo comune, la tensione di alimentazione e il guadagno. Quindi il guadagno non può superare certi vincoli. Il tutto è spiegato a pagina 15.
In genere io lo alimento con la stessa +10V di alimentazione del ponte (cella di carico) ma la +5V va bene lo stesso.
Tieni comunque conto di alcuni limiti dati da relazioni tra la tensione di modo comune, la tensione di alimentazione e il guadagno. Quindi il guadagno non può superare certi vincoli. Il tutto è spiegato a pagina 15.
In genere io lo alimento con la stessa +10V di alimentazione del ponte (cella di carico) ma la +5V va bene lo stesso.
0
voti
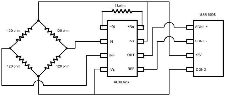
per acquire volevo usare una scheda national USB 6008
(http://sine.ni.com/nips/cds/view/p/lang/en/nid/201986)
sono giusti i collegamenti in allegato? bastano questi o devo fare altro?
(http://sine.ni.com/nips/cds/view/p/lang/en/nid/201986)
sono giusti i collegamenti in allegato? bastano questi o devo fare altro?
-

PaoloMazzoleni
0 2 - Messaggi: 17
- Iscritto il: 10 set 2009, 12:51
0
voti
Non mi sembra vada bene. Il terminale REF va collegato o a 0 V o a una tensione fissa. Nel tuo caso, però, non lo puoi collegare a 0 V perché quando il ponte è vicino all'equilibrio l'amplificatore potrebbe saturare verso il basso, quindi dovresti collegarlo a una tensione fissa che sposti un po' in su l'uscita.
Se vuoi maggiori dettagli, schemi in FidocadJ!
PS: l'ADXL623 non esiste, ti riferisci all'AD623?
Se vuoi maggiori dettagli, schemi in FidocadJ!
PS: l'ADXL623 non esiste, ti riferisci all'AD623?
It's a sin to write
instead of
(Anonimo).
...'cos you know that
ain't
, right?
You won't get a sexy tan if you write
in lieu of
.
Take a log for a fireplace, but don't take
for
arithm.
instead of
(Anonimo)....'cos you know that
ain't
, right?You won't get a sexy tan if you write
in lieu of
.Take a log for a fireplace, but don't take
for
arithm.-

DirtyDeeds
55,9k 7 11 13 - G.Master EY

- Messaggi: 7012
- Iscritto il: 13 apr 2010, 16:13
- Località: Somewhere in nowhere
0
voti
La scheda ha delle uscite analogiche, le posso usare per generare un segnale a tensione costante, potrebbe andare? tipo se ne metto una a 1 V può essere ok?
si mi riferivo all'AD623, non so da dove mi è uscito l'xl!
si mi riferivo all'AD623, non so da dove mi è uscito l'xl!
-

PaoloMazzoleni
0 2 - Messaggi: 17
- Iscritto il: 10 set 2009, 12:51
0
voti
Non mi entusiasma molto come soluzione, la scheda ha una resistenza di uscita di 50 ohm e potrebbe rovinare un po' il CMRR.
Altra soluzione: a partire dai 5 V, generi una tensione di riferimento per mezzo di un riferimento integrato (p.es. LM336-2.5) e la mandi all'ingresso REF.
In ogni caso, ricordati che devi usare la scheda in modalità differenziale con l'ingresso (+) collegato all'uscita dell'AD623 e l'ingresso (-) connesso al REF.
Altra soluzione: a partire dai 5 V, generi una tensione di riferimento per mezzo di un riferimento integrato (p.es. LM336-2.5) e la mandi all'ingresso REF.
In ogni caso, ricordati che devi usare la scheda in modalità differenziale con l'ingresso (+) collegato all'uscita dell'AD623 e l'ingresso (-) connesso al REF.
It's a sin to write
instead of
(Anonimo).
...'cos you know that
ain't
, right?
You won't get a sexy tan if you write
in lieu of
.
Take a log for a fireplace, but don't take
for
arithm.
instead of
(Anonimo)....'cos you know that
ain't
, right?You won't get a sexy tan if you write
in lieu of
.Take a log for a fireplace, but don't take
for
arithm.-

DirtyDeeds
55,9k 7 11 13 - G.Master EY

- Messaggi: 7012
- Iscritto il: 13 apr 2010, 16:13
- Località: Somewhere in nowhere
12 messaggi
• Pagina 1 di 2 • 1, 2
Chi c’è in linea
Visitano il forum: Nessuno e 71 ospiti

Elettrotecnica e non solo (admin)
Un gatto tra gli elettroni (IsidoroKZ)
Esperienza e simulazioni (g.schgor)
Moleskine di un idraulico (RenzoDF)
Il Blog di ElectroYou (webmaster)
Idee microcontrollate (TardoFreak)
PICcoli grandi PICMicro (Paolino)
Il blog elettrico di carloc (carloc)
DirtEYblooog (dirtydeeds)
Di tutto... un po' (jordan20)
AK47 (lillo)
Esperienze elettroniche (marco438)
Telecomunicazioni musicali (clavicordo)
Automazione ed Elettronica (gustavo)
Direttive per la sicurezza (ErnestoCappelletti)
EYnfo dall'Alaska (mir)
Apriamo il quadro! (attilio)
H7-25 (asdf)
Passione Elettrica (massimob)
Elettroni a spasso (guidob)
Bloguerra (guerra)
