Salve a tutti
avrei bisogno di una mano con questo esercizio:
http://img717.imageshack.us/img717/3194/appuntiwindows1.jpg
ho svolto i calcoli necessari e mi sono trovato (quasi) tutti i valori richiesti dalla traccia..
mi trovo un po' in difficoltà col calcolo delle correnti che circolano nelle impedenze Zt..
non posso sfuttare direttamente il valore della (tensione concatenata) = (radice di tre)*(tensione di fase) giusto??
in quanto la tensione di fase cosiderata tra l'impedenza Zl2 e il carico Zt avrà subito qualche diminuizione dovuta alle impedenze Zl1 e Zc..
quindi avevo pensato di sfuttare la legge di kirchhoff alle tensioni...ma non sono sicuro della maglia al quale applicarla..
gentilmente mi potete dare qualche dritta??
Trifase - Calcolo correnti su carico a triangolo
Moderatori:
g.schgor,
IsidoroKZ
17 messaggi
• Pagina 1 di 2 • 1, 2
1
voti
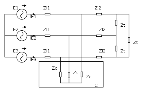
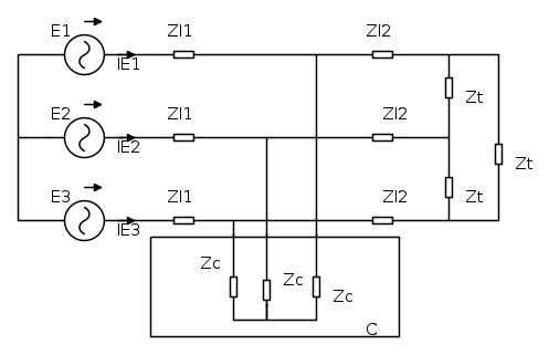
Ho riportato lo schema in fidocadj così è più chiaro:
Riporto anche i dati:





Per quanto riguarda C:



Riporto anche i dati:





Per quanto riguarda C:



0
voti
Per risolvere conviene, dopo una trasformazione triangolo stella (Zt/3), usare il circuito equivalente monofase. Calcolate le correnti nella stella It1 It2 e It3, sara' poi immediato calcolare anche quelle nelle impedenze Zt del triangolo attraverso una semplice KCL.
"Il circuito ha sempre ragione" (Luigi Malesani)
0
voti
@asdf
In effetti non era affatto comodo visualizzare la traccia su un'altra pagina..io avevo provato a linkare direttamente l'immagine nel messaggio..ma veniva tagliata..quindi ho optato per un link esterno..
Grazie per averci pensato!
@RenzoDF
Fino alla risoluzione del monofase equivalente ci sono..ho trovato
e di conseguenza anche le altre 2..poiché sfasate rispetto alla prima di
..
Ciò che mi sfugge è proprio l'ultimo passaggio di cui parli..
Cosa dovrei fare una volta che ho tutte e tre le correnti che scorrerebbero nel caso in cui il carico fosse a stella e non a triangolo??
In effetti non era affatto comodo visualizzare la traccia su un'altra pagina..io avevo provato a linkare direttamente l'immagine nel messaggio..ma veniva tagliata..quindi ho optato per un link esterno..
Grazie per averci pensato!
@RenzoDF
Fino alla risoluzione del monofase equivalente ci sono..ho trovato
e di conseguenza anche le altre 2..poiché sfasate rispetto alla prima di
..Ciò che mi sfugge è proprio l'ultimo passaggio di cui parli..
Cosa dovrei fare una volta che ho tutte e tre le correnti che scorrerebbero nel caso in cui il carico fosse a stella e non a triangolo??
-

captainpuppet
0 3 - Messaggi: 35
- Iscritto il: 20 lug 2011, 11:59
0
voti
captainpuppet ha scritto:Cosa dovrei fare una volta che ho tutte e tre le correnti che scorrerebbero nel caso in cui il carico fosse a stella e non a triangolo??
Intendevo dire che, essendo il carico equilibrato, le tre correnti di fase del triangolo saranno tutte uguali in modulo e sfasate di 120° fra loro ed il loro fasore sara' determinabile ricordando il vincolo delle tre KCL ai tre nodi

...
che porta al seguente diagramma fasoriale
In sostanza se per esempio abbiamo il fasore i1, il fasore della i12 sara'
volte inferiore in modulo e 30° in anticipo rispetto alla i1 e cosi' anche per la i23 rispetto alla i2 e per la i31 rispetto alla i3."Il circuito ha sempre ragione" (Luigi Malesani)
0
voti
@
captainpuppet
Per riportare i nickname usa il tag user così
Quindi
RenzoDF
asdf
...
Per riportare i nickname usa il tag user così
- Codice: Seleziona tutto
[user]Nickname[/user]
Quindi
...
0
voti
captainpuppet ha scritto:Come dovrei scrivere?? E' giusta tale formula?? -->
sono 60° comunque se
e' l'argomento del fasore It1 e se It1 rappresenta il valore efficace, ... corretto l'angolo in
, Si.BTW come sei abituato ad indicare il fasore della E1 ? ... sull'asse reale suppongo.
"Il circuito ha sempre ragione" (Luigi Malesani)
0
voti
Si hai ragione...ho corretto...
Si..il primo versore lo pongo sull'asse reale...come mai me lo chiedi?
Si..il primo versore lo pongo sull'asse reale...come mai me lo chiedi?
-

captainpuppet
0 3 - Messaggi: 35
- Iscritto il: 20 lug 2011, 11:59
0
voti
captainpuppet ha scritto:Si hai ragione...ho corretto...
Si..il primo versore lo pongo sull'asse reale...come mai me lo chiedi?
Perche' noi "preistorici" lo ponevamo sull'asse immaginario, come sarebbe piu' corretto fare per una base "sinusoidale".
Il porlo sull'asse reale deriva dall'arrivo dei metodi "americani" cosinusoidali, che poi e' stato erroneamente esteso anche per la base sinusoidale.
BTW ... noi pero' auspichiamo anche una soluzione numerica al tuo problema, che ne pensi?
"Il circuito ha sempre ragione" (Luigi Malesani)
17 messaggi
• Pagina 1 di 2 • 1, 2
Torna a Elettrotecnica generale
Chi c’è in linea
Visitano il forum: Nessuno e 54 ospiti

Elettrotecnica e non solo (admin)
Un gatto tra gli elettroni (IsidoroKZ)
Esperienza e simulazioni (g.schgor)
Moleskine di un idraulico (RenzoDF)
Il Blog di ElectroYou (webmaster)
Idee microcontrollate (TardoFreak)
PICcoli grandi PICMicro (Paolino)
Il blog elettrico di carloc (carloc)
DirtEYblooog (dirtydeeds)
Di tutto... un po' (jordan20)
AK47 (lillo)
Esperienze elettroniche (marco438)
Telecomunicazioni musicali (clavicordo)
Automazione ed Elettronica (gustavo)
Direttive per la sicurezza (ErnestoCappelletti)
EYnfo dall'Alaska (mir)
Apriamo il quadro! (attilio)
H7-25 (asdf)
Passione Elettrica (massimob)
Elettroni a spasso (guidob)
Bloguerra (guerra)








![\[i_{12}(t)=\sqrt{2}\cdot \frac{I_{t_{1}}}{\sqrt{3}}\cdot \sin \left ( \omega t+\varphi_{0} +\frac{\pi }{6} \right )\] \[i_{12}(t)=\sqrt{2}\cdot \frac{I_{t_{1}}}{\sqrt{3}}\cdot \sin \left ( \omega t+\varphi_{0} +\frac{\pi }{6} \right )\]](/forum/latexrender/pictures/7304995b7a7cfb47749e39843729eda9.png)
![\[i_{12}(t)=\sqrt{2}\cdot \frac{I_{t_{1}}}{\sqrt{3}}\cdot \sin \left ( \omega t+\varphi_{0} +\frac{\pi }{3} \right )\] \[i_{12}(t)=\sqrt{2}\cdot \frac{I_{t_{1}}}{\sqrt{3}}\cdot \sin \left ( \omega t+\varphi_{0} +\frac{\pi }{3} \right )\]](/forum/latexrender/pictures/8c11fa142978ca65652e7a99f526a9de.png)