
Circuito per disaccoppiare tensioni e prolungare input
Moderatori:
carloc,
g.schgor,
BrunoValente,
IsidoroKZ
0
voti
[1] Circuito per disaccoppiare tensioni e prolungare input
Ciao a tutti. Avrei bisogno di una vostra mano per realizzare un piccolo circuito. In pratica dovrei azionare 3 coppie (positivo-negativo) di pin con tensione 6v. I pin provengono da una porta seriale. Il mio scopo (l'aiuto che chiedo) è fare un circuito con 3 input che non contengano nessuna tensione e/o altro che ogni qualvolta ritorni il segnale, interrompendo il fascio della fotocellula (utilizzerò 3 fotocellule separate che faranno i 3 input) anche per solo 1ms, mi attivi (unisca) per almeno mezzo secondo una coppia (positivo-negativo) di pin della porta seriale. Il tutto deve in pratica essere disaccoppiato dalla porta seriale (la tensione). In più mi sarebbe utile anche far azionare altri due pin (che non andranno nella porta seriale ma in un altro strumento) quando una delle prime due fotocellule vengono chiuse (non in contemporanea quindi). Questi due pin devono anch'essi essere disaccoppiati dalla porta seriale. Il circuito può funzionare con un tensione che però non superi i 12v (anche utilizzando un regolatore di tensione L7806 per l'interno). Io non sono molto bravo in elettronica e fin ora ho fatto solo qualche piccolo circuitino ma niente di che. Avevo pensato inizialmente ad usare 3 mini relè con 3 transistor per azionarli ma non saprei ne come prolungare il segnale, ne come disaccoppiare gli stessi. Se mi potreste dare una mano sarebbe magnifico. Vi ringrazio in anticipo. Ciao a tutti 

-
g.schgor
57,8k 9 12 13 - G.Master EY

- Messaggi: 16971
- Iscritto il: 25 ott 2005, 9:58
- Località: MILANO
- Contatta:
0
voti
[2] Re: Circuito per disaccoppiare tensioni e prolungare input
La descrizione non è molto chiara: devi collegare
dei segnali in tensione a certi ingressi solo
quando vengono attivate delle fotocellule?
Se è così la soluzione con relè (ad es. come
questi) garantirebbe il completo
disaccoppiamento dei segnali dai comandi.
Se sei d'accordo, proviamo a fare assieme
uno schema (in FidoCad).
dei segnali in tensione a certi ingressi solo
quando vengono attivate delle fotocellule?
Se è così la soluzione con relè (ad es. come
questi) garantirebbe il completo
disaccoppiamento dei segnali dai comandi.
Se sei d'accordo, proviamo a fare assieme
uno schema (in FidoCad).
0
voti
[3] Re: Circuito per disaccoppiare tensioni e prolungare input
Si. Diciamo che devo attivare il relè quando passo davanti la fotocellula. Il segnale anche minimo della fotocellula (1ms) deve essere leggermente prolungato (x altri 0,2sec circa). Il segnale che va alle fotocellule deve essere pulito e possibilmente esente da disturbi ambientali. Infine per due fotocellule (sono 3 in tutto) bisognerebbe attivare un relè a parte x attivare un'altra uscita. Detto questo io non si usare fidicad e uso Mac (esiste il progr x Mac?). Se mi potresti dare qualche indicazione x lo schema sarebbe magnifico. Grazie x la risposta.
-
giorgio25760
2.310 1 3 5 - G.Master EY

- Messaggi: 1700
- Iscritto il: 6 dic 2009, 16:02
- Località: Brescia
0
voti
[4] Re: Circuito per disaccoppiare tensioni e prolungare input
pupazzooo ha scritto:Il segnale anche minimo della fotocellula (1ms) deve essere leggermente prolungato (x altri 0,2sec circa)
Non è un problema, è sufficiente usare un NE555 in configurazione monostabile
pupazzooo ha scritto: Il segnale che va alle fotocellule deve essere pulito e possibilmente esente da disturbi ambientali.
Il monostabile farà anche questo
pupazzooo ha scritto:per due fotocellule (sono 3 in tutto) bisognerebbe attivare un relè a parte
Basta che prendi le due uscite e fai un OR con due diodi (1N4148)
Non mi è chiaro cosa vuoi fare con la RS232.
Se ti spieghi meglio...
Ciao
Giorgio
0
voti
[5] Re: Circuito per disaccoppiare tensioni e prolungare input
Cos'è un OR ? Ok x il ne555 ma dovreste farmi un esempietto di circuito se nonno. Saprei da dove iniziare. Io di elettronica so proprio la base. Con la seriale uso il pin holding x attivare delle funzionalità di un software. In pratica le tre uscite Saranno collegTe rispettivamente ai pin: 4-1 / 4-6 / 7-8. I pin 4 e 7 saranno "i positivi" e i pin 1-6-8 saranno "i negativi". Comunque utilizzando i relè non fa differenza. Basta che siano abbastanza veloci (Max 5ms x lo scatto). Grazie ancora x le risposte. Ciao
-
g.schgor
57,8k 9 12 13 - G.Master EY

- Messaggi: 16971
- Iscritto il: 25 ott 2005, 9:58
- Località: MILANO
- Contatta:
0
voti
[6] Re: Circuito per disaccoppiare tensioni e prolungare input
Suggerirei di iniziare allora dal monostabile che pilota il relè:
Al posto del pulsante di trigger va il comando della fotocelluita
e i valori di R e C devono essre fissati in base al tempo voluto
di attrazione del relè (per il calcolo vedi).
Al posto del pulsante di trigger va il comando della fotocelluita
e i valori di R e C devono essre fissati in base al tempo voluto
di attrazione del relè (per il calcolo vedi).
0
voti
[7] Re: Circuito per disaccoppiare tensioni e prolungare input
Lo schema postato dovrà essere triplicato per i tre relè giusto ? Il relè dovrà essere di 5v o 12v ?
Il prolungamento del segnale dovrà essere oltre l'input ovviamente. Spiego meglio:
Se l'input dura 1sec si prolunga il segnale per altri 0,2 secondi
Se l'input dura 1ms si prolunga il segnale per altri 0,2 secondi
In pratica indipendentemente dalla durata dell'input si prolunga il segnale per altri 0,2 secondi. Lo schema in questione lavora con questa logica o no ? (dato che non conosco il ne555).
Per prolungare il segnale di 0,2 secondi, dal calcolo potrei usare 1kohm per la resistenza e 200uf per il condensatore. O conviene usare resistenza più piccola (o grande) e condensatore più grande (o piccolo) ?
Infine per usare il 4 relè che scatta quando ricevo un input da 1 delle 2 fotocellule devo utilizzare qualche altro accorgimento oppure mi basta collegarlo al pin 3 e 5 (dopo il condensatore) dei 2 ne555 ?
Vi ringrazio per l'aiuto che mi state dando e sopratutto per la celerità delle risposte. Ciao e scusate se magari faccio qualche domanda un po' banale
Il prolungamento del segnale dovrà essere oltre l'input ovviamente. Spiego meglio:
Se l'input dura 1sec si prolunga il segnale per altri 0,2 secondi
Se l'input dura 1ms si prolunga il segnale per altri 0,2 secondi
In pratica indipendentemente dalla durata dell'input si prolunga il segnale per altri 0,2 secondi. Lo schema in questione lavora con questa logica o no ? (dato che non conosco il ne555).
Per prolungare il segnale di 0,2 secondi, dal calcolo potrei usare 1kohm per la resistenza e 200uf per il condensatore. O conviene usare resistenza più piccola (o grande) e condensatore più grande (o piccolo) ?
Infine per usare il 4 relè che scatta quando ricevo un input da 1 delle 2 fotocellule devo utilizzare qualche altro accorgimento oppure mi basta collegarlo al pin 3 e 5 (dopo il condensatore) dei 2 ne555 ?
Vi ringrazio per l'aiuto che mi state dando e sopratutto per la celerità delle risposte. Ciao e scusate se magari faccio qualche domanda un po' banale

-
g.schgor
57,8k 9 12 13 - G.Master EY

- Messaggi: 16971
- Iscritto il: 25 ott 2005, 9:58
- Località: MILANO
- Contatta:
0
voti
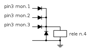
[8] Re: Circuito per disaccoppiare tensioni e prolungare input
Nello schema il +12V è indicativo della tensione positiva.
Ovviamente può essere cambiato, secondo la disponibilità,
ed ovviamente il relè dovrà essere per la stessa tensione.
Circa la durata dell'impulso di trigger deve essere più breve del
tempo del monostabile (altrimenti occorre interporre un condensatore).
Per il dimensionamento di R e C meglio non abbondare in capacità
(meglio ad es. 20uF e 10K).
I relè vanno collegati fra pin 3 e GND.
Se vuoi metterne uno che si attiva quando si attiva uno degli altri 3
devi interporre dei diodi di disaccoppiamento (realizzare cioè un OR)
in questo modo:
Ovviamente può essere cambiato, secondo la disponibilità,
ed ovviamente il relè dovrà essere per la stessa tensione.
Circa la durata dell'impulso di trigger deve essere più breve del
tempo del monostabile (altrimenti occorre interporre un condensatore).
Per il dimensionamento di R e C meglio non abbondare in capacità
(meglio ad es. 20uF e 10K).
pupazzooo ha scritto:mi basta collegarlo al pin 3 e 5 (dopo il condensatore) dei 2 ne555 ?
I relè vanno collegati fra pin 3 e GND.
Se vuoi metterne uno che si attiva quando si attiva uno degli altri 3
devi interporre dei diodi di disaccoppiamento (realizzare cioè un OR)
in questo modo:
-
DarwinNE
31,0k 7 11 13 - G.Master EY

- Messaggi: 4422
- Iscritto il: 18 apr 2010, 9:32
- Località: Grenoble - France
- Contatta:
0
voti
[9] Re: Circuito per disaccoppiare tensioni e prolungare input
pupazzooo ha scritto:Detto questo io non si usare fidicad e uso Mac (esiste il progr x Mac?).
Non sono sicuro di aver capito quanto vuoi dire, ma se interpreto correttamente, stai cercando un programma compatibile con FidoCad per Macintosh. La risposta è affermativa, basta utilizzare FidoCadJ, che è tra l'altro il programma utilizzato dal motore del forum per il rendering dei disegni:
http://www.electroyou.it/darwinne/wiki/fidocadj
Per scaricare il programma, puoi andare qui:
http://davbucci.chez-alice.fr/index.php ... e=Italiano
Cerca la versione per Macintosh, che è contenuta in un'immagine disco dmg e che si installa e si usa come un qualunque programma nativo, a patto di avere Java disponibile.
Follow me on Mastodon: @davbucci@mastodon.sdf.org
0
voti
[10] Re: Circuito per disaccoppiare tensioni e prolungare input
g.schgor ha scritto:Circa la durata dell'impulso di trigger deve essere più breve del
tempo del monostabile (altrimenti occorre interporre un condensatore).
Credo di aver capito più o meno tutto (più tardi provo a fare uno schemino (a mano
)che riassume tutto il mio circuito) tranne la citazione di sopra. Io non so a priori quanto dura l'impulso. Può durare 1ms, 10ms, 1sec, 10sec. E devo fare in modo che quel periodo venga allungato di altri 2 decimi di secondo (è una sicurezza nel caso in cui l'impulso duri meno dei 2 decimi). Cosa dovrei modificare per fare ciò ? O diciamo la stessa cosa però con parole diverse ? Ti ringrazio di nuovo per la risposta. Ciao 

Elettrotecnica e non solo (admin)
Un gatto tra gli elettroni (IsidoroKZ)
Esperienza e simulazioni (g.schgor)
Moleskine di un idraulico (RenzoDF)
Il Blog di ElectroYou (webmaster)
Idee microcontrollate (TardoFreak)
PICcoli grandi PICMicro (Paolino)
Il blog elettrico di carloc (carloc)
DirtEYblooog (dirtydeeds)
Di tutto... un po' (jordan20)
AK47 (lillo)
Esperienze elettroniche (marco438)
Telecomunicazioni musicali (clavicordo)
Automazione ed Elettronica (gustavo)
Direttive per la sicurezza (ErnestoCappelletti)
EYnfo dall'Alaska (mir)
Apriamo il quadro! (attilio)
H7-25 (asdf)
Passione Elettrica (massimob)
Elettroni a spasso (guidob)
Bloguerra (guerra)




