vorrei costruire un impianto led con una batteria da 12 volt alla quale collegare 100 led rossi
il tensione dei led rossi è da 1.8 a 2.2 e la corrente nominale è di 20 mA
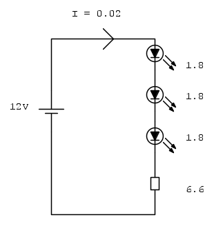
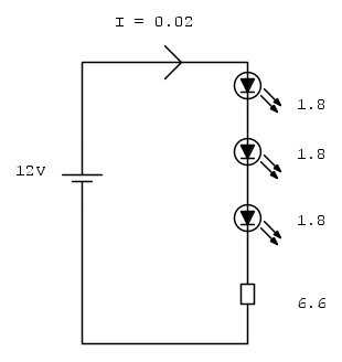
ho già provato a fare il calcolo delle resistenze 12-1.8x3/0.02= 330 omh quindi per realizzare l'impianto mi servirebbero 33 resistenze tutte uguali per collegare i led in serie da 3....
più o meno in questo modo :

saluti,
Francesco.

Elettrotecnica e non solo (admin)
Un gatto tra gli elettroni (IsidoroKZ)
Esperienza e simulazioni (g.schgor)
Moleskine di un idraulico (RenzoDF)
Il Blog di ElectroYou (webmaster)
Idee microcontrollate (TardoFreak)
PICcoli grandi PICMicro (Paolino)
Il blog elettrico di carloc (carloc)
DirtEYblooog (dirtydeeds)
Di tutto... un po' (jordan20)
AK47 (lillo)
Esperienze elettroniche (marco438)
Telecomunicazioni musicali (clavicordo)
Automazione ed Elettronica (gustavo)
Direttive per la sicurezza (ErnestoCappelletti)
EYnfo dall'Alaska (mir)
Apriamo il quadro! (attilio)
H7-25 (asdf)
Passione Elettrica (massimob)
Elettroni a spasso (guidob)
Bloguerra (guerra)







