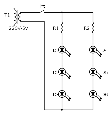
Salve mi trovo di fronte alla realizzazione del seguente circuito ma sin dall'inizio trovo problemi.
Dato che l'alimentatore che uso ha un'uscita di 5V con un massimo di 890mA e i LED in questione hanno una Vs= 3.5V con una corrente massima di 30mA dovrei aumentare la tensione di uscita del trasformatore fino ad arrivare almeno a 11V in modo da poter alimentare i 6 LED con due resistenze, una per ogni 3 LED. Come si può aumentare questa tensione? Purtroppo non posso usare batterie...
Alimentare 6 LED alta luminosità
Moderatori:
carloc,
g.schgor,
BrunoValente,
IsidoroKZ
0
voti
cinque ha scritto:Scusa ma non puoi fare 6 rami R+LED in parallelo?
Purtroppo non ho tutto questo spazio, perciò ho chiesto se è possibile fare come dico io...3 led devono andare in una bottiglia di vetro trasparente e altri 3 in un'altra...in modo da fare 2 piccole lampade.
-

schumy91
134 1 6 8 - Sostenitore

- Messaggi: 797
- Iscritto il: 13 gen 2008, 0:30
- Località: Cittadino del Mondo
0
voti
Ah ok.
Beh allora penso che hai due scelte: o cambi trasformatore oppure metti un piccolo boost per portare la tensione da 5 volt a 12 volt. Ci sono dei modulini dc-dc converter già fatti e di dimensioni molto contenute. Ne metti uno in uscita all'alimentatore e dovresti essere a posto. Anche se penso che ti convenga cambiare alimentatore.
Beh allora penso che hai due scelte: o cambi trasformatore oppure metti un piccolo boost per portare la tensione da 5 volt a 12 volt. Ci sono dei modulini dc-dc converter già fatti e di dimensioni molto contenute. Ne metti uno in uscita all'alimentatore e dovresti essere a posto. Anche se penso che ti convenga cambiare alimentatore.
0
voti
edit
admin: è un pezzo che frequenti il forum,
schumy91: possibile che tu non abbia ancora compreso la differenza tra il tasto "Cita" ed il tasto "Rispondi". O vuoi fare perdere la pazienza anche ai santi protettori del sito e del forum?
Potresti farmi vedere qualche modello che va bene al caso mio? Questa è la prima volta che li sento nominare...purtroppo solo quello sono riuscito a trovare....
Potresti farmi vedere qualche modello che va bene al caso mio? Questa è la prima volta che li sento nominare...purtroppo solo quello sono riuscito a trovare....
-

schumy91
134 1 6 8 - Sostenitore

- Messaggi: 797
- Iscritto il: 13 gen 2008, 0:30
- Località: Cittadino del Mondo
0
voti
Ok che hai poco spazio, ma una cosa del genere proprio no?


"Computers, operating systems, networks are a hot mess. They're barely manageable, even if you know a decent amount about what you're doing. Nine out of ten software engineers agree: it's a miracle anything works at all."
@fasterthanlime
@fasterthanlime
0
voti
cinque ha scritto:In che senso secondo te è nettamente migliore?
Che se ho letto bene il data-sheet in uscita riesce ad avere fino a 40V. Ho letto bene?
DonJ ha scritto:Ok che hai poco spazio, ma una cosa del genere proprio no?
Non credo che sia facile far entrare 3 resistenze e 3 LED nel collo di una bottiglia della birra...altrimenti lo avrei già fatto.
-

schumy91
134 1 6 8 - Sostenitore

- Messaggi: 797
- Iscritto il: 13 gen 2008, 0:30
- Località: Cittadino del Mondo
Chi c’è in linea
Visitano il forum: Nessuno e 381 ospiti

Elettrotecnica e non solo (admin)
Un gatto tra gli elettroni (IsidoroKZ)
Esperienza e simulazioni (g.schgor)
Moleskine di un idraulico (RenzoDF)
Il Blog di ElectroYou (webmaster)
Idee microcontrollate (TardoFreak)
PICcoli grandi PICMicro (Paolino)
Il blog elettrico di carloc (carloc)
DirtEYblooog (dirtydeeds)
Di tutto... un po' (jordan20)
AK47 (lillo)
Esperienze elettroniche (marco438)
Telecomunicazioni musicali (clavicordo)
Automazione ed Elettronica (gustavo)
Direttive per la sicurezza (ErnestoCappelletti)
EYnfo dall'Alaska (mir)
Apriamo il quadro! (attilio)
H7-25 (asdf)
Passione Elettrica (massimob)
Elettroni a spasso (guidob)
Bloguerra (guerra)

