Cos'è ElectroYou | Login Iscriviti

ElectroYou - la comunità dei professionisti del mondo elettrico

Calcolo corrente in un ramo di circuito

Circuiti, campi elettromagnetici e teoria delle linee di trasmissione e distribuzione dell’energia elettrica

Moderatori: Foto Utenteg.schgor, Foto UtenteIsidoroKZ

0
voti

[1] Calcolo corrente in un ramo di circuito

Messaggioda Foto Utentemasomaso90 » 11 set 2011, 16:58

Ciao a tutti,

ho un problema con un esercizio, è un pezzo di un esame, e visto che l'appello si avvicina, vorrei arrivarci senza dubbi di sorta :D

Il circuito è questo:




Quello che devo fare è trovare la corrente che scorre nel ramo A-B.


Ho abbozzato un procedimento ma, come si suole dire, sono più confuso che persuaso :D

Trasformazioni Triangolo - Stella mi sono sembrate poco plausibili, a causa delle differenze di resistenza..

Ho pensato però che potevo mettere in parallelo questi 2 resistori:



E valutare la tensione in A-B, come la tensione che c'è ai capi del resistore equivalente, ottenuto dal parallelo...

E' correto rappresentare adesso il circuito cosi?:




Dopo ciò, ho messo in serie il resistore R_2 con R_1 /2, ricordandomi che più avanti dovrò fare un partitore di tensione... e arrivo qui:


[unparseable or potentially dangerous latex formula]


R_1 /2 +R_2= 0.625 \Omega

Dal parallelo che ne esce, ottengo una resistenza:

R_{12}=(\frac{1}{0.625}+1)^{-1}=0.3846  \Omega

Poi devo fare un altro partitore di tensione, considerando anche quello precedente scrivo:

V_{AB}=V_g\frac{0.3846}{(1+0.3846)}\frac{0.5}{(0.5+0.125)}=1.33 V


E poi metto:

i_1=V_{AB}/R_1=-1.33 A, il segno meno l'ho aggiunto ad occhio....


Mi dite dove mi complico la vita e come sistemate?

Grazie :D

-----------------------------------------------------------------------------------------------------------

Edit:

Ho pensato che forse devo considerare questo resistore in corto:



Puo essere?

Grazie :D
Avatar utente
Foto Utentemasomaso90
109 4 7
Frequentatore
Frequentatore
 
Messaggi: 294
Iscritto il: 10 dic 2010, 21:52

1
voti

[2] Re: Calcolo corrente in un ramo di circuito

Messaggioda Foto UtenteRenzoDF » 11 set 2011, 17:19

Non devi "sparare", devi ragionare
a) se metti in parallelo i resistori perdi il ramo interessato e VAB e' nulla a che serve calcolarla ?
b) un resistore e' in corto solo se ha i due terminali collegati da un percorso a resistenza nulla
c) c'e' una formula "unparseable" prova a postarla riga per riga o a dividerla su piu' righe (forse e' lunga)
...
z) perche' non usi Thevenin?
"Il circuito ha sempre ragione" (Luigi Malesani)
Avatar utente
Foto UtenteRenzoDF
55,9k 8 12 13
G.Master EY
G.Master EY
 
Messaggi: 13189
Iscritto il: 4 ott 2008, 9:55

0
voti

[3] Re: Calcolo corrente in un ramo di circuito

Messaggioda Foto UtenteRenzoDF » 11 set 2011, 17:29

... prova ad usare la falsa posizione ;-)

Suggerimento -> per esempio imponi una corrente unitaria sul resistore R1 di sinistra in basso :!:
"Il circuito ha sempre ragione" (Luigi Malesani)
Avatar utente
Foto UtenteRenzoDF
55,9k 8 12 13
G.Master EY
G.Master EY
 
Messaggi: 13189
Iscritto il: 4 ott 2008, 9:55

0
voti

[4] Re: Calcolo corrente in un ramo di circuito

Messaggioda Foto Utentemasomaso90 » 11 set 2011, 17:42

Ciao Foto UtenteRenzoDF,

il circuito col generatore equivalente (credo intendessi questo), viene cosi:




RenzoDF ha scritto:c) c'e' una formula "unparsable" prova a postarla riga per riga o a dividerla su piu' righe (forse e' lunga)


Onestamente non ho idea di che formula tu stia parlando :D

Riguardo la falsa posizione, mel'hai fatto vedere in diverse occasione, ma non l'ho mai colto a pieno, e sono sicuro che all'esame non riuscirei ad applicarlo...

Vediamo se riesco a farlo funzionare cosi:




I due resistori evidenziati dalla freccia rossa sono in parallelo, visto e risolto questo posso dire che anche i 2 resistori evidenziati dalla freccia gialla sono in parallelo..

Fin qui ha senso? :D

Grazie
Avatar utente
Foto Utentemasomaso90
109 4 7
Frequentatore
Frequentatore
 
Messaggi: 294
Iscritto il: 10 dic 2010, 21:52

0
voti

[5] Re: Calcolo corrente in un ramo di circuito

Messaggioda Foto Utenteuboss » 11 set 2011, 18:49

Nel metodo da te fatto non calcoli la Vab ma la tensione su R12.
Dovresti calcolare le correnti e poi tornare indietro.
Avatar utente
Foto Utenteuboss
15 3 4
New entry
New entry
 
Messaggi: 99
Iscritto il: 10 set 2011, 0:35

0
voti

[6] Re: Calcolo corrente in un ramo di circuito

Messaggioda Foto Utentemasomaso90 » 11 set 2011, 18:50

Ho ragionato un po' sullo schema... alla fine A-B è solo un nodo...

Allora ho pensato a questo schema:



Dove devo risolvere serie e paralleli, e fare il partitore di corrente alla fine, sul resistore equivalente R_1 /2 + R_2...

ha senso? :D


-----------------

Facendo i conti viene:

i_2=-I_g\frac{\frac{R_1}{2}}{\frac{R_1}{2}+\frac{R_1}{2}+R_2}=-\frac{8}{3}A
Avatar utente
Foto Utentemasomaso90
109 4 7
Frequentatore
Frequentatore
 
Messaggi: 294
Iscritto il: 10 dic 2010, 21:52

0
voti

[7] Re: Calcolo corrente in un ramo di circuito

Messaggioda Foto Utenteadmin » 11 set 2011, 19:03

masomaso90 ha scritto:Onestamente non ho idea di che formula tu stia parlando :D

leggi tuo messaggio [1]
masomaso90 ha scritto:Dopo ciò, ho messo in serie il resistore R_2 con R_1 /2, ricordandomi che più avanti dovrò fare un partitore di tensione... e arrivo qui:


[unparseable or potentially dangerous latex formula]


hai usato i tag LaTeX per un disegno FidocadJ
masoMaso90 ha scritto:[..] posso dire che anche i 2 resistori evidenziati dalla freccia gialla sono in parallelo..

Fin qui ha senso? :D


No
Avatar utente
Foto Utenteadmin
196,6k 9 12 17
Manager
Manager
 
Messaggi: 11949
Iscritto il: 6 ago 2004, 13:14

0
voti

[8] Re: Calcolo corrente in un ramo di circuito

Messaggioda Foto Utentemasomaso90 » 11 set 2011, 19:10

Ciao Foto Utenteadmin,

admin ha scritto:hai usato i tag LaTeX per un disegno FidocadJ


Chiedo scusa, non volevo...

Riguardo la formula, credevo intendesse che ci fosse una formula da poter utilizzare, non la spiegazione della mia...
Quella derivava da 2 partitori di tensione...

Per caso hai dato un'occhiata anche al mio post [6]?

Mi sai dire se non va bene anche quello?

grazie
Avatar utente
Foto Utentemasomaso90
109 4 7
Frequentatore
Frequentatore
 
Messaggi: 294
Iscritto il: 10 dic 2010, 21:52

2
voti

[9] Re: Calcolo corrente in un ramo di circuito

Messaggioda Foto UtenteRenzoDF » 11 set 2011, 19:24

masomaso90 ha scritto:Riguardo la formula, credevo intendesse che ci fosse una formula da poter utilizzare, non la spiegazione della mia...

Ma li rileggi i tuoi post ? ... intendevo la
[unparseable or potentially dangerous latex formula]
del tuo primo post [1]

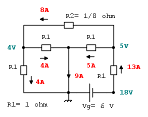
Vedo che la "falsa posizione" non ti piace proprio, ... e la applico io; imponendo una corrente arbitraria nella R1 in basso a sinistra, per esempio unitaria, ma meglio ancora pari a 4 ampere, avremo che potremo ricavare "a catena" correnti e potenziali e vedere come il polo negativo della batteria dovrebbe trovarsi a 18 volt e non -6 volt com'e' nella realta' ... (per avere quella ipotetica corrente di 4A)



Ne segue che il fattore di proporzionalita' sara'

\begin{align}
  & k=\frac{-6}{18}=-\frac{1}{3} \\ 
 & I_{0vera}=k\,I_{0falsa}=-\frac{1}{3}\times 9=-3\ \text{A} \\ 
\end{align}
"Il circuito ha sempre ragione" (Luigi Malesani)
Avatar utente
Foto UtenteRenzoDF
55,9k 8 12 13
G.Master EY
G.Master EY
 
Messaggi: 13189
Iscritto il: 4 ott 2008, 9:55

0
voti

[10] Re: Calcolo corrente in un ramo di circuito

Messaggioda Foto Utentemasomaso90 » 11 set 2011, 19:41

Foto UtenteRenzoDF,
purtroppo hai ragione, questo metodo non riesco proprio a capirlo.

Però ho capito che sto ancora sbagliando, perche il tuo risultato è - 3 A, mentre a me veniva -8/3 A.

Eppure il ragionamento del post [6] mi sembrava avesse senso...


Mi sapresti dire gentilmente cos'è che non funziona?

Se ho trasformato male il circuito o se l'errore è altrove?

Scusa il disturbo, grazie...
Avatar utente
Foto Utentemasomaso90
109 4 7
Frequentatore
Frequentatore
 
Messaggi: 294
Iscritto il: 10 dic 2010, 21:52

Prossimo

Torna a Elettrotecnica generale

Chi c’è in linea

Visitano il forum: Nessuno e 41 ospiti