Buongiorno a tutti,
come suggeritomi dal buon Isidoro ho aperto questo topic per chiedervi pubblicamente una delucidazione:
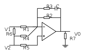
mi sono trovato all'appello di luglio di elettronica a dover risolvere un esercizio col metodo dei nodi dove erano presenti degli operazionali. Il discorso particolare era riferito al fatto che non era presente una retroazione (Gain ad anello aperto?!) che mi permettesse di calcolare il guadagno ad anello chiuso e risolvere il problema nella maniera classica. Mi era stato suggerito di risolverlo col metodo dei nodi...io preso alla sprovvista dato che era una cosa che non avevamo mai fatto ne in classe ne in lab, ho sostituito gli operazionali con un generatore di tensione pilotato, una Rin tra i morsetti e una Ru in serie tra il generatore pilotato e l'uscita....pero non sono riuscito a concludere nulla.
Come postulato so che la tensione tra i due morsetti e c.a. zero e che le correnti entranti sono nulle...ma, come lo risolvo?!?
Purtroppo non sono riuscito ad avere il testo della prova però mi sarebbe utile se mi aiutaste ad applicare il metodo dei nodi sul seguente esercizio.
Grazie mille
Matteo
NB R7 la elimino subito perche non è percorsa da corrente...ma il resto?! Grazie
dubbio nodi o.a.
Moderatori:
carloc,
g.schgor,
BrunoValente,
IsidoroKZ
4 messaggi
• Pagina 1 di 1
1
voti
Sicuro che l'operazionale fosse ad anello aperto? Non e` che forse c'erano due operazionali e non c'era la retroazione locale ma solo una globale?
Risolvere quell'esercizio con i nodi mi sembra inutilmente complicato, dipende poi da come vuoi modellare l'operazionale.
Attraverso R7 passa corrente, e anche attraverso R6, ma le puoi eliminare perche' sono fra generatori di tensione praticamente ideali.
Userei la sovrapposizione degli effetti per risolvere quel circuito. Per i potenziali ai nodi serve sapere come vuoi modellare l'operazionale.
Al solito questo fa parte delle regole del gioco che il prof dice a lezione e che si aspetta che voi seguiate. Ad esempio io lo farei con un operazionale ideale (Av -> oo), ma non ero in classe con te :).
Mi sono dimenticato dove e che cosa studi, quindi ecco le mie 5 solite domande che richiedono 5 risposte: ateneo, facolta`, corso di laurea, materia e libro di testo.
Il corso di laurea NON e` solo "ingneria elettronica" (o quello che e`) bisogna dire se e` laurea triennale o magistrale (o come diavolo si chiama).
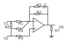
Risolvere quell'esercizio con i nodi mi sembra inutilmente complicato, dipende poi da come vuoi modellare l'operazionale.
Attraverso R7 passa corrente, e anche attraverso R6, ma le puoi eliminare perche' sono fra generatori di tensione praticamente ideali.
Userei la sovrapposizione degli effetti per risolvere quel circuito. Per i potenziali ai nodi serve sapere come vuoi modellare l'operazionale.
Al solito questo fa parte delle regole del gioco che il prof dice a lezione e che si aspetta che voi seguiate. Ad esempio io lo farei con un operazionale ideale (Av -> oo), ma non ero in classe con te :).
Mi sono dimenticato dove e che cosa studi, quindi ecco le mie 5 solite domande che richiedono 5 risposte: ateneo, facolta`, corso di laurea, materia e libro di testo.
Il corso di laurea NON e` solo "ingneria elettronica" (o quello che e`) bisogna dire se e` laurea triennale o magistrale (o come diavolo si chiama).
Per usare proficuamente un simulatore, bisogna sapere molta più elettronica di lui
Plug it in - it works better!
Il 555 sta all'elettronica come Arduino all'informatica! (entrambi loro malgrado)
Se volete risposte rispondete a tutte le mie domande
Plug it in - it works better!
Il 555 sta all'elettronica come Arduino all'informatica! (entrambi loro malgrado)
Se volete risposte rispondete a tutte le mie domande
0
voti
Ti ringrazio! Sei stato come sempre gentilissimo. Ora vedo di recuperare il tema d'esame e lo posto!
In ogni caso ho rifiutato il primo 20 e ho preso un 27 al secondo appello :) :)
Per le 5 domande:
Ing.Biomedica al PolitO, Triennale, Elettronica, "Introduzione all'analisi dei sistemi elettronici" edito by CLUT. Ma...come mai vuoi saperlo?! :) :)
In ogni caso ho rifiutato il primo 20 e ho preso un 27 al secondo appello :) :)
Per le 5 domande:
Ing.Biomedica al PolitO, Triennale, Elettronica, "Introduzione all'analisi dei sistemi elettronici" edito by CLUT. Ma...come mai vuoi saperlo?! :) :)
-

MatteRACING
-4 2 - Messaggi: 25
- Iscritto il: 5 lug 2011, 17:32
0
voti
Perche' a secondo del corso di laurea e del livello, si cambiano le risposte, adattandole al richiedente.
Poi in alcuni casi di libri "noti" puo` darsi che li abbia e possa dare uno sguardo per vedere esattamente quello che dicono.
Poi in alcuni casi di libri "noti" puo` darsi che li abbia e possa dare uno sguardo per vedere esattamente quello che dicono.
Per usare proficuamente un simulatore, bisogna sapere molta più elettronica di lui
Plug it in - it works better!
Il 555 sta all'elettronica come Arduino all'informatica! (entrambi loro malgrado)
Se volete risposte rispondete a tutte le mie domande
Plug it in - it works better!
Il 555 sta all'elettronica come Arduino all'informatica! (entrambi loro malgrado)
Se volete risposte rispondete a tutte le mie domande
4 messaggi
• Pagina 1 di 1
Chi c’è in linea
Visitano il forum: Nessuno e 127 ospiti

Elettrotecnica e non solo (admin)
Un gatto tra gli elettroni (IsidoroKZ)
Esperienza e simulazioni (g.schgor)
Moleskine di un idraulico (RenzoDF)
Il Blog di ElectroYou (webmaster)
Idee microcontrollate (TardoFreak)
PICcoli grandi PICMicro (Paolino)
Il blog elettrico di carloc (carloc)
DirtEYblooog (dirtydeeds)
Di tutto... un po' (jordan20)
AK47 (lillo)
Esperienze elettroniche (marco438)
Telecomunicazioni musicali (clavicordo)
Automazione ed Elettronica (gustavo)
Direttive per la sicurezza (ErnestoCappelletti)
EYnfo dall'Alaska (mir)
Apriamo il quadro! (attilio)
H7-25 (asdf)
Passione Elettrica (massimob)
Elettroni a spasso (guidob)
Bloguerra (guerra)

